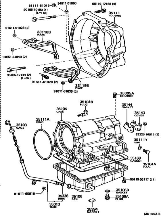
Transmission Case & Oil Pan (Atm) ([08.1988 - ] A42DL (8808- )GX81..4FC..HTWC) Diagram Toyota CHASER
- Year
- 1988 - 1992
- Sales region
- Japan
- Frame
- GX81
- grade
- AVT
- body
- HT
- ENGINE
- 1GFE
- TRANSMISSION
- ATM
- From
- 08.1988
- To
- 10.1992
- Gear Shift Type
- 4FC
- Fuel Induction
- HTWC
Difficulties in parts search?
Difficulties in parts search?
| Description | OEM Part # | Price | |||
|---|---|---|---|---|---|
|
33118B
|
33118B
33118-22051 Plate, Stiffener, Rh(Mtm)[08.1988 - 10.1992] GX81..4FC |
33118-22051 |
US $31.89 |
||
|
33119B
|
33119B
33119-22042 Plate, Stiffener, Lh(Mtm)[08.1988 - 10.1992] GX81..4FC |
33119-22042 |
US $29.99 |
||
|
35013
|
35013
35013-22260 Tube Sub-Assy, Transmission Oil Filler[08.1988 - 10.1992] GX81..4FC..HTWC |
35013-22260 |
US $46.45 |
||
|
35103
|
35103
35103-30240 Gage Sub-Assy, Transmission Oil Level[08.1988 - 10.1992] GX81..4FC..HTWC |
35103-30240 |
US $19.22 |
||
|
35104
|
35104
35104-26021 Case Sub-Assy, Automatic Transmission[08.1988 - 10.1992] GX81,LX80,SX80..4FC..(CI,HTWC,TD) |
35104-26021 |
US $981.34 |
||
|
35104A
|
35104A
90341-08001 Plug, Transaxle Case, No.1[08.1988 - 08.1990] GX81,LX80,MX83,SX80..4FC |
90341-08001 |
from US $1.52 |
||
|
35104B
|
35104B
90930-03108 Plug, Breather, No.1 (Atm)[08.1988 - 10.1992] GX81,JZX81,LX80,MX83,SX80,YX80..ATM |
90930-03108 |
US $19.70 |
||
|
35106
|
35106
35106-30060
Pan Sub-Assy, Automatic Transmission Oil
[08.1988 - 11.1989] GX81,SX80..4FC..(CI,HTWC) |
35106-30060 |
— | ||
| replacement | |||||
|
35106
|
35106
35106-30061
Pan Sub-Assy, Automatic Transmission Oil
[08.1988 - 11.1989] GX81,SX80..4FC..(CI,HTWC) |
35106-30061 |
— | ||
|
35106
|
35106
35106-30061
Pan Sub-Assy, Automatic Transmission Oil
[11.1989 - 10.1992] GX81,SX80..4FC..(CI,HTWC) |
35106-30061 |
— | ||
|
35106A
|
35106A
90341-10006
Plug (For Transfer Oil Pan)
[08.1988 - 10.1992] GX81,JZX81,LX80,MX83,SX80,YX80..ATM |
90341-10006 |
— | ||
| replacement | |||||
|
35106A
|
35106A
90341-10011 Drain Plug (No Type)[08.1988 - 10.1992] GX81,JZX81,LX80,MX83,SX80,YX80..ATM |
90341-10011 |
from US $1.79 |
||
|
35106B
|
35106B
35178-30010 Drain Plug Gasket[08.1988 - 10.1992] GX81,JZX81,LX80,MX83,SX80,YX80..ATM |
35178-30010 |
from US $1.77 |
||
|
35111
|
35111
35111-24010 Housing, Automatic Transmission[08.1988 - 10.1992] GX81..4FC..HTWC |
35111-24010 |
US $661.02 |
||
|
35111A
|
35111A
90301-99054 Ring, O (For Automatic Transmission Housing)[08.1988 - 10.1992] GX81,LX80,SX80..4FC..(CI,HTWC,TD) |
90301-99054 |
US $13.63 |
||
|
35111Y
|
35111Y
90301-06196 O Ring, Transaxle Case, No.1[08.1988 - 08.1990] GX81,LX80,MX83,SX80..4FC |
90301-06196 |
from US $2.24 |
||
|
35143
|
35143
35143-22010 Cover, Transmission Case, Rear[08.1988 - 10.1992] GX81,LX80,SX80,YX80..ATM..(CI,HTWC,LPG,TD) |
35143-22010 |
US $6.26 |
||
|
35144
|
35144
35144-22010
Gasket, Transmission Case Rear Cover
[08.1988 - 12.1990] GX81,LX80,SX80,YX80..ATM..(CI,HTWC,LPG,TD) |
35144-22010 |
— | ||
| replacement | |||||
|
35144
|
35144
35144-28010 Gasket, Transmission Case Rear Cover[08.1988 - 12.1990] GX81,LX80,SX80,YX80..ATM..(CI,HTWC,LPG,TD) |
35144-28010 |
US $2.62 |
||
|
35144
|
35144
35144-28010 Gasket, Transmission Case Rear Cover[12.1990 - 10.1992] GX81,LX80,SX80,YX80..ATM..(HTWC,LPG,TD) |
35144-28010 |
US $2.62 |
||
|
35168
|
35168
35168-22011 Gasket, Automatic Transmission Oil Pan[08.1988 - 10.1992] GX81,LX80,SX80,YX80..ATM..(CI,HTWC,LPG,TD) |
35168-22011 |
from US $9.79 |
||
|
35336
|
35336
90301-09173 Ring, O(For Transmission Oil Filler Tube)[08.1988 - 10.1992] GX81,LX80,MX83,SX80,YX80..ATM |
90301-09173 |
from US $2.01 |
||
|
35394
|
35394
35394-30011 Magnet, Oil Cleaner (For Transmission)[08.1988 - 10.1992] GX81..4FC..HTWC |
35394-30011 |
from US $5.62 |
||
|
35395A
|
35395A
35395-40010 Strainer, Governor Oil[08.1988 - 08.1990] GX81,SX80,YX80..ATM..(CI,HTWC,LPG) |
35395-40010 |
US $12.58 |
||
|
9010510190
|
9010510190
90105-10190 New Genuine Part |
90105-10190 |
US $3.20 |
||
|
9010512144
|
9010512144
90105-12144 New Genuine Part |
90105-12144 |
US $3.20 |
||
|
9011906117
|
9011906117
90119-06117
Bolt (For Automatic Transmission Oil Pan)
|
90119-06117 |
— | ||
| replacement | |||||
|
9011906117
|
9011906117
90119-06173 Bolt, Stud (For Automatic Transmission Oil Pan Setting) |
90119-06173 |
from US $0.76 |
||
|
9011912168
|
9011912168
90119-12168 Bolt(For Transaxle & Engine Setting) |
90119-12168 |
from US $2.01 |
||
|
9111151016
|
9111151016
91111-51016 Bolt, Set (For Rear Brake Drum Setting) |
91111-51016 |
US $2.04 |
||
|
9161160816
|
9161160816
91611-60816
Screw Or Bolt(For Valve Rocker Shaft Lock)
|
91611-60816 |
— | ||
| replacement | |||||
|
9161160816
|
9161160816
91611-B0816 Bolt |
91611-B0816 |
from US $1.01 |
||
|
9161161028
|
9161161028
91611-61028
Bolt(For Transaxle Case & Engine Setting)
|
91611-61028 |
— | ||
| replacement | |||||
|
9161161028
|
9161161028
91612-61028 Bolt(For Transaxle Case & Engine Setting) |
91612-61028 |
US $3.05 |
||
|
9161161035
|
9161161035
91611-61035
BOLT
|
91611-61035 |
— | ||
| replacement | |||||
|
9161161035
|
9161161035
91612-61035 Bolt(For Hybrid Vehicle Transaxle & Engine Setting) |
91612-61035 |
from US $1.13 |
||
|
9165161040
|
9165161040
91651-61040 Bolt (For Transfer Case) |
91651-61040 |
US $2.15 |
||
|
9322016012
|
9322016012
93220-16012 SCREW |
93220-16012 |
US $1.40 |
||
|
9451101000
|
9451101000
94511-01000 Washer(For Rear Drive Shaft) |
94511-01000 |
US $1.97 |
||