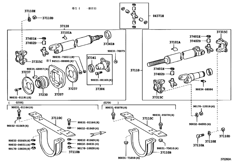
Propeller Shaft & Universal Joint ([07.1999 - ] (9907- )XZU34#) Diagram Toyota DYNA/ TOYOACE
- Year
- 1999 - 2002
- Sales region
- General
- Frame
- XZU340
- ENGINE
- 15BFTE
- TRANSMISSION
- MTM
- From
- 07.1999
- To
- 12.2002
- Loading Capacity
- 40T
- Rear Tire
- WT
Difficulties in parts search?
Difficulties in parts search?
| Description | OEM Part # | Price | |||
|---|---|---|---|---|---|
|
04371H
|
04371H
04371-37011 Spider Kit, Universal Joint(For Propeller Shaft)[07.1999 - 12.2002] XZU34# |
04371-37011 |
US $154.34 |
||
|
37101A
|
37101A
90039-13001 Piece, Balance, No.1 (For Propeller Shaft)[07.1999 - 12.2002] XZU300,320,330,34# 6G |
90039-13001 |
US $2.91 |
||
|
37101A
|
37101A
90039-13002 Piece, Balance, No.1 (For Propeller Shaft)[07.1999 - 12.2002] XZU300,320,330,34# 12G |
90039-13002 |
US $4.22 |
||
|
37101A
|
37101A
90039-13003 Piece, Balance, No.1 (For Propeller Shaft)[07.1999 - 12.2002] XZU300,320,330,34# 25G |
90039-13003 |
US $5.68 |
||
|
37101A
|
37101A
90039-13004 Piece, Balance, No.1 (For Propeller Shaft)[07.1999 - 12.2002] XZU300,320,330,34# 50G |
90039-13004 |
US $10.05 |
||
|
37101A
|
37101A
90039-13005 Piece, Balance, No.1 (For Propeller Shaft)[07.1999 - 12.2002] XZU300,320,330,34# 75G |
90039-13005 |
US $12.52 |
||
|
37110
|
37110
37110-37170 Shaft Assy, Propeller[07.1999 - 12.2002] XZU34# |
37110-37170 |
US $1,121.12 |
||
| replacement | |||||
|
37110
|
37110
37110-37680 Shaft Assy, Propeller[07.1999 - 12.2002] XZU34# |
37110-37680 |
US $1,121.12 |
||
|
37110A
|
37110A
90031-01165 Bolt (For Propeller Shaft)[07.1999 - 12.2002] XZU300,320,330,34# *12-1.25PX35-17 |
90031-01165 |
US $2.87 |
||
|
37110B
|
37110B
37231-37020 Guard, Propeller Shaft[07.1999 - 12.2002] XZU34# |
37231-37020 |
US $34.36 |
||
|
37110C
|
37110C
51241-37060 Bracket, Propeller Shaft Guard[07.1999 - 12.2002] XZU340 |
51241-37060 |
US $28.68 |
||
|
37110D
|
37110D
90170-12018 Nut (For Propeller Shaft)[07.1999 - 12.2002] XZU300,320,330,34# |
90170-12018 |
from US $0.64 |
||
|
37110E
|
37110E
90032-04005 Washer(For Drive Plate & Ring Gear)[07.1999 - 12.2002] XZU300,320,330,34# |
90032-04005 |
US $2.33 |
||
|
37120
|
37120
37120-37110 Shaft Assy, Propeller Intermediate[07.1999 - 12.2002] XZU340 |
37120-37110 |
US $959.50 |
||
|
37207
|
37207
37235-37020 Cushion Sub-Assy, Center Support Bearing, No.1[07.1999 - 12.2002] XZU34# |
37235-37020 |
US $23.88 |
||
| replacement | |||||
|
37207
|
37207
S3723-51200 Cushion Sub-Assy, Center Support Bearing, No.1[07.1999 - 12.2002] XZU34# |
S3723-51200 |
US $71.29 |
||
|
37230
|
37230
37201-37010 Bearing Assy, Center Support, No.1[07.1999 - 12.2002] XZU34# |
37201-37010 |
US $77.17 |
||
| replacement | |||||
|
37230
|
37230
S3740-41061 Bearing Assy, Center Support, No.1[07.1999 - 12.2002] XZU34# |
S3740-41061 |
US $43.51 |
||
|
37237
|
37237
37237-37010 Plate, Center Support Bearing, No.1[07.1999 - 12.2002] XZU34# T=3.0 |
37237-37010 |
US $29.41 |
||
| replacement | |||||
|
37237
|
37237
S3723-61080 Plate, Center Support Bearing, No.1[07.1999 - 12.2002] XZU34# T=3.0 |
S3723-61080 |
US $31.30 |
||
|
37304
|
37304
37304-37020 Flange Sub-Assy, Universal Joint[07.1999 - 12.2002] XZU34# |
37304-37020 |
US $116.48 |
||
|
37315C
|
37315C
37315-37020 Yoke, No.1, Rear Propeller Shaft Universal Joint Flange[07.1999 - 11.2001] XZU340 |
37315-37020 |
US $91.73 |
||
| replacement | |||||
|
37315C
|
37315C
37315-37021 Yoke, No.1, Rear Propeller Shaft Universal Joint Flange[07.1999 - 11.2001] XZU340 |
37315-37021 |
US $91.73 |
||
|
37315C
|
37315C
37315-37021 Yoke, No.1, Rear Propeller Shaft Universal Joint Flange[11.2001 - 12.2002] XZU340 |
37315-37021 |
US $91.73 |
||
|
37341
|
37341
37341-37020 Deflector, Propeller Shaft Dust, No.1[07.1999 - 12.2002] XZU34# |
37341-37020 |
US $3.49 |
||
|
37341B
|
37341B
37341-37020 Deflector, Propeller Shaft Dust, No.1[07.1999 - 12.2002] XZU34# |
37341-37020 |
US $3.49 |
||
|
37401E
|
37401E
90035-21022 Ring, Snap (For Rear Propeller Shaft Joint Spider Bearing)[07.1999 - 12.2002] XZU34# T=1.50 |
90035-21022 |
US $6.99 |
||
|
37401E
|
37401E
90035-21023 Ring, Snap (For Rear Propeller Shaft Joint Spider Bearing)[07.1999 - 12.2002] XZU34# T=1.55 |
90035-21023 |
US $6.99 |
||
|
37401E
|
37401E
90035-21024 Ring, Snap (For Rear Propeller Shaft Joint Spider Bearing)[07.1999 - 12.2002] XZU34# T=1.60 |
90035-21024 |
US $6.99 |
||
|
37401E
|
37401E
90035-21025 Ring, Snap (For Rear Propeller Shaft Joint Spider Bearing)[07.1999 - 12.2002] XZU34# T=1.65 |
90035-21025 |
US $6.99 |
||
|
37401E
|
37401E
90035-21026 Ring, Snap (For Rear Propeller Shaft Joint Spider Bearing)[07.1999 - 12.2002] XZU34# T=1.70 |
90035-21026 |
US $6.99 |
||
|
37402D
|
37402D
37402-37020 Bearing, Rear Propeller Shaft Universal Joint Spider[07.1999 - 12.2002] XZU34# |
37402-37020 |
US $13.40 |
||
|
9003101164
|
9003101164
90031-01164 New Genuine Part |
90031-01164 |
US $2.33 |
||
| replacement | |||||
|
9003101164
|
9003101164
90031-05078 New Genuine Part |
90031-05078 |
US $3.05 |
||
|
9003101165
|
9003101165
90031-01165 Bolt (For Propeller Shaft) |
90031-01165 |
US $2.87 |
||
|
9003101191
|
9003101191
90031-01191 New Genuine Part |
90031-01191 |
US $0.58 |
||
|
9003105078
|
9003105078
90031-05078 New Genuine Part |
90031-05078 |
US $3.05 |
||
|
9003170075
|
9003170075
90031-70075 Nut (For Rear Drive Pinion) |
90031-70075 |
US $20.82 |
||
|
9003175010
|
9003175010
90031-75010 New Genuine Part |
90031-75010 |
US $1.46 |
||
| replacement | |||||
|
9003175010
|
9003175010
SL151-01011 NUTFLANGE |
SL151-01011 |
US $4.12 |
||
|
9003175011
|
9003175011
90031-75011 New Genuine Part |
90031-75011 |
US $0.73 |
||
|
9003201069
|
9003201069
90032-01069 New Genuine Part |
90032-01069 |
US $1.60 |
||
| replacement | |||||
|
9003201069
|
9003201069
SL611-01022 WASHER PLAIN HME |
SL611-01022 |
US $1.16 |
||
|
9003204005
|
9003204005
90032-04005 Washer(For Drive Plate & Ring Gear) |
90032-04005 |
US $2.33 |
||
|
9003204031
|
9003204031
90032-04031 Washer (F0R Front Propeller Shaft) |
90032-04031 |
from US $0.92 |
||
|
9003408006
|
9003408006
90034-08006 Nipple, Grease(For Front Spring Bracket, Rear Pin) |
90034-08006 |
US $5.73 |
||
|
9003560057
|
9003560057
90035-60057 Spacer (For Center Support Bearing Housing) |
90035-60057 |
US $2.62 |
||
|
9017010028
|
9017010028
90170-10028 New Genuine Part |
90170-10028 |
US $2.51 |
||
|
9017012018
|
9017012018
90170-12018 Nut (For Propeller Shaft) |
90170-12018 |
from US $0.64 |
||
|
9451100800
|
9451100800
94511-00800 WASHERSPRING |
94511-00800 |
US $1.79 |
||