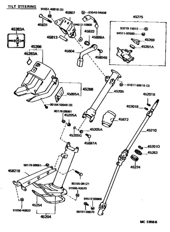
Steering Column & Shaft ([08.1987 - ] (8708- )LH51,61,YH51..SCL,SCM,SGL) Diagram Toyota HIACE
- Year
- 1987 - 1989
- Sales region
- Japan
- Frame
- YH51G
- grade
- SCM
- body
- WG
- Roof
- MRF
- ENGINE
- 3YU
- TRANSMISSION
- ATM
- Model
- HIACE VAN/WAGON/COMMUTER BUS
- From
- 08.1987
- To
- 08.1989
- Gear Shift Type
- 4FC
- Seating Capacity
- 08S
- Vehicle Model
- Hiace Van,Wagon
- Fuel Induction
- CBR
- Rear Tire
- ST
Difficulties in parts search?
Difficulties in parts search?
| Description | OEM Part # | Price | |||
|---|---|---|---|---|---|
|
45201A
|
45201A
90363-18038 Bearing(For Steering Main Shaft)[08.1987 - 08.1989] LH66..05S;LH66..(DX,SGL)..08S;LH5#,61,71,YH5#,6#,71 |
90363-18038 |
from US $6.69 |
||
|
45201B
|
45201B
90520-17042 Ring, Shaft Snap(For Steering Main Shaft)[08.1987 - 08.1989] LH66..05S;LH66..(DX,SGL)..08S;LH5#,61,71,YH5#,6#,71 厚さ=1.20 |
90520-17042 |
from US $0.82 |
||
|
45201B
|
45201B
90520-17269 Ring, Shaft Snap(For Steering Main Shaft)[08.1987 - 08.1989] LH66..05S;LH66..(DX,SGL)..08S;LH5#,61,71,YH5#,6#,71 厚さ=1.20 |
90520-17269 |
US $2.15 |
||
|
45201Q
|
45201Q
96152-00300 Ring, Hole Snap (For Differential Side Gear Shaft)[08.1987 - 08.1989] LH66..05S;LH66..(DX,SGL)..08S;LH5#,61,71,YH5#,6#,71 |
96152-00300 |
US $0.70 |
||
|
45204
|
45204
45204-26041 Tube Assy, Steering Column, Lower[08.1987 - 08.1989] LH51,6#,YH51,57..SCL,SCM,SGL |
45204-26041 |
US $106.29 |
||
|
45205
|
45205
45205-26100 Tube Sub-Assy, Steering Column[08.1987 - 08.1989] LH51,6#,YH51,57..SCL,SCM,SGL |
45205-26100 |
US $78.62 |
||
|
45205A
|
45205A
90389-11005
Bush(For Steering Column Tube)
[08.1987 - 08.1989] LH51,6#,YH51,57..SCL,SCM,SGL |
90389-11005 |
— | ||
|
45205G
|
45205G
90301-11005
Ring, O(For Steering Column Tube)
[08.1987 - 08.1989] LH51,6#,YH51,57..SCL,SCM,SGL |
90301-11005 |
— | ||
|
45210
|
45210
45210-26020
Shaft Assy, Steering Main
[08.1987 - 08.1989] LH51,61,71,YH50,51,61,71..CTM,DX,GL,SCL,SCM,SGL; LH51,61,YH50,52,6#..03S アリ(パワ- ステアリング) |
45210-26020 |
— | ||
|
45224
|
45224
45225-26010 Ring, Shaft Snap(For Steering Main Shaft)[08.1987 - 08.1989] LH66..05S;LH66..(DX,SGL)..08S;LH5#,61,71,YH5#,6#,71 長さ=16 |
45225-26010 |
US $31.27 |
||
|
45254
|
45254
45254-26050 Shield, Steering Column Hole[08.1987 - 08.1989] LH66..05S;LH66..(DX,SGL)..08S;LH5#,61,71,YH5#,6#,71 |
45254-26050 |
US $17.18 |
||
|
45263
|
45263
45263-32010 Ring, Steering Column, No.1[08.1987 - 08.1989] LH66..05S;LH66..(DX,SGL)..08S;LH5#,61,71,YH5#,6#,71 |
45263-32010 |
US $2.45 |
||
|
45269
|
45269
45269-35010 Retainer, Main Shaft Bearing[08.1987 - 08.1989] LH66..05S;LH66..(DX,SGL)..08S;LH5#,61,71,YH5#,6#,71 |
45269-35010 |
US $6.41 |
||
|
45275
|
45275
45307-26071 Bracket, Steering Column, Upper[08.1987 - 08.1988] YH61,71..10S,15S;YH51,52,57,62..03S,08S,09S |
45307-26071 |
US $186.37 |
||
| replacement | |||||
|
45275
|
45275
45307-26100 Bracket, Steering Column, Upper[08.1987 - 08.1988] YH61,71..10S,15S;YH51,52,57,62..03S,08S,09S |
45307-26100 |
US $186.37 |
||
|
45283A
|
45283A
45283-22010 Plate, Safety Caution[08.1987 - 08.1989] LH66..05S;LH66..(DX,SGL)..08S;LH5#,61,71,YH5#,6#,71 |
45283-22010 |
US $2.69 |
||
|
45286
|
45286
45286-26181-04 Cover, Steering Column[08.1987 - 09.1987] LH66..SGL..08S;LH66..(GL,SGL)..05S;LH5#,61,YH50,51,57,61..(GL,SCM,SGL)..(05S,08S) BLUE,TRIM8#,上側 |
45286-26181-04 |
US $62.61 |
||
|
45286
|
45286
45286-26181-06 Cover, Steering Column[08.1987 - 08.1989] LH5#,6#,71,YH51,57,61..(4FC,5F)..(DX,SCL,SCM) BROWN,TRIM4#,上側 |
45286-26181-06 |
US $62.61 |
||
|
45286
|
45286
45287-26111-04 Cover, Steering Column[08.1987 - 09.1987] LH66..SGL..08S;LH66..(GL,SGL)..05S;LH5#,61,YH50,51,57,61..(GL,SCM,SGL)..(05S,08S) BLUE,TRIM8#,下側 |
45287-26111-04 |
US $88.82 |
||
| replacement | |||||
|
45286
|
45286
45287-26111-C0 Cover, Steering Column[08.1987 - 09.1987] LH66..SGL..08S;LH66..(GL,SGL)..05S;LH5#,61,YH50,51,57,61..(GL,SCM,SGL)..(05S,08S) BLUE,TRIM8#,下側 |
45287-26111-C0 |
US $88.82 |
||
|
45286
|
45286
45287-26111-06 Cover, Steering Column[08.1987 - 08.1989] LH5#,6#,71,YH51,57,61..(4FC,5F)..(DX,SCL,SCM) BROWN,TRIM4#,下側 |
45287-26111-06 |
US $88.82 |
||
| replacement | |||||
|
45286
|
45286
45287-26111-C0 Cover, Steering Column[08.1987 - 08.1989] LH5#,6#,71,YH51,57,61..(4FC,5F)..(DX,SCL,SCM) BROWN,TRIM4#,下側 |
45287-26111-C0 |
US $88.82 |
||
|
45804
|
45804
45804-26010 Lever Sub-Assy, Steering Tilt[08.1987 - 08.1989] LH51,6#,YH51,57..SCL,SCM,SGL |
45804-26010 |
US $27.37 |
||
|
45804B
|
45804B
90105-08058 Bolt(For Steering Tilt Lever)[08.1987 - 08.1989] LH51,6#,YH51,57..SCL,SCM,SGL |
90105-08058 |
US $2.33 |
||
|
45807
|
45807
45807-26010 Bracket Sub-Assy, Steering Column Upper Support[08.1987 - 08.1989] LH51,6#,YH51,57..SCL,SCM,SGL |
45807-26010 |
US $43.97 |
||
|
45813
|
45813
45813-26010
Collar, Tilt Steering Support, No.1
[08.1987 - 08.1989] LH51,6#,YH51,57..SCL,SCM,SGL 長さ=40.6 |
45813-26010 |
— | ||
|
45821B
|
45821B
45821-26011 Reinforce, Tilt Steering Support, No.1[08.1987 - 08.1989] LH51,6#,YH51,57..SCL,SCM,SGL |
45821-26011 |
US $42.81 |
||
|
45831
|
45831
45831-26010 Bolt, Tilt Lever Lock, No.1[08.1987 - 08.1989] LH51,6#,YH51,57..SCL,SCM,SGL |
45831-26010 |
US $4.66 |
||
|
45833
|
45833
45833-26010 Nut, Tilt Steering Adjusting, No.1[08.1987 - 08.1989] LH51,6#,YH51,57..SCL,SCM,SGL |
45833-26010 |
US $8.01 |
||
|
45872
|
45872
45872-26010
Cover, Steering Column Tube
[08.1987 - 08.1989] LH66..05S;LH66..(DX,SGL)..08S;LH5#,61,71,YH5#,6#,71 |
45872-26010 |
— | ||
|
45895A
|
45895A
45895-26030 Plate, Tilt Steering Caution[08.1987 - 08.1989] LH51,6#,YH51,57..SCL,SCM,SGL |
45895-26030 |
US $8.59 |
||
|
45897A
|
45897A
45897-26020 Bolt, Tilt Steering Pawl Set[08.1987 - 08.1989] LH51,6#,YH51,57..SCL,SCM,SGL |
45897-26020 |
US $5.10 |
||
|
45899A
|
45899A
45899-26010 Cover, Tilt Steering Support Stopper[08.1987 - 08.1989] LH51,6#,YH51,57..SCL,SCM,SGL |
45899-26010 |
US $16.02 |
||
|
9010108070
|
9010108070
90101-08070
Bolt, Hexagon
|
90101-08070 |
— | ||
| replacement | |||||
|
9010108070
|
9010108070
90119-08560 Bolt, Hexagon |
90119-08560 |
from US $1.13 |
||
|
9010508121
|
9010508121
90105-08121 New Genuine Part |
90105-08121 |
US $2.62 |
||
|
9016450048
|
9016450048
90164-50048 SCREW |
90164-50048 |
from US $0.86 |
||
|
9017908061
|
9017908061
90179-08061 Nut (For Connecting Rod Swivel) |
90179-08061 |
from US $0.76 |
||
|
9161160616
|
9161160616
91611-60616
Bolt(For Transaxle Case Receiver)
|
91611-60616 |
— | ||
| replacement | |||||
|
9161160616
|
9161160616
91611-B0616 Bolt(For Transaxle Case Receiver) |
91611-B0616 |
from US $0.86 |
||
|
9165140818
|
9165140818
91651-40818 BOLT, W-WASHER |
91651-40818 |
from US $1.19 |
||
|
9165640822
|
9165640822
91656-40822
New Genuine Part
|
91656-40822 |
— | ||
| replacement | |||||
|
9165640822
|
9165640822
91651-60818 BOLTWWASHER |
91651-60818 |
from US $1.11 |
||
|
9166640620
|
9166640620
91666-40620
New Genuine Part
|
91666-40620 |
— | ||
| replacement | |||||
|
9166640620
|
9166640620
91661-60616 BOLT |
91661-60616 |
from US $0.70 |
||
|
9321915012
|
9321915012
93219-15012 New Genuine Part |
93219-15012 |
US $3.05 |
||
|
9354054008
|
9354054008
93540-54008 New Genuine Part |
93540-54008 |
US $0.69 |
||
|
9451100500
|
9451100500
94511-00500 Washer, Cover Set, No.2 |
94511-00500 |
from US $0.24 |
||
|
9451200800
|
9451200800
94512-00800 Washer, No.1 (For Propeller Shaft & Differential Setting) |
94512-00800 |
from US $0.70 |
||
|
9461310800
|
9461310800
94613-10800 Spacer (For Control Select Lever Support) |
94613-10800 |
from US $0.68 |
||