Heating & Air Conditioning - Set ([12.1982 - ] (8212- )DLX,GL,STD) Diagram Toyota HIACE

Year
1982 - 1985
Sales region
Japan
Frame
YH61G
grade
STD
body
WG
Roof
SRF
ENGINE
3YU
TRANSMISSION
MTM
Model
HIACE VAN/WAGON/COMMUTER BUS
From
12.1982
To
08.1985
Gear Shift Type
5H
Seating Capacity
10S
Vehicle Model
Hiace Van,Wagon
Fuel Induction
CBR
Rear Tire
ST

Difficulties in parts search?

Parts list
Heating & Air Conditioning - Set

Difficulties in parts search?

Heating & Air Conditioning - Set
Description OEM Part # Price
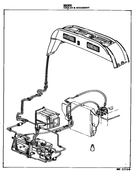
88300
88300
88300-95J11
Cooler & Accessory Assy

[12.1982 - 08.1985] YH51,61..5H..(DLX,STD) *ODAC

88300-95J11

Heating & Air Conditioning - Set ([12.1982 - ] (8212- )DLX,GL,STD) Diagram Toyota HIACE Japan 17718170-909657