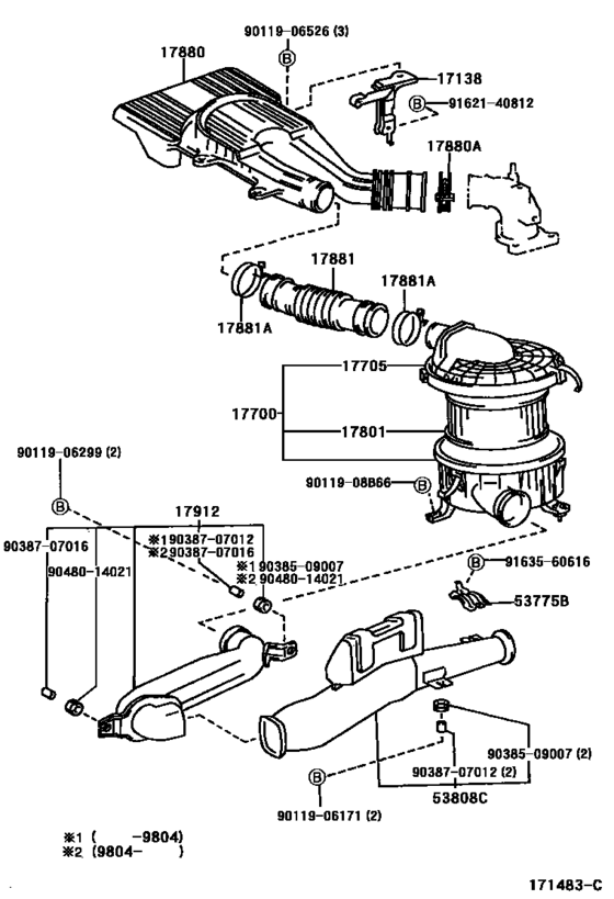
Air Cleaner ([08.1997 - 08.1999] (9708-9908)2L..LN145..RHD) Diagram Toyota HILUX/4RUNNER TRUCK
- Year
- 1997 - 1999
- Sales region
- Europe
- Frame
- LN145
- grade
- DLX
- ENGINE
- 2L
- TRANSMISSION
- MTM
- CAB
- SCB
- Model
- HILUX
- From
- 08.1997
- To
- 08.1999
- Vehicle Model
- Hilux
- Driver's Position
- RHD
- Building Condition
- IV3
Difficulties in parts search?
Difficulties in parts search?
| Description | OEM Part # | Price | |||
|---|---|---|---|---|---|
|
17138
|
17138
17138-54010 Stay, Intake Pipe Or Hose[08.1997 - 10.1999] 2L..LN145..RHD |
17138-54010 |
US $18.05 |
||
| replacement | |||||
|
17138
|
17138
17138-54011 Stay, Intake Pipe Or Hose[08.1997 - 10.1999] 2L..LN145..RHD |
17138-54011 |
US $18.20 |
||
|
17700
|
17700
17700-5B090 Cleaner Assy, Air[08.1997 - 04.2000] 2L#..LN145,165..RHD |
17700-5B090 |
US $419.33 |
||
| replacement | |||||
|
17700
|
17700
17700-5B091 Cleaner Assy, Air[08.1997 - 04.2000] 2L#..LN145,165..RHD |
17700-5B091 |
US $419.33 |
||
|
17705
|
17705
17705-54410
Cap Sub-Assy, Air Cleaner
[08.1997 - 04.2000] 2L#..LN145,165..RHD |
17705-54410 |
— | ||
| replacement | |||||
|
17705
|
17705
17705-54411
Cap Sub-Assy, Air Cleaner
[08.1997 - 04.2000] 2L#..LN145,165..RHD |
17705-54411 |
— | ||
|
17801
|
17801
17801-54150 Element Sub-Assy, Air Cleaner Filter[08.1997 - 08.2001] 2L..LN145,150;2LT..LN165..RHD |
17801-54150 |
from US $35.29 |
||
|
17880
|
17880
17880-54240 Hose Assy, Air Cleaner[08.1997 - 08.2001] 2L..LN145..RHD |
17880-54240 |
US $122.30 |
||
| replacement | |||||
|
17880
|
17880
17880-54241
Hose Assy, Air Cleaner
[08.1997 - 08.2001] 2L..LN145..RHD |
17880-54241 |
— | ||
|
17880A
|
17880A
96111-10710 Clamp(For Air Cleaner Inlet Duct)[08.1997 - 08.2001] 2L..LN145..RHD |
96111-10710 |
from US $2.87 |
||
|
17881
|
17881
17881-54640 Hose, Air Cleaner, No.1[08.1997 - 08.2001] 2L#..LN145,165..RHD |
17881-54640 |
from US $51.99 |
||
|
17881A
|
17881A
96111-10750 Clamp, Hose(For Air Cleaner Duct)[08.1997 - 08.2001] 2L#..LN145,165..RHD |
96111-10750 |
from US $3.40 |
||
|
17912
|
17912
52820-35020 Duct, Cool Air Intake, No.2[08.1997 - 10.1997] 2L#..LN145,165..RHD |
52820-35020 |
US $48.34 |
||
| replacements | |||||
|
17912
|
17912
52820-35060 Duct, Cool Air Intake, No.2[08.1997 - 10.1997] 2L#..LN145,165..RHD |
52820-35060 |
US $48.34 |
||
|
17912
|
17912
90119-06465 BOLT[08.1997 - 10.1997] 2L#..LN145,165..RHD |
90119-06465 |
from US $0.92 |
||
|
17912
|
17912
52820-35021 Duct, Cool Air Intake, No.2[10.1997 - 04.1998] 2L#..LN145,165..RHD |
52820-35021 |
US $48.48 |
||
| replacements | |||||
|
17912
|
17912
52820-35060 Duct, Cool Air Intake, No.2[10.1997 - 04.1998] 2L#..LN145,165..RHD |
52820-35060 |
US $48.34 |
||
|
17912
|
17912
90119-06465 BOLT[10.1997 - 04.1998] 2L#..LN145,165..RHD |
90119-06465 |
from US $0.92 |
||
|
17912
|
17912
52820-35022 Duct, Cool Air Intake, No.2[04.1998 - 08.1999] 2L#..LN145,165..RHD |
52820-35022 |
US $48.34 |
||
| replacements | |||||
|
17912
|
17912
52820-35060 Duct, Cool Air Intake, No.2[04.1998 - 08.1999] 2L#..LN145,165..RHD |
52820-35060 |
US $48.34 |
||
|
17912
|
17912
90119-06465 BOLT[04.1998 - 08.1999] 2L#..LN145,165..RHD |
90119-06465 |
from US $0.92 |
||
|
53775B
|
53775B
53775-35010 Bracket, Cool Air Intake Duct Mounting[08.1997 - 08.2001] LN145,150,165,170,190 |
53775-35010 |
US $12.23 |
||
|
53808C
|
53808C
53808-35030 Duct Sub-Assy, Front Fender Air, Lh[08.1997 - 08.2001] LN145,165..RHD |
53808-35030 |
US $78.62 |
||
|
9011908B66
|
9011908B66
90119-08B66 BOLT WWASHER |
90119-08B66 |
from US $0.78 |
||
|
9011906171
|
9011906171
90119-06171 BOLT |
90119-06171 |
US $2.33 |
||
|
9011906299
|
9011906299
90119-06299 New Genuine Part |
90119-06299 |
US $1.31 |
||
|
9011906526
|
9011906526
90119-06526
BOLT WWASHER
|
90119-06526 |
— | ||
|
9038509007
|
9038509007
90385-09007 New Genuine Part |
90385-09007 |
US $2.62 |
||
|
9038707012
|
9038707012
90387-07012 New Genuine Part |
90387-07012 |
US $1.16 |
||
|
9038707016
|
9038707016
90387-07016 Collar(For Intake Air Connector) |
90387-07016 |
US $0.79 |
||
|
9048014021
|
9048014021
90480-14021 GROMMET |
90480-14021 |
US $2.15 |
||
|
9162140812
|
9162140812
91621-40812 BOLT |
91621-40812 |
US $1.79 |
||
|
9163560616
|
9163560616
91635-60616
BOLT WWASHER
|
91635-60616 |
— | ||
| replacement | |||||
|
9163560616
|
9163560616
91631-J0612 BRACKET |
91631-J0612 |
from US $0.72 |
||