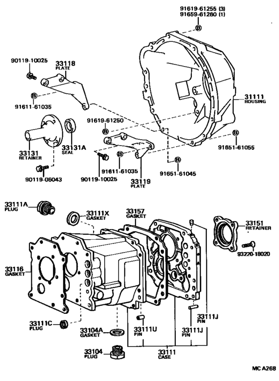
Clutch Housing & Transmission Case (Mtm) ([08.1983 - 08.1985] (8308-8508)YN57..5F) Diagram Toyota HILUX/4RUNNER TRUCK
- Year
- 1983 - 1988
- Sales region
- General
- Frame
- YN57
- grade
- SR5
- body
- T1
- ENGINE
- 3Y
- TRANSMISSION
- MTM
- DESTINATION
- GEN
- CAB
- XTR
- Model
- HILUX
- From
- 09.1983
- To
- 08.1988
- Gear Shift Type
- 5F
- Vehicle Model
- Hilux
- Driver's Position
- RHD
- Fuel Induction
- CBR
- Building Condition
- CBU
Difficulties in parts search?
Difficulties in parts search?
| Description | OEM Part # | Price | |||
|---|---|---|---|---|---|
|
31111
|
31111
31111-28010 Housing, Clutch[08.1983 - 08.1985] YN57..5F |
31111-28010 |
US $320.32 |
||
|
31111
|
31111
31111-30180
Housing, Clutch
[08.1985 - 12.1990] YN51,52,56,57,58,6#..4F,5F |
31111-30180 |
— | ||
|
33104
|
33104
90341-18057 Drain Plug (with Magnet)[08.1983 - 07.1998] RN58..SR5;LN50,51,55,56,60,61,65,RN50,55,6#,YN5#,6#..4F,4H,5F |
90341-18057 |
from US $6.27 |
||
|
33104A
|
33104A
90430-18007
Gasket(For Water Hole)
[08.1983 - 08.1984] LN5#,6#,YN5#,6#..MTM |
90430-18007 |
— | ||
| replacement | |||||
|
33104A
|
33104A
90430-18008 Gasket[08.1983 - 08.1984] LN5#,6#,YN5#,6#..MTM |
90430-18008 |
from US $0.90 |
||
|
33104A
|
33104A
90430-18008 Gasket[08.1984 - 07.1998] RN58..SR5;LN51,56,60,61,65,RN50,55,6#,YN5#,6#..MTM |
90430-18008 |
from US $0.90 |
||
|
33111
|
33111
33101-20011 Case, Manual TransmissionMANUAL TRANSMISSION [08.1983 - 08.1985] YN57..5F |
33101-20011 |
US $499.41 |
||
| replacement | |||||
|
33111
|
33111
33101-30021 Case, Manual Transmission[08.1983 - 08.1985] YN57..5F |
33101-30021 |
US $499.41 |
||
|
33111
|
33111
33101-35010 Case, Manual Transmission[08.1985 - 08.1988] LN5#,RN5#,YN51,52,56,57,58..4F,5F |
33101-35010 |
US $557.65 |
||
| replacement | |||||
|
33111
|
33111
33101-71020 Case, Manual Transmission[08.1985 - 08.1988] LN5#,RN5#,YN51,52,56,57,58..4F,5F |
33101-71020 |
US $417.87 |
||
|
33111A
|
33111A
90341-18006 Plug (No magnet)[08.1983 - 07.1998] YN58..4F;YN58..5F..(SR5,STD);LN50,51,55,56,RN50,55,YN50,51,52,55,56,57..4F,4H,5F |
90341-18006 |
from US $3.23 |
||
|
33111C
|
33111C
90331-14004 Plug, Manual Transmission Case[08.1985 - 07.1998] RN58..SR5;LN51,56,61,65,RN50,55,6#,YN51,52,56,57,58,6#..4F,5F,5H OD=14 |
90331-14004 |
US $4.68 |
||
|
33111C
|
33111C
90331-20044
Plug(For Transmission Case)
[08.1983 - 08.1985] YN57..5F |
90331-20044 |
— | ||
|
33111J
|
33111J
90250-12002 Pin, Straight(For Manual Transmission Case)[08.1985 - 07.1998] RN58..SR5;LN51,56,61,65,RN50,55,6#,YN51,52,56,57,58,6#..4F,5F,5H L=16,OD=12 |
90250-12002 |
from US $1.27 |
||
|
33111J
|
33111J
90250-12195
Pin, Straight(For Manual Transmission Case)
[08.1983 - 08.1985] YN57..5F L=35,OD=12 |
90250-12195 |
— | ||
|
33111J
|
33111J
90334-06017 Pin, Straight(For Manual Transmission Case)[08.1983 - 08.1985] YN57..5F L=11,OD=6 |
90334-06017 |
US $2.18 |
||
|
33111U
|
33111U
90253-13017 Pin, Ring W/head[08.1983 - 08.1985] YN57..5F L=12,OD=13 |
90253-13017 |
from US $1.35 |
||
|
33111U
|
33111U
90253-15001 Pin, Straight(For Clutch Housing Set)[08.1985 - 07.1998] RN58..SR5;LN51,56,61,65,RN50,55,6#,YN51,52,56,57,58,6#..4F,5F,5H L=14,OD=15,OD=15 |
90253-15001 |
from US $1.07 |
||
|
33111X
|
33111X
90430-18007
Gasket(For Water Hole)
[08.1983 - 08.1984] LN5#,6#,YN5#,6#..MTM |
90430-18007 |
— | ||
| replacement | |||||
|
33111X
|
33111X
90430-18008 Gasket[08.1983 - 08.1984] LN5#,6#,YN5#,6#..MTM |
90430-18008 |
from US $0.90 |
||
|
33111X
|
33111X
90430-18008 Gasket[08.1984 - 08.1985] LN5#,6#,YN5#,6#..MTM |
90430-18008 |
from US $0.90 |
||
|
33116
|
33116
33132-20040
Gasket, Manual Transmission Case
[08.1983 - 08.1985] YN57..5F |
33132-20040 |
— | ||
|
33118
|
33118
33118-28010
Plate, Stiffener, Rh(Mtm)
[08.1983 - 07.1998] YN58..4F;YN58..5F..(SR5,STD);YN50,51,52,55,56,57,6#..4F,4H,5F |
33118-28010 |
— | ||
|
33119
|
33119
33119-28010 Plate, Stiffener, Lh(Mtm)[08.1983 - 07.1998] YN58..4F;YN58..5F..(SR5,STD);YN50,51,52,55,56,57,6#..4F,4H,5F |
33119-28010 |
US $20.53 |
||
|
33131
|
33131
33131-26020 Retainer, Bearing, Front(Mtm)[08.1985 - 07.1998] RN58..SR5;LN51,56,61,65,RN50,55,67,YN51,52,56,57,58,6#..4F,5F,5H |
33131-26020 |
US $70.41 |
||
|
33131
|
33131
33131-31010
Retainer, Bearing, Front(Mtm)
[08.1983 - 08.1985] YN57..5F |
33131-31010 |
— | ||
|
33131A
|
33131A
90311-30115 Seal, Oil(For Transmission Front Bearing Retainer)[08.1983 - 08.1985] LN51,56,6#,YN52,57,6#..4F; LN5#,6#,YN56,57,6#..5F |
90311-30115 |
from US $3.94 |
||
|
33151
|
33151
33151-20010 Retainer, Output Shaft Rear Bearing(Mtm)[08.1983 - 08.1985] YN57..5F |
33151-20010 |
US $51.69 |
||
|
33151
|
33151
33151-28010
Retainer, Output Shaft Rear Bearing(Mtm)
[08.1985 - 08.1988] LN5#,6#,RN5#,YN51,52,56,57,58,6#..4F,5F |
33151-28010 |
— | ||
|
33157
|
33157
33142-20020
Gasket, Intermediate Plate
[08.1983 - 08.1985] YN57..5F |
33142-20020 |
— | ||
|
9011906043
|
9011906043
90119-06043 Bolt (For Stator Shaft) |
90119-06043 |
US $1.75 |
||
| replacement | |||||
|
9011906043
|
9011906043
90119-06559 Bolt (For Stator Shaft) |
90119-06559 |
US $1.79 |
||
|
9011910025
|
9011910025
90119-10025 Bolt (For Transmission Control Cable Bracket) |
90119-10025 |
US $1.89 |
||
| replacement | |||||
|
9011910025
|
9011910025
91612-61030 Bolt (For Transmission Control Cable Bracket) |
91612-61030 |
from US $1.07 |
||
|
9161161035
|
9161161035
91611-61035
BOLT
|
91611-61035 |
— | ||
| replacement | |||||
|
9161161035
|
9161161035
91612-61035 Bolt(For Hybrid Vehicle Transaxle & Engine Setting) |
91612-61035 |
from US $1.13 |
||
|
9161961250
|
9161961250
91619-61250 Bolt(For Transmission Case & Engine Setting) |
91619-61250 |
from US $1.95 |
||
|
9161961255
|
9161961255
91619-61255 Bolt(For Transaxle & Engine Setting) |
91619-61255 |
US $2.15 |
||
|
9165161045
|
9165161045
91651-61045 BOLT |
91651-61045 |
US $0.96 |
||
|
9165161055
|
9165161055
91651-61055 New Genuine Part |
91651-61055 |
US $2.62 |
||
| replacement | |||||
|
9165161055
|
9165161055
91651-61060 New Genuine Part |
91651-61060 |
US $0.96 |
||
|
9165961260
|
9165961260
91659-61260 Bolt(For Transaxle & Engine Setting) |
91659-61260 |
US $3.64 |
||
|
9322018020
|
9322018020
93220-18020
New Genuine Part
|
93220-18020 |
— | ||
| replacement | |||||
|
9322018020
|
9322018020
93230-18020 New Genuine Part |
93230-18020 |
US $1.97 |
||