Shift Lever & Retainer ([11.2015 - ] (1511- )LHD..6FC) Diagram Toyota INNOVA/ KIJANG/ REVO/ UNSER/ ZACE
- Year
- 2016 - 2018
- Sales region
- General
- Frame
- TGN140
- grade
- 20E
- ENGINE
- 1TRFE
- TRANSMISSION
- ATM
- PRODUCT
- PHLP
- DESTINATION
- PHL
- Model
- INNOVA
- From
- 04.2016
- Gear Shift Type
- 6FC
- Vehicle Model
- INNOVA
- Driver's Position
- LHD
Difficulties in parts search?
Difficulties in parts search?
| Description | OEM Part # | Price | |||
|---|---|---|---|---|---|
|
33504F
|
33504F
33504-0K130-C0
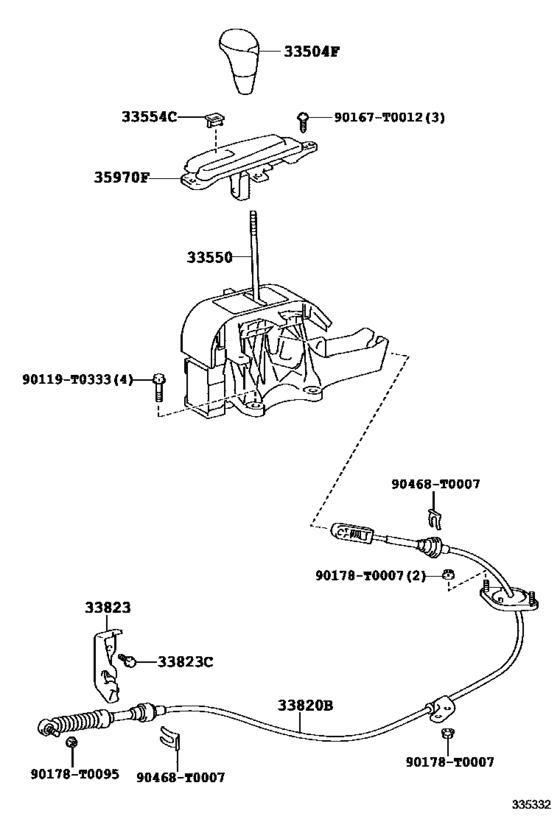
Knob Sub-Assy, Shift Lever
[11.2015 -] TGN140..PHLP..6FC..20E;GUN142,TGN140..6FC..(20,20E,20V,24G,24V)..(GEN,IDN,MA);GUN1 4#,TGN14#..6FC..(20G,24,27,28G)..(GCC,IDN,LA,TH,VN) BLACK,TRIM2#,4# |
33504-0K130-C0 |
— | ||
|
33550
|
33550
33550-0K180 Floor Shift Assy, Transmission[04.2016 -] GUN143,TGN140..(PHLP,VNP)..6FC..(20E,20G,28E,28G) |
33550-0K180 |
US $434.71 |
||
|
33554C
|
33554C
33554-0K060 Cover, Shift Lock Release Button[11.2015 -] GUN143..6FC..PHL;GUN142,TGN14#..LHD..6FC..(20E,20G,20V,24,24G,27,27G,27SRV) |
33554-0K060 |
US $1.09 |
||
|
33820B
|
33820B
33820-0K180 Cable Assy, Transmission Control[04.2016 -] TGN140..20V..VN;TGN140..(MAP,PHLP,VNP)..6FC..(20E,20G) |
33820-0K180 |
US $125.58 |
||
|
33823
|
33823
33823-KK010
Bracket, Transmission Control Cable, No.1
[11.2015 -] GUN143..6FC..(IND,PHL,TH);TGN140..6FC..(20E,20G)..MA;GUN142,TGN14#..6FC..(20,20E,2 0G,20Q,20V,24,24G,24Q,24V,27,27G,27SRV,27Z)..(GCC,GEN,IDN,IND,LA,PHL,SA,VN) |
33823-KK010 |
— | ||
|
33823C
|
33823C
90119-T0102 Bolt (For Transmission Control Cable Bracket)[11.2015 -] GUN143..6FC..(IND,PHL,TH);TGN140..6FC..(20E,20G)..MA;GUN142,TGN14#..6FC..(20,20E,2 0G,20Q,20V,24,24G,24Q,24V,27,27G,27SRV,27Z)..(GCC,GEN,IDN,IND,LA,PHL,SA,VN) |
90119-T0102 |
US $0.27 |
||
|
35970F
|
35970F
35970-0K350
Housing Assy, Position Indicator
[11.2015 -] GUN143..6FC..PHL;GUN142,TGN14#..LHD..6FC..(20E,20G,20V,24,24G,27,27G,27SRV) |
35970-0K350 |
— | ||
|
90119T0333
|
90119T0333
90119-T0333
New Genuine Part
|
90119-T0333 |
— | ||
|
90167T0012
|
90167T0012
90167-T0012
Direct
|
90167-T0012 |
— | ||
| replacement | |||||
|
90167T0012
|
90167T0012
93568-55014 Screw |
93568-55014 |
from US $0.49 |
||
|
90178T0007
|
90178T0007
90178-T0007 NUT FLANGE |
90178-T0007 |
US $0.61 |
||
|
90468T0007
|
90468T0007
90468-T0007
CLIP
|
90468-T0007 |
— | ||