Heating & Air Conditioning - Cooler Unit ([07.2016 - ] FRONT MANUAL AIR CONDITIONER (1607- )20E..VN) Diagram Toyota INNOVA/ KIJANG/ REVO/ UNSER/ ZACE
- Year
- 2016 - 2018
- Sales region
- General
- Frame
- TGN140
- grade
- 20E
- ENGINE
- 1TRFE
- TRANSMISSION
- MTM
- PRODUCT
- VNP
- DESTINATION
- VN
- Model
- INNOVA
- From
- 07.2016
- Gear Shift Type
- 5F
- Vehicle Model
- INNOVA
- Driver's Position
- LHD
Difficulties in parts search?
Difficulties in parts search?
| Description | OEM Part # | Price | |||
|---|---|---|---|---|---|
|
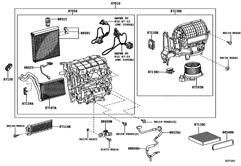
87010
|
87010
87010-0KD40
Unit Assy, Air Conditioner
[07.2016 -] TGN140..20E..VN |
87010-0KD40 |
— | ||
|
87050
|
87050
87050-0KD10
Radiator Assy, Air Conditioner
[07.2016 -] TGN140..20E..VN |
87050-0KD10 |
— | ||
|
87103B
|
87103B
87103-0K390
Motor Sub-Assy, Blower W/fan
[07.2016 -] TGN140..(20E,20G,20V)..VN |
87103-0K390 |
— | ||
|
87107A
|
87107A
87107-0K110 Unit Sub-Assy, Heater Radiator[07.2016 -] TGN140..(20E,20G,20V)..VN |
87107-0K110 |
from US $242.86 |
||
|
87114B
|
87114B
87114-0K040
Cover, Heater
[07.2016 -] TGN140..(20E,20G,20V)..VN |
87114-0K040 |
— | ||
|
87124B
|
87124B
87124-06140
Clamp, Heater
[11.2015 -] GUN142..24G..(GCC,IND);GUN142,TGN140..(20,20E,20Q,20V,24,24Q,24V,24Z,G,N)..(GCC,GE N,IDN,IND,SA,VN);GUN143,TGN14#..(20G,27,27G,27SR,27SRV,27V,27Z,28G,28V,28Z)..(GCC, IND,LA,MA,PHL,TH,VN); TGN141..27..GCC FRONT AIR CONDITIONER-MANUAL(DOP - DEAL |
87124-06140 |
— | ||
|
87128
|
87128
87128-0K180
Grommet, Heater
[07.2016 -] TGN140..(20E,20G,20V)..VN |
87128-0K180 |
— | ||
|
87130D
|
87130D
87130-0K590
Blower Assy
[07.2016 -] TGN140..20E..VN |
87130-0K590 |
— | ||
|
87130K
|
87130K
87106-0K220 Damper Servo Sub-Assy, Blower, No.1[11.2015 -] GUN143..28G..IND;GUN142,TGN14#..(20,20E,20G,24,27)..(GCC,GEN,IDN,TH);GUN14#,TGN14# ..(20E,24G,27,27G,27SR,28E,G,N)..(IDN,IND,LA,MA,PHL,VN); TGN140..TH FRONT AIR CONDITIONER-MANUAL COOLER(DOP - DEALERSHIP INSTALL); TGN141..27..GCC FRONT AIR CON |
87106-0K220 |
US $113.86 |
||
|
87138C
|
87138C
87138-0K350 Resistor, Blower[11.2015 -] GUN14#,TGN14#..(20E,24,27,27SR,28E,N)..(GCC,LA,PHL,VN); TGN141..27..GCC FRONT AIR CONDITIONER-MANUAL(DOP - DEALERSHIP INSTALL) |
87138-0K350 |
US $53.90 |
||
|
87139C
|
87139C
87139-0K070 Element, Air Refiner[07.2016 -] TGN140..(20E,20G,20V)..VN POLLEN FILTER,OE PART |
87139-0K070 |
from US $22.53 |
||
|
87139C
|
87139C
87139-58010 Filter, Clean Air (Charcoal)[11.2015 -] TGN140..20V..VN;TGN140..(20E,20G)..(MA,VN);GUN143,TGN140..(20,20E,20G,20Q,20V,28E, 28G,28V,28Z,N)..(GEN,IDN,IND,PHL,TH);GUN142,TGN141..(5F,6FC)..(24,24G,24Q,24V,24Z, 27,27G,27SR,27SRV,27V,27Z,G,N)..(GCC,IDN,IND,LA,SA) DEODORANT FILTER |
87139-58010 |
from US $64.84 |
||
| replacement | |||||
|
87139C
|
87139C
87139-YZZ49 Filter, Cabin (Charcoal)[11.2015 -] TGN140..20V..VN;TGN140..(20E,20G)..(MA,VN);GUN143,TGN140..(20,20E,20G,20Q,20V,28E, 28G,28V,28Z,N)..(GEN,IDN,IND,PHL,TH);GUN142,TGN141..(5F,6FC)..(24,24G,24Q,24V,24Z, 27,27G,27SR,27SRV,27V,27Z,G,N)..(GCC,IDN,IND,LA,SA) DEODORANT FILTER |
87139-YZZ49 |
US $118.81 |
||
|
88501
|
88501
88501-0K390 Evaporator Sub-Assy, Cooler, No.1[07.2016 -] TGN140..(20E,20G,20V)..VN |
88501-0K390 |
US $374.22 |
||
|
88515
|
88515
88515-0K580 Valve, Cooler Expansion[11.2015 -] TGN140..IDNP,PHLP;GUN143..IDNP..5F..PHL;TGN140..(20E,20G)..(MA,VN);GUN142,TGN141.. (5F,6FC)..(IDN,IND,LA,SA);GUN143,TGN140..6FC..(20V,28E,28G,28V,28Z)..(IND,PHL,TH,V N); TGN140..TH FRONT AIR CONDITIONER-MANUAL COOLER(DOP - DEALERSHIP INSTALL) |
88515-0K580 |
from US $58.87 |
||
|
88539J
|
88539J
88539-0K380
Hose, Drain Cooler
[07.2016 -] TGN140..(20E,20G,20V)..VN |
88539-0K380 |
— | ||
|
88548B
|
88548B
88548-0K080 Case, Air Filter[07.2016 -] TGN140..(20E,20G,20V)..VN |
88548-0K080 |
from US $10.83 |
||
|
88625
|
88625
88620-0K010 Thermistor, Cooler, No.1[11.2015 -] TGN140..20V..VN;TGN140..(20E,20G)..(MA,VN);GUN143,TGN140..(20,20E,20G,20Q,20V,28E, 28G,28V,28Z,N)..(GEN,IDN,IND,PHL,TH);GUN142,TGN141..(5F,6FC)..(24,24G,24Q,24V,24Z, 27,27G,27SR,27SRV,27V,27Z,G,N)..(GCC,IDN,IND,LA,SA); TGN140..TH FRONT AIR CON |
88620-0K010 |
US $24.57 |
||
|
88650N
|
88650N
88650-0K420
Amplifier Assy, Air Conditioner
[11.2015 -] TGN140..20E..VN;GUN142,TGN14#..(20,24,27,27SR)..(GCC,GEN,LA); TGN141..27..GCC FRONT AIR CONDITIONER-MANUAL(DOP - DEALERSHIP INSTALL) |
88650-0K420 |
— | ||
|
88894G
|
88894G
88894-0K010
Connector, Drain Hose
[07.2016 -] TGN140..(20E,20G,20V)..VN |
88894-0K010 |
— | ||
|
90119T0404
|
90119T0404
90119-T0404
New Genuine Part
|
90119-T0404 |
— | ||
|
90159T0005
|
90159T0005
90159-T0005 New Genuine Part |
90159-T0005 |
US $0.87 |
||
|
90159T0014
|
90159T0014
90159-T0014
SCREW WWASHER TAPP
|
90159-T0014 |
— | ||
|
90178T0065
|
90178T0065
90178-T0065
New Genuine Part
|
90178-T0065 |
— | ||
|
9017906323
|
9017906323
90179-06323 Nut |
90179-06323 |
US $1.97 |
||
|
9167380616
|
9167380616
91673-80616 Bolt, W/washer |
91673-80616 |
from US $0.64 |
||