Speedometer Driven Gear (Atm) ([10.1969 - 11.1975] (6910-7511)2FC ; (7610-7802)2FC) Diagram Toyota PUBLICA
- Year
- 1969 - 1975
- Sales region
- Japan
- Frame
- KP30
- grade
- DLX
- body
- SED
- ENGINE
- 2K
- TRANSMISSION
- ATM
- Model
- PUBLICA
- From
- 10.1969
- To
- 11.1975
- Gear Shift Type
- 2FC
- Vehicle Model
- PUBLICA
Difficulties in parts search?
Difficulties in parts search?
| Description | OEM Part # | Price | |||
|---|---|---|---|---|---|
|
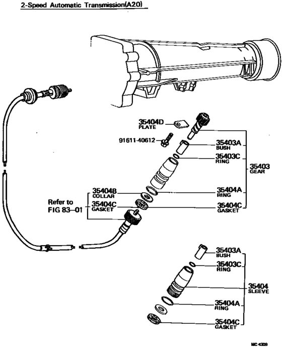
35403
|
35403
33403-19065
Gear Sub-Assy, Speedometer Driven (Mtm)
[10.1969 - 11.1975] KP30,31..2FC |
33403-19065 |
— | ||
|
35403A
|
35403A
90386-09055
Bush (For Manual Transmission Speedometer Shaft Sleeve)
[10.1969 - 11.1975] KP30,31..2FC |
90386-09055 |
— | ||
|
35403C
|
35403C
90301-09010
Ring, O (For Manual Transmission Speedometer Shaft)
[10.1969 - 11.1975] KP30,31..2FC |
90301-09010 |
— | ||
| replacement | |||||
|
35403C
|
35403C
90301-09017 Ring, O (For Manual Transmission Speedometer Shaft)[10.1969 - 11.1975] KP30,31..2FC |
90301-09017 |
US $4.12 |
||
|
35404
|
35404
33404-19015
Sleeve Sub-Assy, Speedometer Shaft (Mtm)
[10.1969 - 11.1975] KP30,31..2FC |
33404-19015 |
— | ||
|
35404A
|
35404A
96710-02018
Ring, O(For Clutch Release Bellcrank)
[10.1969 - 11.1975] KP30,31..2FC |
96710-02018 |
— | ||
| replacement | |||||
|
35404A
|
35404A
96711-19018
Ring, O(For Clutch Release Bellcrank)
[10.1969 - 11.1975] KP30,31..2FC |
96711-19018 |
— | ||
|
35404B
|
35404B
90201-07069 Collar, Speedometer Flexible Tube Shaft Gasket (Mtm)[10.1969 - 11.1975] KP30,31..2FC |
90201-07069 |
US $2.51 |
||
|
35404C
|
35404C
90303-06017 Gasket, Speedometer Flexible Tube Shaft (Mtm)[10.1969 - 11.1975] KP30,31..2FC |
90303-06017 |
US $2.15 |
||
|
35404D
|
35404D
33485-10010 Plate, Speedometer Sleeve Lock (Mtm)SPEEDOMETER SLEEVE LOCK (ATM) [10.1969 - 11.1975] KP30,31..2FC |
33485-10010 |
US $2.33 |
||
|
9161140612
|
9161140612
91611-40612
Bolt(for Dust Cover To Steering Knuckle Arm Setting)
|
91611-40612 |
— | ||
| replacement | |||||
|
9161140612
|
9161140612
91611-G0612 Bolt(For Dust Cover To Steering Knuckle Arm Setting) |
91611-G0612 |
from US $0.76 |
||