Heating & Air Conditioning - Cooler Unit ([11.2005 - ] MANUAL AIR CONDITIONER (0511- )ACA33,38..LHD..X ; (0511- )ACA30,A LA3#,ZSA3#..LHD..4FC,5F,6F,CVFC) Diagram Toyota RAV4/VANGUARD
- Year
- 2005 - 2012
- Sales region
- General
- Frame
- ACA38
- grade
- X
- ENGINE
- 2AZFE
- TRANSMISSION
- MTM
- DESTINATION
- GEN
- Model
- RAV4
- From
- 11.2005
- To
- 12.2012
- Gear Shift Type
- 5F
- Vehicle Model
- RAV4
- Driver's Position
- LHD
- Fuel Induction
- HTWC
Difficulties in parts search?
Difficulties in parts search?
| Description | OEM Part # | Price | |||
|---|---|---|---|---|---|
|
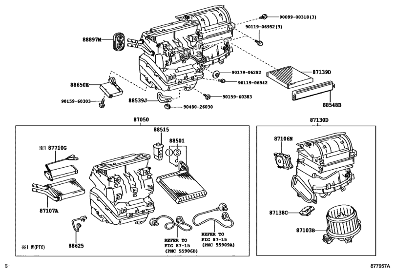
87050
|
87050
87050-12390
Radiator Assy, Air Conditioner
[06.2006 - 08.2008] ACA33,38..LHD..X |
87050-12390 |
— | ||
|
87050
|
87050
87050-12391
Radiator Assy, Air Conditioner
[05.2010 - 12.2012] ACA3#,ZSA3#..LHD..X; ZSA3#..LHD..G AIR CONDITIONER-MANUAL |
87050-12391 |
— | ||
|
87050
|
87050
87050-42360
Radiator Assy, Air Conditioner
[11.2005 - 06.2006] ACA3#..LHD..X; ALA30..LHD..X COLD AREA SPEC; ACA30..LHD..G AIR CONDITIONER-MANUAL |
87050-42360 |
— | ||
| replacement | |||||
|
87050
|
87050
87050-12390
Radiator Assy, Air Conditioner
[11.2005 - 06.2006] ACA3#..LHD..X; ALA30..LHD..X COLD AREA SPEC; ACA30..LHD..G AIR CONDITIONER-MANUAL |
87050-12390 |
— | ||
|
87103B
|
87103B
87103-42090 Motor Sub-Assy, Blower W/fanBLOWER W/FAN [11.2005 - 08.2008] ACA33,38..LHD..X |
87103-42090 |
US $258.80 |
||
|
87106N
|
87106N
87106-42130
Servo Sub-Assy, Damper(For Recirculation)
[11.2005 - 08.2008] ACA33,38..LHD..X |
87106-42130 |
— | ||
|
87107A
|
87107A
87107-42170 Unit Sub-Assy, Heater Radiator[11.2005 - 08.2008] ACA33..X..GCC;ACA33,38,GSA33..ARL,GEN |
87107-42170 |
US $394.17 |
||
|
87130D
|
87130D
87130-12550
Blower Assy
[06.2006 - 05.2008] ACA30,33,38..LHD..X; ALA30..LHD..X COLD AREA SPEC; ACA30..LHD..G AIR CONDITIONER-MANUAL; ACA30..LHD..G AIR CONDITIONER-WITHOUT |
87130-12550 |
— | ||
| replacement | |||||
|
87130D
|
87130D
87130-12551 Blower Assy[06.2006 - 05.2008] ACA30,33,38..LHD..X; ALA30..LHD..X COLD AREA SPEC; ACA30..LHD..G AIR CONDITIONER-MANUAL; ACA30..LHD..G AIR CONDITIONER-WITHOUT |
87130-12551 |
US $449.07 |
||
|
87130D
|
87130D
87130-12551 Blower Assy[06.2008 - 08.2008] ACA33,38..LHD..X |
87130-12551 |
US $449.07 |
||
|
87130D
|
87130D
87130-42220
Blower Assy
[11.2005 - 06.2006] ACA3#..LHD..X; ALA30..LHD..X COLD AREA SPEC; ACA30..LHD..G AIR CONDITIONER-MANUAL; ACA30..LHD..G AIR CONDITIONER-WITHOUT |
87130-42220 |
— | ||
| replacement | |||||
|
87130D
|
87130D
87130-12551 Blower Assy[11.2005 - 06.2006] ACA3#..LHD..X; ALA30..LHD..X COLD AREA SPEC; ACA30..LHD..G AIR CONDITIONER-MANUAL; ACA30..LHD..G AIR CONDITIONER-WITHOUT |
87130-12551 |
US $449.07 |
||
|
87138C
|
87138C
87138-26160 Resistor, BlowerBLOWER [11.2005 - 08.2008] ACA33,38..LHD..X |
87138-26160 |
from US $17.92 |
||
|
87139D
|
87139D
87139-52020 Filter, Clean Air[11.2005 - 12.2008] ACA3#,ALA30,GSA33 |
87139-52020 |
from US $33.60 |
||
|
88501
|
88501
88501-26210
Evaporator Sub-Assy, Cooler, No.1
[11.2005 - 05.2008] ACA3#,ALA30,GSA33 |
88501-26210 |
— | ||
| replacement | |||||
|
88501
|
88501
88501-26211 Evaporator Sub-Assy, Cooler, No.1[11.2005 - 05.2008] ACA3#,ALA30,GSA33 |
88501-26211 |
from US $405.35 |
||
|
88501
|
88501
88501-26211 Evaporator Sub-Assy, Cooler, No.1[06.2008 - 08.2008] ACA33..X..GCC;ACA33,38,GSA33..ARL,GEN |
88501-26211 |
from US $405.35 |
||
|
88501
|
88501
88501-72020 Evaporator Sub-Assy, Cooler, No.1COOLER, NO.1 [10.2010 - 12.2012] ACA3#,ALA3#,GSA33,ZSA3# |
88501-72020 |
US $448.91 |
||
|
88515
|
88515
88515-12100 Valve, Cooler Expansion[05.2010 - 12.2012] ACA3#,ZSA3#..X; ZSA3#..LHD..G AIR CONDITIONER-MANUAL |
88515-12100 |
from US $106.41 |
||
|
88515
|
88515
88515-26070 Valve, Cooler Expansion[11.2005 - 06.2006] ACA3#,ALA30 |
88515-26070 |
from US $99.45 |
||
|
88515
|
88515
88515-42090 Valve, Cooler Expansion[06.2006 - 08.2008] ACA33..X..GCC;ACA33,38,GSA33..ARL,GEN |
88515-42090 |
US $121.36 |
||
|
88539J
|
88539J
88539-42060
Hose, Drain Cooler
[11.2005 - 08.2008] ACA38;ACA33..LHD..X;ACA33..G..GEN |
88539-42060 |
— | ||
| replacement | |||||
|
88539J
|
88539J
88539-42061
Hose, Drain Cooler
[11.2005 - 08.2008] ACA38;ACA33..LHD..X;ACA33..G..GEN |
88539-42061 |
— | ||
|
88539J
|
88539J
88539-42061
Hose, Drain Cooler
[09.2012 - 12.2012] ACA3#,ALA3#,ZSA3#..LHD |
88539-42061 |
— | ||
|
88548B
|
88548B
88548-42020
Case, Air Filter
[11.2005 - 08.2008] ACA38;ACA33..LHD..X;ACA33..G..GEN |
88548-42020 |
— | ||
|
88625
|
88625
88625-26090 Thermistor, Cooler, No.1[11.2005 - 08.2008] ACA33..X..GCC;ACA33,38,GSA33..ARL,GEN |
88625-26090 |
from US $8.04 |
||
| replacement | |||||
|
88625
|
88625
88620-02110 Thermistor, Cooler, No.1COOLER, NO.1 [11.2005 - 08.2008] ACA33..X..GCC;ACA33,38,GSA33..ARL,GEN |
88620-02110 |
US $10.20 |
||
|
88650E
|
88650E
88650-42180
Amplifier Assy, Air Conditioner, No.1
[11.2005 - 08.2008] ACA33,38..X; ACA33,38..X..GEN AIR CONDITIONER-MANUAL(DOP) |
88650-42180 |
— | ||
|
88650E
|
88650E
88650-42290
Amplifier Assy, Air Conditioner, No.1
[08.2008 - 12.2012] ACA30,33,38,ZSA3#..X |
88650-42290 |
— | ||
|
88897M
|
88897M
87128-42010
Grommet (For Heater Pipe)
[11.2005 - 08.2008] ACA33..X..GCC;ACA33,38,GSA33..ARL,GEN |
87128-42010 |
— | ||
|
9009900318
|
9009900318
90099-00318
New Genuine Part
|
90099-00318 |
— | ||
|
9011906942
|
9011906942
90119-06942 BOLT WWASHER |
90119-06942 |
from US $0.66 |
||
|
9011906952
|
9011906952
90119-06952 New Genuine Part |
90119-06952 |
US $1.08 |
||
|
9015960303
|
9015960303
90159-60303 SCREW |
90159-60303 |
US $1.25 |
||
|
9015960383
|
9015960383
90159-60383 SCREW WWASHER |
90159-60383 |
from US $0.78 |
||
|
9017906282
|
9017906282
90179-06282 New Genuine Part |
90179-06282 |
US $0.67 |
||
|
9048026030
|
9048026030
90480-26030 Grommet (For Cooler Unit Drain Hose) |
90480-26030 |
US $2.13 |
||