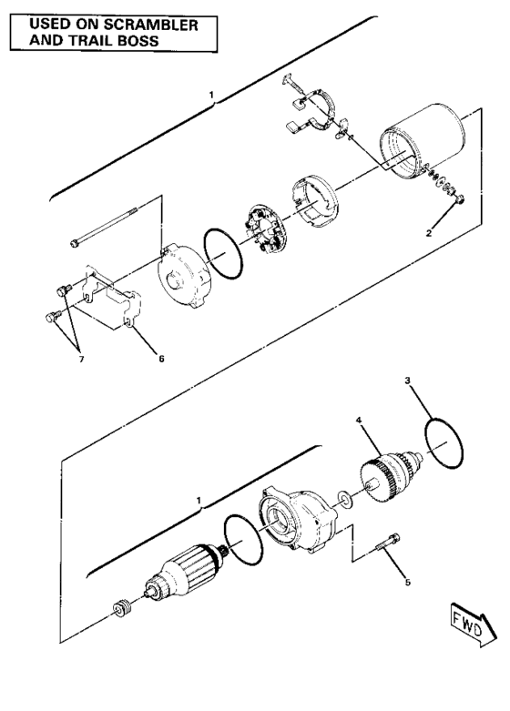
Starting motor assembly Diagram Polaris SCRAMBLER
- Model code
- W857027
- Year
- 1985
- Sales region
- General
Difficulties in parts search?
Parts list
Difficulties in parts search?
| Description | OEM Part # | Price | |||
|---|---|---|---|---|---|
|
1
|
1
3083646
Starter asm.
|
3083646 |
— | ||
| replacement | |||||
|
1
|
1
3085393
Starter motor asm, *
|
3085393 |
— | ||
|
2
|
2
3083649 Nut, flange(10)10; |
3083649 |
US $1.89 |
||
|
3
|
3
3083648 O ring |
3083648 |
US $2.45 |
||
|
4
|
4
3083647
Gear shaft asm.
|
3083647 |
— | ||
| replacement | |||||
|
4
|
4
3087030
Asm., gear shaft
|
3087030 |
— | ||
|
5
|
5
3081663 Asm,,bolt & washer |
3081663 |
US $1.49 |
||
|
6
|
6
3083650
Bracket
|
3083650 |
— | ||
|
7
|
7
3083651
Bolt&washer
|
3083651 |
— | ||