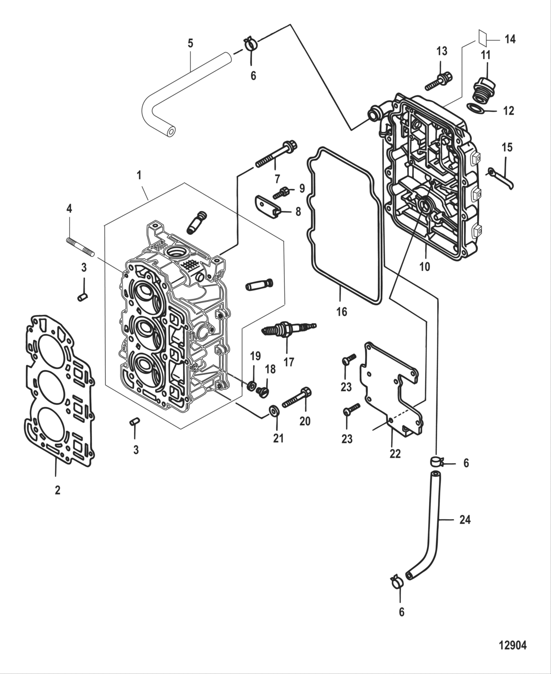
Cylinder Head Diagram Mercury-Mercruiser F25
- Power
- 25
- Stroke (2-stroke or 4-stroke)
- 4 stroke
- Country
- USA
- Серийный номер
- 0R106999 & Up
- Кол-в цилиндров
- 3
- Подача топлива
- EFI
Difficulties in parts search?
Difficulties in parts search?
| Description | OEM Part # | Price | |||
|---|---|---|---|---|---|
|
1
|
1
898101T39 New Genuine Part[0R685370] & Below |
898101T39 |
US $1,200.40 |
||
|
1
|
1
8M0123811 Cylinder Head[0R685371] THRU [0R821955] |
8M0123811 |
US $1,118.08 |
||
|
1
|
1
8M0138727
Cylinder Head
25 HP [0R821956] & Up |
8M0138727 |
— | ||
|
1
|
1
8M0138729
Cylinder Head
30 HP [0R821956] & Up |
8M0138729 |
— | ||
|
2
|
2
898101T41 Gasket, cylinder head |
898101T41 |
US $126.19 |
||
|
3
|
3
16119 Pin, dowel |
16119 |
US $6.72 |
||
|
4
|
4
898101190 Stud |
898101190 |
US $9.97 |
||
|
5
|
5
898101020 Hose, breather, to intake silencer |
898101020 |
US $41.17 |
||
|
6
|
6
803525001 Clip |
803525001 |
US $4.75 |
||
| replacement | |||||
|
6
|
6
803525003 CLIP |
803525003 |
US $4.75 |
||
|
7
|
7
855677002 Bolt |
855677002 |
US $4.64 |
||
|
8
|
8
853756001 New Genuine Part |
853756001 |
US $4.06 |
||
|
9
|
9
823042038 Bolt |
823042038 |
US $6.68 |
||
| replacement | |||||
|
9
|
9
879194248 Bolt |
879194248 |
US $5.46 |
||
|
10
|
10
898101T40 New Genuine Part |
898101T40 |
US $185.66 |
||
|
11
|
11
859578A02 New Genuine Part |
859578A02 |
US $7.18 |
||
|
12
|
12
803513007 O-ring |
803513007 |
US $2.78 |
||
|
13
|
13
16830A1 Screw Kit |
16830A1 |
US $4.40 |
||
|
14
|
14
NSS
Not Sold Separate O-Ring
|
NSS |
— | ||
|
15
|
15
8035631 Clamp |
8035631 |
US $4.99 |
||
| replacement | |||||
|
15
|
15
803563005 Clamp |
803563005 |
US $4.99 |
||
|
16
|
16
803508T18 Gasket |
803508T18 |
US $23.66 |
||
|
17
|
17
803507 Spark plug, ngk#dcpr6e |
803507 |
US $11.03 |
||
|
18
|
18
953683 Oil plug |
953683 |
US $9.28 |
||
|
19
|
19
95220
Gasket, oil plug
|
95220 |
— | ||
|
20
|
20
853531001 Bolt |
853531001 |
US $3.71 |
||
|
21
|
21
895106 Washer, stainless steel |
895106 |
US $2.90 |
||
| replacement | |||||
|
21
|
21
16826 Washer, stainless steel |
16826 |
US $3.40 |
||
|
22
|
22
834974001 Plate-breather |
834974001 |
US $12.06 |
||
|
23
|
23
898101162 Screw |
898101162 |
US $3.25 |
||
|
24
|
24
812940007
Hose, rubber , to adaptor plate
|
812940007 |
— | ||
| replacement | |||||
|
24
|
24
8M0057121
ORD 32-8M0093642
|
8M0057121 |
— | ||
|
NI
|
NI
898103T33 New Genuine Part30 Horsepower [0R122288] & Below |
898103T33 |
US $5,681.01 |
||
| replacement | |||||
|
NI
|
NI
889246T30 PH 30 4S30 Horsepower [0R122288] & Below |
889246T30 |
US $5,681.01 |
||
|
NI
|
NI
898103A87 New Genuine Part30 Horsepower [0R122289] THRU [0R685370] |
898103A87 |
US $5,681.01 |
||
| replacement | |||||
|
NI
|
NI
889246T30 PH 30 4S30 Horsepower [0R122289] THRU [0R685370] |
889246T30 |
US $5,681.01 |
||
|
NI
|
NI
8M0123817
Short Block
30 Horsepower [0R685371] & Up |
8M0123817 |
— | ||
| replacement | |||||
|
NI
|
NI
8M0138733
SHORT BLOCK
30 Horsepower [0R685371] & Up |
8M0138733 |
— | ||
|
NI
|
NI
898103T34 New Genuine Part25 Horsepower [0R685370] & Below |
898103T34 |
US $5,382.86 |
||
|
NI
|
NI
8M0123819
Short Block
25 Horsepower [0R685371] & Up |
8M0123819 |
— | ||
| replacement | |||||
|
NI
|
NI
8M0138735
SHORT BLOCK
25 Horsepower [0R685371] & Up |
8M0138735 |
— | ||
|
NI
|
NI
898101A06 Gasket set, powerhead |
898101A06 |
US $259.37 |
||
| replacement | |||||
|
NI
|
NI
8M0079064 GASKET SET |
8M0079064 |
US $272.11 |
||