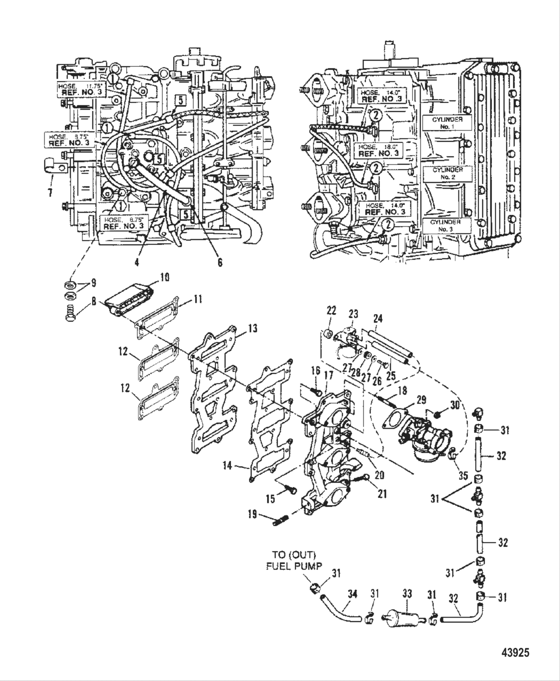
Reed Plate And Recirculation System 0E065372 Thru 0E093699 Diagram Mercury-Mercruiser Force90
- Year
- 1991-1992
- Power
- 90
- Stroke (2-stroke or 4-stroke)
- 2 stroke
- Country
- USA
- Серийный номер
- 1991E THRU 1992C
- Кол-в цилиндров
- 3
- Подача топлива
- Карбюратор
Difficulties in parts search?
Difficulties in parts search?
| Description | OEM Part # | Price | |||
|---|---|---|---|---|---|
|
1
|
1
F743314
Elbow Recirculating
|
F743314 |
— | ||
|
2
|
2
42658 Check valve |
42658 |
US $14.14 |
||
| replacement | |||||
|
2
|
2
426585
Check valve
|
426585 |
— | ||
|
3
|
3
99130122 Hose, bleed drain |
99130122 |
US $59.04 |
||
| replacement | |||||
|
3
|
3
892024122
Tubing,
|
892024122 |
— | ||
|
4
|
4
99127109 Fuel line |
99127109 |
US $54.61 |
||
| replacement | |||||
|
4
|
4
8M0108355 Hose (57 Inches Bulk) To Vapor Separator Cover - Cut To 18 Inches |
8M0108355 |
US $54.61 |
||
|
5
|
5
820706 Elbow (T) |
820706 |
US $27.66 |
||
| replacement | |||||
|
5
|
5
8207061
Fitting (T)
|
8207061 |
— | ||
|
6
|
6
99664 Elbow, tell tale - hose to cylinder block |
99664 |
US $2.21 |
||
| replacement | |||||
|
6
|
6
996642 Fitting, elbow 90 degree nylon |
996642 |
US $2.21 |
||
|
7
|
7
55098 J clip |
55098 |
US $4.40 |
||
|
8
|
8
28636 Scerw, cover |
28636 |
US $2.09 |
||
|
9
|
9
78968 Lockwasher, internal , hydraulic connector to gimbal housing stud |
78968 |
US $1.62 |
||
|
10
|
10
11645 New Genuine Part |
11645 |
US $151.33 |
||
| replacement | |||||
|
10
|
10
855952T3 New Genuine Part |
855952T3 |
US $151.33 |
||
|
11
|
11
F851682 Gasket Top |
F851682 |
US $4.34 |
||
|
12
|
12
819733 Gasket Center/bottom |
819733 |
US $3.47 |
||
|
13
|
13
8197351
New Genuine Part
|
8197351 |
— | ||
|
14
|
14
F851591 Gasket Intake Manifold |
F851591 |
US $9.28 |
||
|
15
|
15
F2030 Screw (.250-20 X 1.250) Stainless Steel |
F2030 |
US $3.01 |
||
|
16
|
16
F1532 Screw (.250-20 X 1.00) |
F1532 |
US $1.62 |
||
| replacement | |||||
|
16
|
16
819110100 Screw (.250-20 X 1.00) |
819110100 |
US $1.62 |
||
|
17
|
17
825195A1
New Genuine Part
|
825195A1 |
— | ||
| replacement | |||||
|
17
|
17
825195A2
N.l.a.
|
825195A2 |
— | ||
|
18
|
18
826388
Stud (.312-18 X 1.250)
|
826388 |
— | ||
| replacement | |||||
|
18
|
18
8263881
Stud (.312-18 X 1.250) With Dri Lok
|
8263881 |
— | ||
|
19
|
19
826389
Stud (.250-20 X 1.250)
|
826389 |
— | ||
| replacement | |||||
|
19
|
19
F4332091
Stud (.250-20 X 1.250)
|
F4332091 |
— | ||
|
20
|
20
F695858
Fitting
|
F695858 |
— | ||
|
21
|
21
F2050
Screw (.250-20 X 1.500)
|
F2050 |
— | ||
| replacement | |||||
|
21
|
21
819110150
Screw (.250-20 X 1.500)
|
819110150 |
— | ||
|
22
|
22
F694359
Spacer
|
F694359 |
— | ||
|
23
|
23
819503 Solenoid |
819503 |
US $219.44 |
||
| replacement | |||||
|
23
|
23
819503T6 SOLENOID |
819503T6 |
US $219.44 |
||
|
24
|
24
9912688 Hose, bleed drain |
9912688 |
US $31.42 |
||
|
25
|
25
9912688 Hose, bleed drain |
9912688 |
US $31.42 |
||
|
26
|
26
28636 Scerw, cover |
28636 |
US $2.09 |
||
|
27
|
27
35044 Washer, stainless steel |
35044 |
US $1.97 |
||
|
28
|
28
F694504 Grommet |
F694504 |
US $5.79 |
||
|
29
|
29
F85906 Gasket |
F85906 |
US $1.50 |
||
| replacement | |||||
|
29
|
29
828925 Gasket Carburetor |
828925 |
US $1.50 |
||
|
30
|
30
68292 Nut |
68292 |
US $3.36 |
||
|
31
|
31
816311 Tie strap, |
816311 |
US $0.51 |
||
| replacement | |||||
|
31
|
31
816311T Tie Strap (8.00 Inches) |
816311T |
US $0.51 |
||
|
32
|
32
99127109 Fuel line |
99127109 |
US $54.61 |
||
| replacement | |||||
|
32
|
32
8M0108355 Hose (57 Inches Bulk) To Vapor Separator Cover - Cut To 18 Inches |
8M0108355 |
US $54.61 |
||
|
33
|
33
816296 Fuel filter |
816296 |
US $9.39 |
||
| replacement | |||||
|
33
|
33
816296Q03 FILTER-FUEL @3 |
816296Q03 |
US $9.39 |
||
|
34
|
34
99127109 Fuel line |
99127109 |
US $54.61 |
||
| replacement | |||||
|
34
|
34
8M0108355 Hose (57 Inches Bulk) To Vapor Separator Cover - Cut To 18 Inches |
8M0108355 |
US $54.61 |
||
|
35
|
35
56762 New Genuine Part |
56762 |
US $0.35 |
||