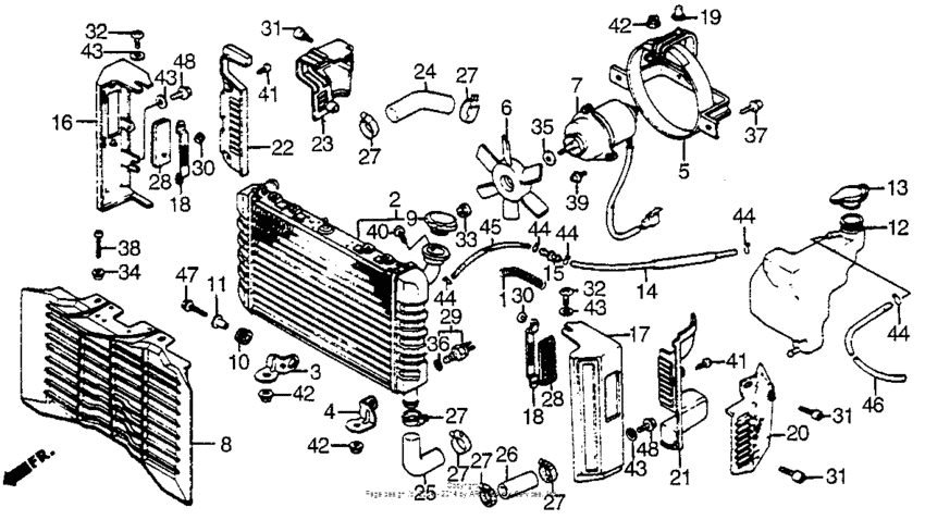
Radiator Diagram Honda VF500 Magna V30
- Year
- 1985
- Model code
- VF500C A
- Sales region
- USA
- Frame
- JH2PC130*FM100001 - JH2PC130*FM107580
- Engine Capacity
- 500
Difficulties in parts search?
Difficulties in parts search?
| Description | OEM Part # | Price | |||
|---|---|---|---|---|---|
|
1
|
1
16715-MJ8-000
Spring, tube cover
|
16715-MJ8-000 |
— | ||
|
2
|
2
19010-MJ8-003
Radiator comp.
|
19010-MJ8-003 |
— | ||
|
3
|
3
19013-MJ8-003
Bracket, r. radiator
|
19013-MJ8-003 |
— | ||
|
4
|
4
19014-MJ8-003
Bracket, l. radiator
|
19014-MJ8-003 |
— | ||
|
5
|
5
19020-MJ8-003
Shroud comp.
|
19020-MJ8-003 |
— | ||
|
6
|
6
19025-MJ8-003
Fan,cooling
|
19025-MJ8-003 |
— | ||
|
7
|
7
19030-MJ8-013
Motor, fan
|
19030-MJ8-013 |
— | ||
|
8
|
8
19032-MJ8-000
Grill,radiator
|
19032-MJ8-000 |
— | ||
|
9
|
9
19045-MB0-702 Cap comp., radiator (toyo) |
19045-MB0-702 |
US $27.10 |
||
| replacement | |||||
|
9
|
9
19045-MZ3-405 Cap, radiator |
19045-MZ3-405 |
from US $38.22 |
||
|
10
|
10
19051-MB4-880 Rubber, canister mounting |
19051-MB4-880 |
from US $2.39 |
||
|
11
|
11
19052-MB4-880 Collar, canister mounting |
19052-MB4-880 |
from US $3.85 |
||
|
12
|
12
19101-MJ8-000
Tank, reserve
|
19101-MJ8-000 |
— | ||
|
13
|
13
19104-MB0-700 Cap, reserve tank |
19104-MB0-700 |
from US $5.27 |
||
|
14
|
14
19105-MJ8-000
Tube, reserve tank
|
19105-MJ8-000 |
— | ||
|
15
|
15
19106-MJ8-000 Joint, overflow tube |
19106-MJ8-000 |
from US $4.40 |
||
|
16
|
16
19110-MJ8-000
Cover,r rad.side
|
19110-MJ8-000 |
— | ||
|
17
|
17
19111-MJ8-000
Cover,l rad.side
|
19111-MJ8-000 |
— | ||
|
18
|
18
19112-MJ8-300 Plate,side rr set |
19112-MJ8-300 |
US $6.04 |
||
|
19
|
19
19113-MB1-870 Rubber |
19113-MB1-870 |
from US $1.80 |
||
|
20
|
20
19117-MJ8-000 Cover,fan motor |
19117-MJ8-000 |
US $11.73 |
||
|
21
|
21
19118-MJ8-000
Cover l,rr.rad.
|
19118-MJ8-000 |
— | ||
|
22
|
22
19119-MJ8-000
Cover r,rr rad.
|
19119-MJ8-000 |
— | ||
|
23
|
23
19120-MJ8-000
Cover,themo.side
|
19120-MJ8-000 |
— | ||
|
24
|
24
19501-MJ8-000
Hose a.water
|
19501-MJ8-000 |
— | ||
|
25
|
25
19502-MJ8-000
Hose b.,water
|
19502-MJ8-000 |
— | ||
|
26
|
26
19504-MJ8-000
Hose d,radiator
|
19504-MJ8-000 |
— | ||
|
27
|
27
19503-MB1-870 Clamp, water hose |
19503-MB1-870 |
from US $10.66 |
||
|
28
|
28
33741-MB3-671
Reflex refl.fr.
|
33741-MB3-671 |
— | ||
|
29
|
29
37760-MB4-770
Sw.assy.thermo
|
37760-MB4-770 |
— | ||
|
30
|
30
77201-ME5-000 Clip,rr cowl set |
77201-ME5-000 |
US $2.70 |
||
|
31
|
31
90104-MJ8-000
Bolt.socket 5x12
|
90104-MJ8-000 |
— | ||
|
32
|
32
90190-MJ8-000 Screw,specia.6x10 |
90190-MJ8-000 |
US $2.03 |
||
|
33
|
33
90311-MB6-003 Nut toothed 5mm |
90311-MB6-003 |
from US $3.09 |
||
|
34
|
34
90506-425-000 Washer, rr. cover |
90506-425-000 |
from US $2.89 |
||
|
35
|
35
90511-MB6-003 Washer, plain (7mm) |
90511-MB6-003 |
US $1.63 |
||
|
36
|
36
91307-PH7-660 O-ring13.5X1.4 |
91307-PH7-660 |
from US $2.44 |
||
|
37
|
37
95701-060-120-0 BoltFLANGE, 6X12 |
95701-060-120-0 |
from US $0.52 |
||
|
38
|
38
93500-060-100-G Screw,pan,6x10 |
93500-060-100-G |
from US $0.44 |
||
|
39
|
39
93891-040-160-7 Screw-washer4X16 |
93891-040-160-7 |
from US $0.44 |
||
|
40
|
40
93901-22180 ScrewTAPPING, 3X8 |
93901-22180 |
from US $0.37 |
||
|
41
|
41
93903-24280 ScrewTAPPING, 4X10 Use up to Frame SN FM102172 |
93903-24280 |
from US $0.37 |
||
|
41
|
41
93903-24380 ScrewTAPPING, 4X12 Use from Frame SN FM102173 |
93903-24380 |
from US $0.37 |
||
|
42
|
42
94050-06080 NutFLANGE, 6MM |
94050-06080 |
from US $0.52 |
||
|
43
|
43
94101-06700 WasherPLAIN, 6MM |
94101-06700 |
from US $0.37 |
||
|
44
|
44
95002-70000 ClipTUBE (C11) |
95002-70000 |
from US $0.44 |
||
|
45
|
45
95005-700-0330M Bulk hose (7x3000) |
95005-700-0330M |
from US $17 |
||
|
46
|
46
95005-700-0330M Bulk hose (7x3000) |
95005-700-0330M |
from US $17 |
||
|
47
|
47
95701-060-200-7 BoltFLANGE, 6X20 |
95701-060-200-7 |
from US $0.58 |
||
|
48
|
48
96001-060-100-7 BoltFLANGE, 6X10 |
96001-060-100-7 |
from US $0.52 |
||