Electrical (Vl800Bl4 E33) Diagram Suzuki VL800 Boulevard C50 B.O.S.S.
- Year
- 2014
- Model code
- VL800BL4
- Sales region
- USA/ Canada
- Engine Capacity
- 800
- Model
- VL800B
Difficulties in parts search?
Difficulties in parts search?
| Description | OEM Part # | Price | |||
|---|---|---|---|---|---|
|
1
|
1
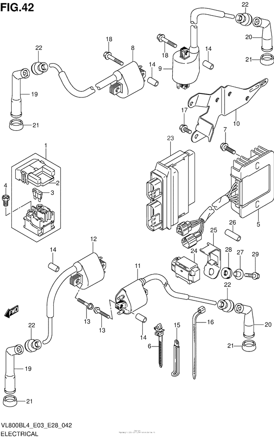
31800-21E20-000
RELAY ASSY,STARTING MOTOR
|
31800-21E20-000 |
— | ||
| replacement | |||||
|
1
|
1
31800-21E30-000 Relay Assy,starting Motor |
31800-21E30-000 |
from US $58.80 |
||
|
2
|
2
31861-47E00-000 COVER |
31861-47E00-000 |
from US $7.91 |
||
|
3
|
3
09481-30101-000 FUSE(30A) |
09481-30101-000 |
from US $1.22 |
||
|
4
|
4
09128-06013-000 SCREW(6X8)Screw |
09128-06013-000 |
from US $1.94 |
||
|
5
|
5
32800-47H00-000 Rectifier Assy |
32800-47H00-000 |
from US $264.48 |
||
|
6
|
6
09407-11402-000 CLAMP(L:90) |
09407-11402-000 |
from US $1.75 |
||
| replacement | |||||
|
6
|
6
09407-17402-000 CLAMP |
09407-17402-000 |
from US $1.98 |
||
|
7
|
7
02162-0620B-000 SCREWBolt, rectifier |
02162-0620B-000 |
from US $3.23 |
||
|
8
|
8
33410-39G00-000 COIL ASSY,IGNITION RR |
33410-39G00-000 |
from US $64.77 |
||
|
9
|
9
33410-39G10-000 COIL ASSY,IGNITION RR |
33410-39G10-000 |
from US $64.77 |
||
|
10
|
10
33414-39G00-000 BRACKET,IGNITION COIL RR |
33414-39G00-000 |
from US $10.67 |
||
|
11
|
11
33420-39G00-000 COIL ASSY,IGNITION FR |
33420-39G00-000 |
from US $64.77 |
||
|
12
|
12
33420-41F10-000
COIL ASSY,IGNITION
|
33420-41F10-000 |
— | ||
| replacement | |||||
|
12
|
12
33420-41F11-000 Coil Assy,ignition |
33420-41F11-000 |
from US $52 |
||
|
13
|
13
09106-05033-000 BOLT(5X35) |
09106-05033-000 |
from US $4.76 |
||
|
14
|
14
09180-06195-000 SPACER(6.4X10X18)Spacer (6.4x10x18) |
09180-06195-000 |
from US $1.76 |
||
|
15
|
15
09404-06434-000
CLAMP(L:80 T:1.0)
|
09404-06434-000 |
— | ||
| replacement | |||||
|
15
|
15
09404-06036-000 Clamp(L:80) |
09404-06036-000 |
from US $1.82 |
||
|
16
|
16
09407-19401-000 CLAMP(L:190) |
09407-19401-000 |
from US $4.17 |
||
|
17
|
17
01547-0610A-000 Bolt |
01547-0610A-000 |
from US $0.80 |
||
|
18
|
18
01547-0635A-000 BOLT |
01547-0635A-000 |
from US $0.96 |
||
|
19
|
19
33510-11410-000 Cap,spark plugCap, spark plug |
33510-11410-000 |
from US $28.16 |
||
|
20
|
20
33510-38B00-000 Cap,spark plugCap assy, spark plug |
33510-38B00-000 |
from US $28 |
||
|
21
|
21
33541-47D00-000 SEAL,SPARK PLUGSeal, spark plug |
33541-47D00-000 |
from US $4.26 |
||
|
22
|
22
33542-38B00-000 SEAL,HIGH TENSION CORDSeal, hightension cord |
33542-38B00-000 |
from US $1.52 |
||
|
23
|
23
32920-39GJ0-000 CONTROL UNIT,FI |
32920-39GJ0-000 |
from US $925.76 |
||
|
24
|
24
33960-06G10-000 SENSOR ASSY,FUEL CUT |
33960-06G10-000 |
from US $60.04 |
||
|
25
|
25
33961-41F00-000 BRACKET,FUEL CUT SENSORBracket, fuel cut sensor |
33961-41F00-000 |
US $2.80 |
||
|
26
|
26
44420-44AR0-000 HOSE SET,FUEL |
44420-44AR0-000 |
US $11.95 |
||
|
27
|
27
09180-06325-000 SPACER(6.2X8.4X6.9) |
09180-06325-000 |
from US $1.82 |
||
|
28
|
28
09320-06017-000
CUSHION
|
09320-06017-000 |
— | ||
| replacement | |||||
|
28
|
28
09320-08516-000 Cushion(8X18X5.8) |
09320-08516-000 |
from US $3.35 |
||
|
29
|
29
01547-0616A-000 BOLT |
01547-0616A-000 |
from US $0.76 |
||