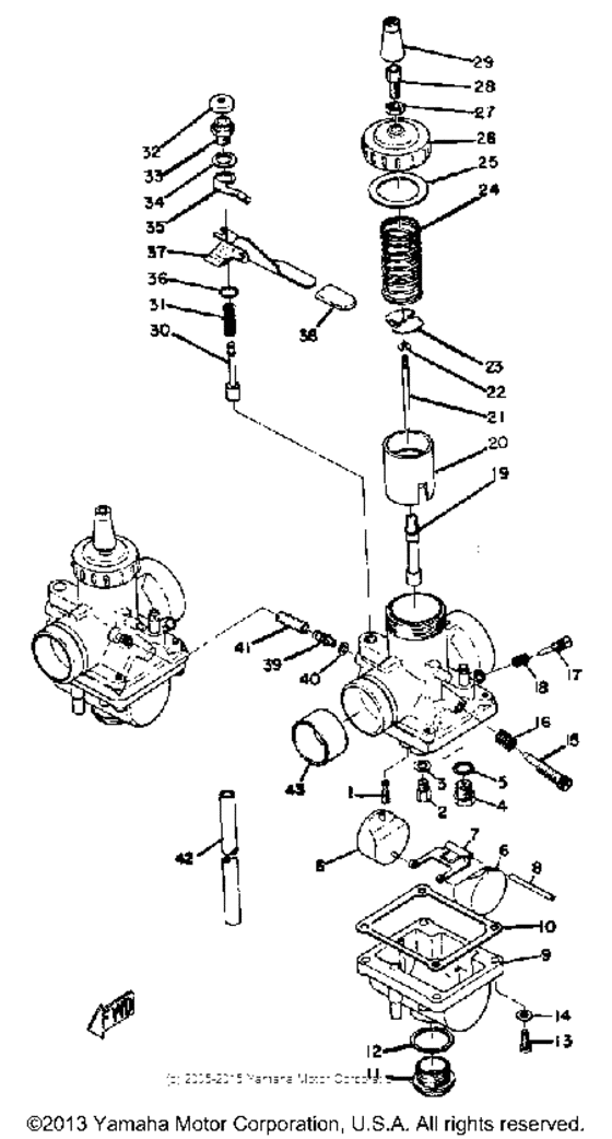
Carburetor Diagram Yamaha R3/ R5
- Year
- 1970
- Sales region
- USA
- Engine Capacity
- 500
- Model
- R5
Difficulties in parts search?
Difficulties in parts search?
| Description | OEM Part # | Price | |||
|---|---|---|---|---|---|
|
1
|
1
193-14142-30-A0 Jet, Pilot #30 (#30)#30 #30 |
193-14142-30-A0 |
from US $11.12 |
||
|
1
|
1
278-14101-01-00
Carburetor Assembly 1
|
278-14101-01-00 |
— | ||
|
1
|
1
193-14142-40-A1
Jet, Pilot(#40)
|
193-14142-40-A1 |
— | ||
|
1
|
1
278-14183-00-00
Body, Float Chmbr 2
|
278-14183-00-00 |
— | ||
|
1
|
1
278-14113-20-00
Valve, Throttle 2
|
278-14113-20-00 |
— | ||
|
2
|
2
137-14143-22-A0 Jet, Main #110Jet, main (110) #110 R5B |
137-14143-22-A0 |
from US $10.37 |
||
|
2
|
2
137-14143-20-00 Jet, Main (#100)#100 U.R. |
137-14143-20-00 |
from US $10.35 |
||
|
2
|
2
278-14102-01-00
Carburetor Assembly 2
|
278-14102-01-00 |
— | ||
|
2
|
2
137-14143-26-A0 Jet, Main #130Jet, main (130) |
137-14143-26-A0 |
from US $9.95 |
||
|
2
|
2
137-14143-24-00 Jet, Main (#120)Jet, main (120) #120 #120 UR STD R5C |
137-14143-24-00 |
from US $7.36 |
||
|
3
|
3
137-14153-00-00 Washer,main Jet |
137-14153-00-00 |
from US $2.98 |
||
|
4
|
4
168-14190-20-00 Valve, Seat Assy |
168-14190-20-00 |
from US $38.77 |
||
|
5
|
5
127-14195-00-00 Washer, Needle Valve |
127-14195-00-00 |
from US $2.98 |
||
|
6
|
6
280-14185-00-00
Float
|
280-14185-00-00 |
— | ||
|
7
|
7
280-14187-00-00
Arm, Float
|
280-14187-00-00 |
— | ||
|
8
|
8
127-14186-00-00 Pin, Float |
127-14186-00-00 |
from US $2.98 |
||
|
9
|
9
278-14181-00-00
Body, Float Chmbr 1
|
278-14181-00-00 |
— | ||
|
10
|
10
278-14184-00-00
Gasket, Float Chamber
|
278-14184-00-00 |
— | ||
|
11
|
11
278-14115-00-00
Plug, Screw
|
278-14115-00-00 |
— | ||
|
12
|
12
278-14117-00-00 Washer, Screw Plug |
278-14117-00-00 |
from US $5.81 |
||
|
13
|
13
985-03040-14-00
Screw, Pan Head
|
985-03040-14-00 |
— | ||
| replacement | |||||
|
13
|
13
98580-04014-00 Screw, Pan Head |
98580-04014-00 |
from US $1.42 |
||
|
14
|
14
929-01046-00-00
Washer
|
929-01046-00-00 |
— | ||
| replacement | |||||
|
14
|
14
929-90046-00-00 Washer, Plate |
929-90046-00-00 |
from US $1.07 |
||
|
15
|
15
24X-14103-00-00
Throttle Screw Set
|
24X-14103-00-00 |
— | ||
| replacement | |||||
|
15
|
15
40T-14103-00-00 Throttle Screw Set |
40T-14103-00-00 |
from US $18.28 |
||
|
16
|
16
127-14134-00-00 Spring, Air Adj |
127-14134-00-00 |
from US $9.49 |
||
|
17
|
17
23X-14104-00-00 Air Screw Set |
23X-14104-00-00 |
from US $10.39 |
||
|
18
|
18
137-14133-00-00 Spring, Throttle Stop |
137-14133-00-00 |
from US $5.10 |
||
|
19
|
19
278-14141-30-00
Nozzle, Main
|
278-14141-30-00 |
— | ||
|
19
|
19
278-14141-34-00
Nozzle, Main
|
278-14141-34-00 |
— | ||
|
20
|
20
278-14112-20-00
Valve, Throttle 1
|
278-14112-20-00 |
— | ||
|
21
|
21
168-14116-07-00
Needle
|
168-14116-07-00 |
— | ||
|
22
|
22
164-14137-00-00
Clip
|
164-14137-00-00 |
— | ||
| replacement | |||||
|
22
|
22
3FA-14137-00-00 Clip |
3FA-14137-00-00 |
from US $2.69 |
||
|
23
|
23
256-14936-00-00
Seat, Spring
|
256-14936-00-00 |
— | ||
| replacement | |||||
|
23
|
23
999-99999-99-00
Not Available
|
999-99999-99-00 |
— | ||
|
24
|
24
204-14131-00-00
Spring, Thrtl Valve
|
204-14131-00-00 |
— | ||
|
25
|
25
246-14126-00-00 Gasket |
246-14126-00-00 |
from US $5.81 |
||
|
26
|
26
802-14158-00-00
Top, Mixing Chamber
|
802-14158-00-00 |
— | ||
|
27
|
27
802-14161-00-00 Nut, Cable Adjusting |
802-14161-00-00 |
from US $2 |
||
|
28
|
28
12G-14106-00-00 Cble Adjust Screw Set |
12G-14106-00-00 |
from US $10.63 |
||
|
29
|
29
802-14169-00-00 Cap |
802-14169-00-00 |
from US $5.81 |
||
| replacement | |||||
|
29
|
29
8A7-14169-00-00 Cap |
8A7-14169-00-00 |
from US $5.81 |
||
|
30
|
30
278-14171-00-00 Plunger, Starter |
278-14171-00-00 |
US $32.40 |
||
|
31
|
31
256-14135-00-00
Coil, Spring
|
256-14135-00-00 |
— | ||
|
32
|
32
802-14173-00-00
Cover, Plunger Cap
|
802-14173-00-00 |
— | ||
|
33
|
33
278-14174-00-00
Cap, Plunger
|
278-14174-00-00 |
— | ||
|
34
|
34
132-14179-00-00
Washer, Starter Lvr
|
132-14179-00-00 |
— | ||
|
35
|
35
170-14178-00-00
Plate, Starter Lever
|
170-14178-00-00 |
— | ||
|
36
|
36
93220-09001-00 O-Ring |
93220-09001-00 |
from US $6.28 |
||
|
37
|
37
360-14175-00-00
Lever, Starter Lh
LH |
360-14175-00-00 |
— | ||
|
38
|
38
278-14169-00-00
Cap
|
278-14169-00-00 |
— | ||
|
39
|
39
278-14251-00-00
Nipple
|
278-14251-00-00 |
— | ||
|
40
|
40
278-14151-00-00
Washer, Needle
|
278-14151-00-00 |
— | ||
|
41
|
41
90445-09055-00 Hose (L420) |
90445-09055-00 |
from US $6.52 |
||
| replacement | |||||
|
41
|
41
904-45092-K1-00 Hose (L420) |
904-45092-K1-00 |
from US $4.96 |
||
|
42
|
42
278-14197-00-00 Pipe, Air Vent |
278-14197-00-00 |
from US $12.20 |
||
| replacement | |||||
|
42
|
42
3XV-14348-20-00 Pipe 1 |
3XV-14348-20-00 |
from US $21.10 |
||
|
43
|
43
168-14156-00-00
Gasket, Insulating
|
168-14156-00-00 |
— | ||