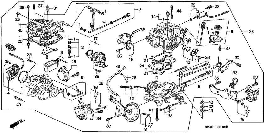
Carburetor Diagram Honda ACCORD
- Year
- 1992
- Model code
- ACCORD
- Sales region
- General
- Engine
- F20A
- transmission
- 5MT
- Number of doors
- 4
- grade
- 2.0
- area code
- KS
- left-hand drive
- +
- catalyst
- +
- made in japan
- +
Difficulties in parts search?
Difficulties in parts search?
| Description | OEM Part # | Price | |||
|---|---|---|---|---|---|
|
1
|
1
16010-PT1-000
Gasket set
|
16010-PT1-000 |
— | ||
|
2
|
2
16011-PT1-000
Valve set
|
16011-PT1-000 |
— | ||
|
3
|
3
16013-PG6-005
Float set
|
16013-PG6-005 |
— | ||
|
4
|
4
16014-PT1-X01
Cap set
|
16014-PT1-X01 |
— | ||
|
5
|
5
16016-PT1-X00
Screw set
|
16016-PT1-X00 |
— | ||
|
6
|
6
16017-PE0-701
Rod set
|
16017-PE0-701 |
— | ||
|
7
|
7
16019-PH1-601
Rod set
|
16019-PH1-601 |
— | ||
|
8
|
8
16020-PT1-000
Diaphragm set
|
16020-PT1-000 |
— | ||
|
9
|
9
16021-PT1-000
Diaphragm set
|
16021-PT1-000 |
— | ||
|
10
|
10
16028-PH2-921
Screw set b
|
16028-PH2-921 |
— | ||
|
11
|
11
16028-PT1-X00
Screw set b
|
16028-PT1-X00 |
— | ||
|
12
|
12
16037-PE0-921
Plate
|
16037-PE0-921 |
— | ||
|
13
|
13
16039-PE0-701
Screw set
|
16039-PE0-701 |
— | ||
|
14
|
14
16041-PE1-761
Economizer set
|
16041-PE1-761 |
— | ||
|
15
|
15
16042-PJ7-005
Diaphragm set
|
16042-PJ7-005 |
— | ||
|
16
|
16
16043-PT1-X00
Diaphragm set
|
16043-PT1-X00 |
— | ||
|
17
|
17
16044-PT0-B00
Diaphragm set
|
16044-PT0-B00 |
— | ||
|
18
|
18
16045-PT1-000
Diaphragm set
|
16045-PT1-000 |
— | ||
|
19
|
19
16046-PT1-000
Cover set
|
16046-PT1-000 |
— | ||
|
20
|
20
16077-PT1-000
Gasket
|
16077-PT1-000 |
— | ||
|
21
|
21
16079-PT1-000
Gasket
|
16079-PT1-000 |
— | ||
|
22
|
22
16081-PH5-005
Bolt-washer
|
16081-PH5-005 |
— | ||
|
23
|
23
16081-PT0-000
Bolt
|
16081-PT0-000 |
— | ||
|
24
|
24
16093-PT1-000
Gasket
|
16093-PT1-000 |
— | ||
|
25
|
25
16097-PE0-922
Cap
|
16097-PE0-922 |
— | ||
|
26
|
26
16100-PT1-X01
Carburetor assy
|
16100-PT1-X01 |
— | ||
|
27
|
27
16181-PC3-781
Pin
|
16181-PC3-781 |
— | ||
|
28
|
28
16199-PG6-005
Tube
|
16199-PG6-005 |
— | ||
|
29
|
29
16230-PT1-010
Valve
|
16230-PT1-010 |
— | ||
|
30
|
30
17148-MC7-003
Bolt-washer
|
17148-MC7-003 |
— | ||
|
31
|
31
90085-PE0-300
Bolt
|
90085-PE0-300 |
— | ||
|
32
|
32
90409-657-000
Washer
|
90409-657-000 |
— | ||
|
33
|
33
91567-SE0-003 BandWIRE HARNESS(WHITE) (93.5MM) |
91567-SE0-003 |
from US $3.08 |
||
|
34
|
34
93500-050-120-H ScrewPAN, 5X12 |
93500-050-120-H |
from US $0.37 |
||
|
35
|
35
93500-050-161-H ScrewPAN, 5X16 |
93500-050-161-H |
US $0.37 |
||
|
36
|
36
93892-050-101-8 Screw-washer5X10 |
93892-050-101-8 |
from US $0.44 |
||
|
37
|
37
93892-050-161-8 Screw-washer5X16 |
93892-050-161-8 |
from US $0.44 |
||
| replacement | |||||
|
37
|
37
93892-050-160-8 Screw-washer5X16 |
93892-050-160-8 |
from US $0.44 |
||
|
38
|
38
93892-050-201-8 Screw-washer5X20 |
93892-050-201-8 |
from US $0.44 |
||
| replacement | |||||
|
38
|
38
93892-050-200-8 Screw-washer5X20 |
93892-050-200-8 |
from US $0.47 |
||
|
39
|
39
93892-050-301-8 Screw-washer5X30 |
93892-050-301-8 |
from US $0.52 |
||
|
40
|
40
93892-050-401-8 Screw-washer5X40 |
93892-050-401-8 |
US $0.52 |
||
| replacement | |||||
|
40
|
40
93892-050-400-8 Screw-washer5X40 |
93892-050-400-8 |
US $0.52 |
||
|
41
|
41
93892-060-401-8
Screw-washer
|
93892-060-401-8 |
— | ||
| replacement | |||||
|
41
|
41
93892-060-400-8 Screw-washer6X40 |
93892-060-400-8 |
US $0.62 |
||
|
42
|
42
94002-080-800-S NutHEX., 8MM |
94002-080-800-S |
from US $0.49 |
||
| replacement | |||||
|
42
|
42
94002-080-000-S NutHEX., 8MM |
94002-080-000-S |
from US $0.44 |
||
|
43
|
43
94101-08800 WasherPLAIN, 8MM |
94101-08800 |
from US $0.37 |
||
|
44
|
44
99104-PJ7-0500
Jet
|
99104-PJ7-0500 |
— | ||
|
45
|
45
99105-PH2-0650 JetMAIN AIR, #65 |
99105-PH2-0650 |
US $6.51 |
||
|
46
|
46
99113-PT1-0000 JetSECONDARY LEAK |
99113-PT1-0000 |
US $6.51 |
||