Alternator (DENSO) Diagram Honda ACCORD
- Year
- 1997
- Model code
- ACCORD
- Sales region
- General
- Engine
- H22A
- transmission
- 4AT
- Number of doors
- 4
- grade
- SIR
- abs
- +
- area code
- KU
- right-hand drive
- +
- sunroof
- +
- leather seat
- +
- srs driver & passenger
- +
Difficulties in parts search?
Difficulties in parts search?
| Description | OEM Part # | Price | |||
|---|---|---|---|---|---|
|
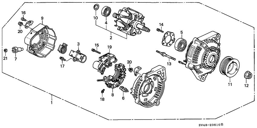
1
|
1
31100-P13-013
Alternator assy
|
31100-P13-013 |
— | ||
|
2
|
2
31101-PT2-N91
Rotor assy.
|
31101-PT2-N91 |
— | ||
|
3
|
3
31105-PR7-A01 Holder assy.BRUSH |
31105-PR7-A01 |
from US $20.40 |
||
|
4
|
4
31111-PT0-003 BearingRR. GENERATOR |
31111-PT0-003 |
from US $14.69 |
||
|
5
|
5
31114-PT0-013 BearingFR. GENERATOR |
31114-PT0-013 |
from US $15.50 |
||
|
6
|
6
31118-PT0-003 BushINSULATION |
31118-PT0-003 |
from US $3.08 |
||
|
7
|
7
31119-PT0-003
Bush
|
31119-PT0-003 |
— | ||
|
8
|
8
31127-PT2-013 Rectifier assy. |
31127-PT2-013 |
from US $135.68 |
||
|
9
|
9
31135-PT0-013
Cover
|
31135-PT0-013 |
— | ||
|
10
|
10
31138-PD1-004 CoverBEARING |
31138-PD1-004 |
from US $3.18 |
||
|
11
|
11
31141-P13-003 Pulley |
31141-P13-003 |
from US $39.71 |
||
|
12
|
12
31142-PD1-004 NutPULLEY LOCK |
31142-PD1-004 |
from US $3.03 |
||
|
13
|
13
31145-PD1-004 BoltSTUD, 6X68 |
31145-PD1-004 |
from US $3.18 |
||
|
14
|
14
31146-PT0-003 Screw |
31146-PT0-003 |
from US $1.40 |
||
|
15
|
15
31147-PT0-003 Screw-washer |
31147-PT0-003 |
from US $1.41 |
||
|
16
|
16
31147-P13-003 Screw |
31147-P13-003 |
from US $0.98 |
||
|
17
|
17
31148-PT0-003 ScrewWAVE WASHER |
31148-PT0-003 |
from US $1.12 |
||
|
18
|
18
31148-P13-003 ScrewWAVE WASHER |
31148-P13-003 |
from US $0.98 |
||
|
19
|
19
31150-P08-013 Regulator assy |
31150-P08-013 |
US $203.52 |
||
|
20
|
20
90231-PD1-014 Nut-washer5MM |
90231-PD1-014 |
from US $1.85 |
||
|
21
|
21
90232-PT0-003
Nut
|
90232-PT0-003 |
— |