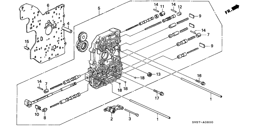
Main valve body Diagram Honda ACCORD
- Year
- 1995
- Model code
- ACCORD AERODECK
- Sales region
- General
- Engine
- F20B
- transmission
- 4AT
- Number of doors
- 5
- grade
- 2.0IES
- abs
- +
- area code
- KG
- left-hand drive
- +
- sunroof
- +
- air conditioner (dealer set)
- +
- srs driver & passenger
- +
Difficulties in parts search?
Difficulties in parts search?
| Description | OEM Part # | Price | |||
|---|---|---|---|---|---|
|
1
|
1
22741-PX4-000
Pipe
|
22741-PX4-000 |
— | ||
|
2
|
2
24630-P0X-000
Arm comp
|
24630-P0X-000 |
— | ||
|
3
|
3
24635-PX4-700
Shaft
|
24635-PX4-700 |
— | ||
|
4
|
4
25145-PA9-010 ShaftOIL PUMP GEAR |
25145-PA9-010 |
US $11.05 |
||
|
5
|
5
27000-P0X-020
Body assy
|
27000-P0X-020 |
— | ||
|
6
|
6
27112-P0X-010
Plate
|
27112-P0X-010 |
— | ||
|
7
|
7
27122-PX4-000
Cap
|
27122-PX4-000 |
— | ||
|
8
|
8
27122-PY8-J10
Cap
|
27122-PY8-J10 |
— | ||
|
9
|
9
27263-PA9-000 Seat Valve Sping 1.0mmVALVE SPRING, 1.0MM |
27263-PA9-000 |
US $2.66 |
||
|
10
|
10
27544-PL5-Z01
Seat
|
27544-PL5-Z01 |
— | ||
|
11
|
11
27645-PL1-000 CapLOCK UP CONTROL |
27645-PL1-000 |
US $3.78 |
||
|
12
|
12
27728-PX3-700
Cap
|
27728-PX3-700 |
— | ||
|
13
|
13
27750-PL5-J01 FilterSECONDARY BODY |
27750-PL5-J01 |
US $5.91 |
||
|
14
|
14
91101-PF4-003 Roller3.5X21.8 |
91101-PF4-003 |
from US $1.19 |
||
|
15
|
15
94301-08140 Dowel pin8X14 |
94301-08140 |
from US $0.89 |
||
|
16
|
16
95701-060-300-8 BoltFLANGE, 6X30 |
95701-060-300-8 |
from US $0.74 |
||
|
17
|
17
95701-080-320-8 BoltFLANGE, 8X32 |
95701-080-320-8 |
from US $0.81 |
||
|
18
|
18
96211-07000 BallSTEEL, #7 (7/32) |
96211-07000 |
from US $0.15 |