Front seat components (R.; 3) Diagram Honda ACCORD

Year
1999
Model code
ACCORD
Sales region
General
Engine
F20B
transmission
4AT
Number of doors
4
grade
EXI
area code
KT
right-hand drive
+

Difficulties in parts search?

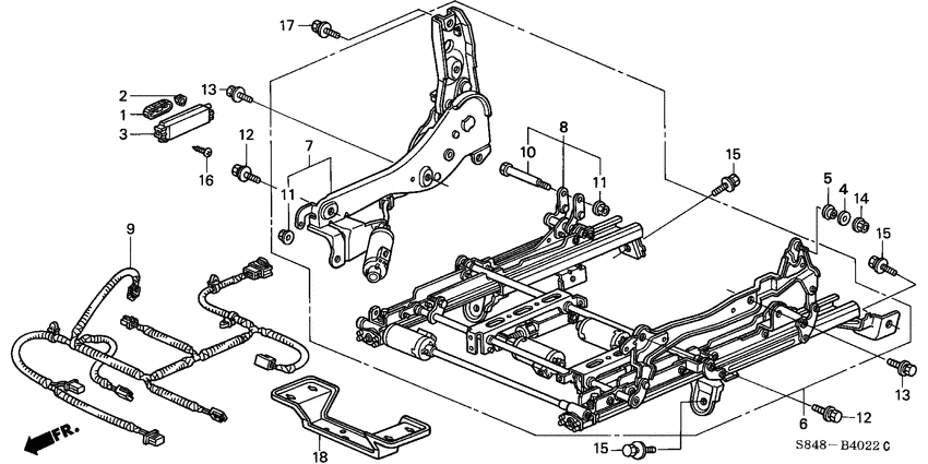
Parts list
Front seat components

Difficulties in parts search?

Front seat components
Description OEM Part # Price
1
1

35951-S87-A51ZA

Knob a

POWER SEAT *NH284L*

35951-S87-A51ZA

US $8.26

2
2

35952-S87-A51ZA

Knob b

POWER SEAT *NH284L*

35952-S87-A51ZA

US $4.20

Front seat components (R.; 3) Diagram Honda ACCORD General 7068909-548500