Starter motor (MITSUBA; V6) Diagram Honda ACCORD
- Year
- 2006
- Model code
- ACCORD
- Sales region
- General
- Engine
- K24A
- transmission
- 5AT
- Number of doors
- 4
- grade
- 2.4 VT
- area code
- KY
- sunroof
- +
- leather seat
- +
- side srs
- +
Difficulties in parts search?
Parts list
Difficulties in parts search?
| Description | OEM Part # | Price | |||
|---|---|---|---|---|---|
|
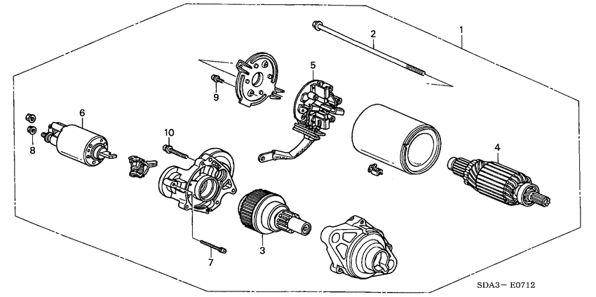
1
|
1
31200-RKB-004 Motor assy.STARTER (SM-44242-4G) (MITSUBA) |
31200-RKB-004 |
US $830.72 |
||
|
2
|
2
31202-RKB-004 BoltSETTING |
31202-RKB-004 |
US $3.01 |
||
|
4
|
4
31207-RKB-004 Armature assy. |
31207-RKB-004 |
US $258.56 |
||
|
5
|
5
31208-RKB-004
Stay assy
|
31208-RKB-004 |
— | ||
|
6
|
6
31210-RKB-004
Switch assy
|
31210-RKB-004 |
— |