Distributor (HITACHI) Diagram Honda CITY
- Year
- 2002
- Model code
- CITY
- Sales region
- General
- Engine
- D13B
- transmission
- 4AT
- Number of doors
- 4
- grade
- LI
- area code
- KY
- left-hand drive
- +
Difficulties in parts search?
Parts list
Difficulties in parts search?
| Description | OEM Part # | Price | |||
|---|---|---|---|---|---|
|
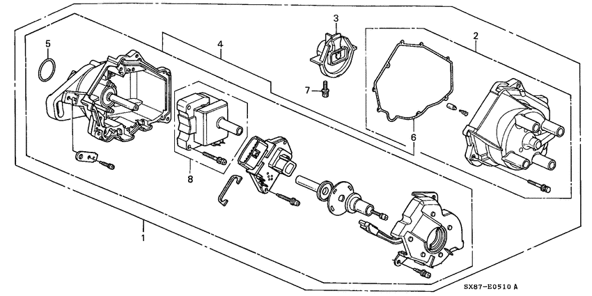
1
|
1
30100-P3R-T01
Distributor assy
|
30100-P3R-T01 |
— | ||
|
2
|
2
30102-P2A-J01 Cap assy. |
30102-P2A-J01 |
US $36.95 |
||
|
3
|
3
30103-P2A-J01 HeadROTOR |
30103-P2A-J01 |
US $39.13 |
||
|
4
|
4
30105-P3R-T01
Housing comp
|
30105-P3R-T01 |
— | ||
|
5
|
5
30110-PC6-005
O-ring
|
30110-PC6-005 |
— | ||
|
6
|
6
30132-P2A-J01 Packing a |
30132-P2A-J01 |
from US $7.55 |
||
|
7
|
7
30135-P0A-A01 Bolt-washer5X14 |
30135-P0A-A01 |
US $2.07 |