Audio unit Diagram Honda CITY
- Year
- 2009
- Model code
- CITY
- Sales region
- General
- Engine
- L15A
- transmission
- 5AT
- Number of doors
- 4
- grade
- LX-A
- area code
- KY
- electric power steering
- +
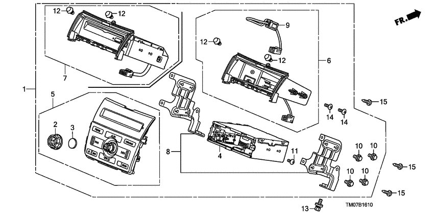
Difficulties in parts search?
Parts list
Difficulties in parts search?
| Description | OEM Part # | Price | |||
|---|---|---|---|---|---|
|
1
|
1
39100-TM0-U11
Tuner assy
|
39100-TM0-U11 |
— | ||
|
2
|
2
39103-TM0-T01
Knob
|
39103-TM0-T01 |
— | ||
|
3
|
3
39104-TM0-T01 ButtonVOLUME |
39104-TM0-T01 |
US $11.88 |
||
|
4
|
4
39106-TM0-U01
Audio assy
|
39106-TM0-U01 |
— | ||
|
5
|
5
39107-TM0-U01
Panel assy.
|
39107-TM0-U01 |
— | ||
|
7
|
7
39108-TM0-U01
Cd assy.
|
39108-TM0-U01 |
— | ||
|
8
|
8
39109-TM0-T01
Bracket
|
39109-TM0-T01 |
— | ||
|
10
|
10
39819-SJD-E01 Bolt-washer5X8 |
39819-SJD-E01 |
US $2.17 |
||
|
11
|
11
39819-SJD-E51 ScrewTAPPING PAN, 3X6 |
39819-SJD-E51 |
US $1.19 |
||
|
12
|
12
77259-SLJ-003 CushionCLIP |
77259-SLJ-003 |
US $1.47 |
||
|
13
|
13
90151-SM4-003 Bolt-washer5X12 |
90151-SM4-003 |
US $1.19 |
||
|
15
|
15
93913-14420 ScrewTAPPING, 4X16(PO) |
93913-14420 |
from US $0.37 |