Breather tube (2.0L) Diagram Honda CIVIC
- Year
- 2004
- Model code
- CIVIC
- Sales region
- General
- Engine
- PSHD58
- transmission
- 5AT
- Number of doors
- 4
- grade
- 2.0IVT
- abs
- +
- area code
- PH
- left-hand drive
- +
- air conditioner (auto)
- +
- srs driver & passenger
- +
Difficulties in parts search?
Parts list
Difficulties in parts search?
| Description | OEM Part # | Price | |||
|---|---|---|---|---|---|
|
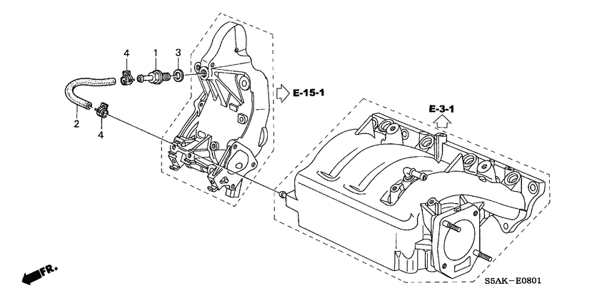
1
|
1
17130-PRB-A01
Valve assy.
|
17130-PRB-A01 |
— | ||
|
2
|
2
17131-PRB-A00
Tube
|
17131-PRB-A00 |
— | ||
|
3
|
3
94109-14000 WASHER, DRAIN PLUG (14MM)DRAIN PLUG WASHER, 14MM |
94109-14000 |
from US $0.38 |
||
|
4
|
4
95002-412-500-4 ClampTUBE (D12.5) |
95002-412-500-4 |
from US $0.74 |