Install pipe/tubing (2.0L) Diagram Honda CIVIC
- Year
- 2004
- Model code
- CIVIC
- Sales region
- General
- Engine
- PSHD58
- transmission
- 5AT
- Number of doors
- 4
- grade
- 2.0IVT
- abs
- +
- area code
- PH
- left-hand drive
- +
- air conditioner (auto)
- +
- srs driver & passenger
- +
Difficulties in parts search?
Parts list
Difficulties in parts search?
| Description | OEM Part # | Price | |||
|---|---|---|---|---|---|
|
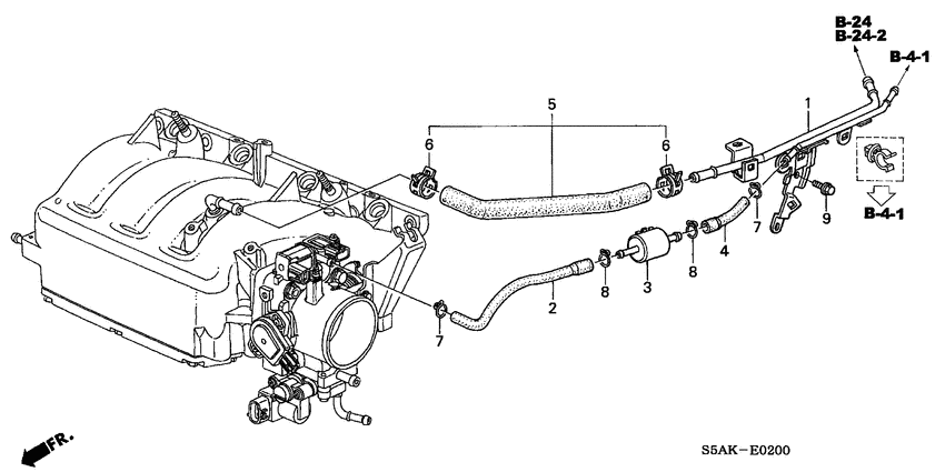
1
|
1
17400-PRA-E00 PipeINSTALL |
17400-PRA-E00 |
US $24.70 |
||
|
2
|
2
36165-PRB-A00
Tube
|
36165-PRB-A00 |
— | ||
|
3
|
3
36166-PAA-A01 JointPURGE |
36166-PAA-A01 |
US $7.56 |
||
|
4
|
4
36167-PND-A00
Tube
|
36167-PND-A00 |
— | ||
|
5
|
5
46408-S6M-J51
Tube a
|
46408-S6M-J51 |
— | ||
|
6
|
6
53729-671-003 Clamp d15.5MM |
53729-671-003 |
from US $3.74 |
||
|
7
|
7
95002-02104 ClipTUBE (B10) |
95002-02104 |
US $0.52 |
||
|
8
|
8
95002-02124 ClipTUBE(B12) |
95002-02124 |
from US $0.52 |
||
| replacement | |||||
|
8
|
8
95002-02120 ClipTUBE (B12) |
95002-02120 |
from US $0.52 |
||
|
9
|
9
95701-060-140-8 BoltFLANGE, 6X14 |
95701-060-140-8 |
from US $0.52 |
||