Combination switch (RH) Diagram Honda CIVIC
- Year
- 1995
- Model code
- CIVIC COUPE
- Sales region
- General
- Engine
- D15B
- transmission
- 4AT
- Number of doors
- 2
- grade
- LSI
- area code
- KE
- right-hand drive
- +
- sunroof
- +
Difficulties in parts search?
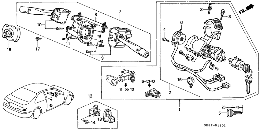
Parts list
Difficulties in parts search?
| Description | OEM Part # | Price | |||
|---|---|---|---|---|---|
|
1
|
1
35010-SR4-E01
Cylinder set
|
35010-SR4-E01 |
— | ||
|
2
|
2
35100-SR3-E02
Lock assy
|
35100-SR3-E02 |
— | ||
|
3
|
3
35102-SG0-003 BoltBREAK HEAD |
35102-SG0-003 |
US $2.80 |
||
|
4
|
4
35103-SE3-003 ScrewRECESSED, 3X8 |
35103-SE3-003 |
US $2.10 |
||
|
5
|
5
35113-SH3-G02
Key
|
35113-SH3-G02 |
— | ||
|
6
|
6
35130-SR3-901
Switch comp
|
35130-SR3-901 |
— | ||
|
7
|
7
35250-SR3-E23
Switch assy
|
35250-SR3-E23 |
— | ||
|
8
|
8
35251-SR3-003
Body
|
35251-SR3-003 |
— | ||
|
9
|
9
35255-SR3-E02
Switch assy
|
35255-SR3-E02 |
— | ||
|
10
|
10
35256-SR3-E21
Switch assy
|
35256-SR3-E21 |
— | ||
|
11
|
11
35259-SR3-013
Shoe
|
35259-SR3-013 |
— | ||
|
12
|
12
35400-SL4-003
Switch assy
|
35400-SL4-003 |
— | ||
|
13
|
13
35401-SL4-003 CoverDOOR SWITCH |
35401-SL4-003 |
from US $4.62 |
||
|
14
|
14
35409-692-013 ScrewFLANGE, 4X12 |
35409-692-013 |
from US $2.09 |
||
|
15
|
15
53271-SR3-000
Cam
|
53271-SR3-000 |
— | ||
|
16
|
16
91547-SF4-003 BandWIRE HARNESS (BLUE) (123.5MM) |
91547-SF4-003 |
from US $5.03 |
||
|
17
|
17
93892-050-120-8 Screw-washer5X12 |
93892-050-120-8 |
from US $0.44 |