Honda CIVIC Car & Auto Parts
- Year
- 2000
- Model code
- CIVIC
- Sales region
- General
- Engine
- D16Y
- transmission
- 4AT
- Number of doors
- 4
- grade
- 1.6ISR
- abs
- +
- area code
- KB
- left-hand drive
- +
- sunroof
- +
- srs driver & passenger
- +
Difficulties in parts search?
-
Torque converter housing
2
-
Transmission housing
2
-
R. side cover
2
-
Clutch
2
-
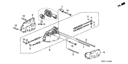
Mainshaft
2
-
Countershaft
2
-
Sub shaft
2
-
Atf pipe/speed sensor
2
-
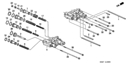
Main valve body
2
-
Regulator
2
-
Secondary body
2
-
Servo body
2
-
Shift shaft
2
-
Differential gear
2
-
Air cleaner
SOHC VTEC; DOHC VTEC
-
Exhaust pipe
-
Fuel tank
-
Fuel pipe
1
-
Radiator
DENSO
-
Radiator hose
-
Battery
LH
-
Wire harness
LH
-
Harness band/bracket
LH
-
Headlight
-
Taillight
-
Interior light
-
Combination switch
LH
-
Switch
LH
-
Combination meter
COMPONENTS
-
Control unit
ENGINE ROOM; LH
-
Control unit
CABIN; LH
-
Abs unit
LH
-
Srs unit
LH
-
Front windshield wiper
LH
-
Windshield washer
1
-
Radio antenna/speaker
-
Auto radio
-
Heater control
LH
-
Heater blower
LH; 2
-
Heater unit
LH
-
Water valve
-
Tire/wheel disks
-
Rear brake
DRUM
-
Front driveshaft/ half shaft
2
-
Front driveshaft/ half shaft
1
-
Front brake
-
Pedal
LH
-
Clutch master cylinder
LH
-
Brake master cylinder/ master power
-
Abs modulator
-
Brake lines
ABS; LH
-
Parking brake
-
Knuckle
-
Front stabilizer/ front lower arm
-
Front shock absorber
-
Rear stabilizer/ rear lower arm
-
Rear shock absorber
-
Steering wheel
SRS
-
Steering column
-
P.s. gear box
LH
-
P.s. gear box components
LH
-
P.s. lines
LH
-
Select lever
-
Floor mat
-
Grommet
-
Instrument panel
LH
-
Instrument panel garnish
LH
-
Duct
LH
-
Console
-
Roof lining
LH
-
Sliding roof
-
Roof slide component
-
Pillar garnish
LH
-
Front door lining
LH
-
Rear door lining
-
Rear tray/trunk side garnish
-
Front seat
SOHC/SOHC VTEC
-
Front seat components
2; L.
-
Front seat components
1; R.
-
Rear seat
-
Seatbelt
-
Emblem
-
Molding
-
Protector
-
Mirror
2
-
Mirror
1
-
Tools/jack
-
Front grille
-
Bumper
-
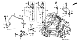
Engine mounts
AT
-
Rear beam
-
Front bulkhead
-
Inner panels
-
Outer panels
-
Front fenders
-
Hood
LH
-
Front windshield
-
Rear windshield
-
Front door windows
-
Front door locks
-
Front door panels
-
Rear door windows
-
Rear door locks
-
Rear door panels
-
Trunk lid
LH
-
Air conditioner
COMPRESSOR; HADSYS
-
Air conditioner
HOSES/PIPES; LH
-
Air conditioner
CONDENSER
-
Air conditioner
LH; COOLING UNIT; KG,'96 KB
-
Throttle body
1.6L SOHC VTEC
-
Intake manifold
1.6L SOHC VTEC
-
Exhaust manifold
1.6L SOHC VTEC
-
High tension cord/ spark plug
-
Distributor
TEC
-
Alternator bracket/ engine stiffener
-
Alternator
MITSUBISHI
-
Engine wire harness
-
Starter motor
MITSUBA
-
Breather chamber
SOHC VTEC
-
Cylinder head cover
-
Cylinder head
SOHC VTEC
-
Camshaft/timing belt
SOHC/SOHC VTEC
-
Valve/rocker arm
1.6L SOHC VTEC
-
Oil pump/oil strainer
SOHC/SOHC VTEC
-
Cylinder block/oil pan
SOHC/SOHC VTEC
-
Water pump/sensor
SOHC/SOHC VTEC
-
Water hose
SOHC VTEC; AT
-
Piston/crankshaft
-
Clutch/torque converter
-
P.s. pump
-
P.s. pump bracket
-
Gasket kit
-
Engine assy./ transmission assy.