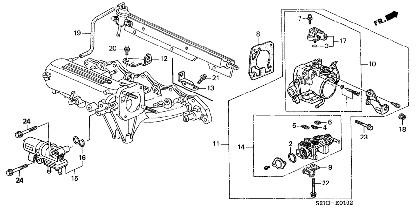
Throttle body (3) Diagram Honda CIVIC
- Year
- 2000
- Model code
- CIVIC
- Sales region
- General
- Engine
- P6DD
- transmission
- 4AT
- Number of doors
- 4
- grade
- LXI
- power steering
- +
- area code
- PH
- left-hand drive
- +
- power window
- +
- srs driver & passenger
- +
Difficulties in parts search?
Parts list
Difficulties in parts search?
| Description | OEM Part # | Price | |||
|---|---|---|---|---|---|
|
8
|
8
16176-P2T-004 GasketTHROTTLE BODY (NIPPON LEAKLESS) |
16176-P2T-004 |
from US $5.08 |
||
|
10
|
10
16400-P2T-G01
Throttle Body Assy
|
16400-P2T-G01 |
— | ||
|
12
|
12
16411-P2T-000
Stay
|
16411-P2T-000 |
— | ||
|
15
|
15
36450-P2J-J01
Valve assy.
|
36450-P2J-J01 |
— | ||
|
19
|
19
95005-351-351-0
Tube
|
95005-351-351-0 |
— | ||
| replacement | |||||
|
19
|
19
95005-352-0010S
Tube 35x200
|
95005-352-0010S |
— | ||
|
20
|
20
95701-060-120-8 BoltFLANGE, 6X12 |
95701-060-120-8 |
from US $0.52 |
||