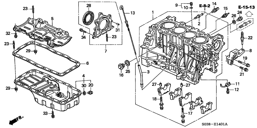
Cylinder block/oil pan (DOHC VTEC) Diagram Honda CIVIC
- Year
- 1998
- Model code
- CIVIC
- Sales region
- General
- Engine
- B16A
- transmission
- 5MT
- Number of doors
- 3
- grade
- SIR
- abs
- +
- power steering
- +
- area code
- KU
- right-hand drive
- +
- srs driver & passenger
- +
Difficulties in parts search?
Difficulties in parts search?
| Description | OEM Part # | Price | |||
|---|---|---|---|---|---|
|
1
|
1
11000-PR3-030
Block assy
|
11000-PR3-030 |
— | ||
|
2
|
2
11105-PR3-000
Joint
|
11105-PR3-000 |
— | ||
|
3
|
3
11111-PR3-300 PipeOIL LEVEL |
11111-PR3-300 |
US $11.34 |
||
|
4
|
4
11200-P30-010
Pan comp
|
11200-P30-010 |
— | ||
|
5
|
5
11221-PR3-000 Plate compBAFFLE |
11221-PR3-000 |
US $34.94 |
||
|
6
|
6
11251-P30-004 Oil Pan Packing |
11251-P30-004 |
from US $36.41 |
||
|
7
|
7
11300-PR4-A00 Cover assy.R. SIDE |
11300-PR4-A00 |
US $69.41 |
||
|
8
|
8
11910-P30-000 BracketENGINE MOUNTING |
11910-P30-000 |
US $57.34 |
||
|
9
|
9
15140-PR3-000 Orifice assyOIL CONTROL |
15140-PR3-000 |
US $10.11 |
||
|
10
|
10
15142-PH3-003 O-ring10.8X2.4 (ARAI) |
15142-PH3-003 |
from US $2.96 |
||
|
11
|
11
15280-PR3-000
Body comp
|
15280-PR3-000 |
— | ||
|
12
|
12
15290-PR3-000 Bolt compOIL JET |
15290-PR3-000 |
US $18.85 |
||
|
13
|
13
15650-P30-000 Gauge comp.OIL LEVEL |
15650-P30-000 |
from US $14.96 |
||
|
14
|
14
30530-PV1-A01 Sensor assyKNOCK |
30530-PV1-A01 |
US $154.09 |
||
|
15
|
15
37240-PT0-023
Switch
|
37240-PT0-023 |
— | ||
| replacement | |||||
|
15
|
15
37240-PT0-014 SwitchOIL PRESSURE (TEC) |
37240-PT0-014 |
from US $25.58 |
||
|
15
|
15
37240-PT0-014 SwitchOIL PRESSURE (TEC) |
37240-PT0-014 |
from US $25.58 |
||
|
16
|
16
90001-PM3-003 BoltDRAIN PLUG, 28MM |
90001-PM3-003 |
from US $7.16 |
||
|
17
|
17
90006-P75-003
Bolt-washer
|
90006-P75-003 |
— | ||
|
18
|
18
90007-P75-003 Bolt-washer11X90 |
90007-P75-003 |
US $6.22 |
||
|
19
|
19
90008-PR3-000 Bolt A, ENGINE MOUNT BRACKET (10X60) |
90008-PR3-000 |
from US $2.59 |
||
|
20
|
20
90009-PH1-000 BoltDRAIN PLUG, 14MM |
90009-PH1-000 |
from US $4.44 |
||
|
21
|
21
90009-PR3-000 Bolt bENGINE MOUNT BRACKET (10X40) |
90009-PR3-000 |
US $3.42 |
||
|
22
|
22
90041-P01-000 BoltSTUD, 12X40 |
90041-P01-000 |
US $7.65 |
||
|
23
|
23
90042-PR3-000 BoltSTUD, 6X28 |
90042-PR3-000 |
US $2.28 |
||
|
24
|
24
90084-657-000 BoltSEALING, 16X9.5 |
90084-657-000 |
US $3.92 |
||
|
25
|
25
90401-PR4-000 WasherSEALING, 28MM |
90401-PR4-000 |
from US $1.89 |
||
|
26
|
26
90443-PA5-000
Washer
|
90443-PA5-000 |
— | ||
|
27
|
27
90715-PC6-000 Dowel pin13X20 |
90715-PC6-000 |
from US $2.25 |
||
|
28
|
28
91214-PR4-A01
Oil seal
|
91214-PR4-A01 |
— | ||
|
29
|
29
94050-06080 NutFLANGE, 6MM |
94050-06080 |
from US $0.52 |
||
|
30
|
30
94109-14000 WASHER, DRAIN PLUG (14MM)DRAIN PLUG WASHER, 14MM |
94109-14000 |
from US $0.38 |
||
|
31
|
31
94301-06100 Dowel pin6X10 |
94301-06100 |
from US $0.89 |
||
|
32
|
32
95701-060-120-8 BoltFLANGE, 6X12 |
95701-060-120-8 |
from US $0.52 |
||
|
33
|
33
95701-060-180-8 Bolt, FLANGE, 6X18 |
95701-060-180-8 |
from US $0.34 |
||
|
34
|
34
95701-060-200-8 BoltFLANGE, 6X20 |
95701-060-200-8 |
from US $0.52 |
||