Shift fork/shift holder Diagram Honda CIVIC

Year
2005
Model code
CIVIC
Sales region
General
Engine
D16W
transmission
5MT
Number of doors
4
grade
VTI-LDS
area code
KU
right-hand drive
+
sunroof
+

Difficulties in parts search?

Parts list
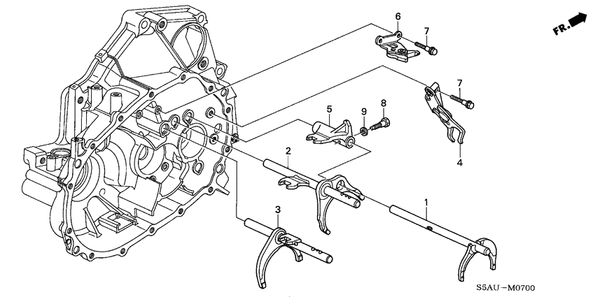
Shift fork/shift holder

Difficulties in parts search?

Shift fork/shift holder
Description OEM Part # Price
1
1

24201-PLW-000

Fork comp

FIFTH SHIFT

24201-PLW-000

US $74.24

2
2

24210-PLW-000

Fork comp

GEARSHIFT (3-4)

24210-PLW-000

US $85.76

3
3

24220-PLW-000

Fork comp

GEARSHIFT (1-2)

24220-PLW-000

US $85.76

4
4

24230-PLW-010

Holder comp

REVERSE SHIFT

24230-PLW-010

US $30.08

5
5

24243-PLW-000

Piece

FIFTH & REVERSE SHIFT

24243-PLW-000

US $56.71

6
6

24440-PLW-000

Cam comp

REVERSE LOCK

24440-PLW-000

US $17.92

7
7

90028-PB6-010

Bolt

SPECIAL, 6X22.5

90028-PB6-010

US $1.89

8
8

90029-611-010

Bolt

HEX., 8X24

90029-611-010

from US $2.52

9
9

90412-679-000

Washer

CONICAL SPRING, 8MM

90412-679-000

from US $1.95

Shift fork/shift holder Diagram Honda CIVIC General 7068324-548284