Shift fork/shift holder Diagram Honda CIVIC

Year
2007
Model code
CIVIC
Sales region
General
Engine
R16A
transmission
5MT
Number of doors
4
grade
1.6 LXI
abs
+
area code
KY
left-hand drive
+
auto cruise
+

Difficulties in parts search?

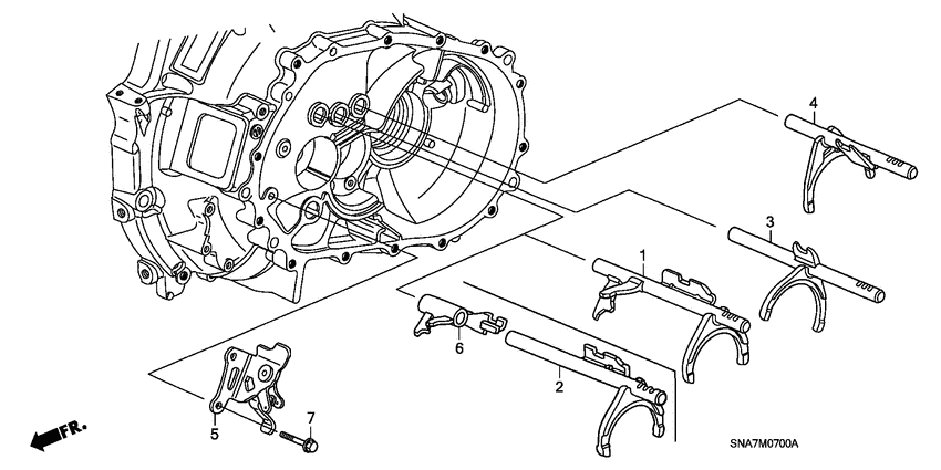
Parts list
Shift fork/shift holder

Difficulties in parts search?

Shift fork/shift holder
Description OEM Part # Price
1
1

24201-RPF-000

Fork comp

FIFTH-REVERSE GEARSHIFT

24201-RPF-000

US $75.52

3
3

24210-RPF-010

Fork comp

THIRD-FOURTH GEARSHIFT

24210-RPF-010

US $64

4
4

24220-RPF-000

Fork comp

LOW-SECOND GEARSHIFT

24220-RPF-000

US $64

5
5

24230-RPF-000

Holder comp

REVERSE SHIFT

24230-RPF-000

US $23.68

7
7

90028-PB6-010

Bolt

SPECIAL, 6X22.5

90028-PB6-010

US $1.89

Shift fork/shift holder Diagram Honda CIVIC General 7055590-541821