Front seat components (R.; 2.0L) Diagram Honda CIVIC
- Year
- 2010
- Model code
- CIVIC
- Sales region
- General
- Engine
- K20Z
- transmission
- 6MT
- Number of doors
- 3
- grade
- 2.0 TYPE-R R
- area code
- KG
- left-hand drive
- +
Difficulties in parts search?
Difficulties in parts search?
| Description | OEM Part # | Price | |||
|---|---|---|---|---|---|
|
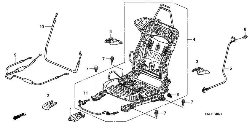
1
|
1
81104-SMR-E01ZA CoverFR. SEAT FR. INNER FOOT (R.) *NH167L* |
81104-SMR-E01ZA |
US $19.20 |
||
|
2
|
2
81105-SMR-E01ZA CoverFR. SEAT FR. OUTER FOOT (R.) *NH167L* |
81105-SMR-E01ZA |
US $19.20 |
||
|
3
|
3
81106-SMR-E01ZA CoverFR. SEAT RR. OUTER FOOT *NH167L* |
81106-SMR-E01ZA |
US $18.18 |
||
|
4
|
4
81126-SMT-G23
Frame comp
|
81126-SMT-G23 |
— | ||
|
5
|
5
81253-SMR-E01
Switch
|
81253-SMR-E01 |
— | ||
|
6
|
6
81262-SNA-A01 CapSLIDE ADJUSTER UPPER END |
81262-SNA-A01 |
US $2.59 |
||
|
7
|
7
90135-S5A-003 Bolt-washer10X27 |
90135-S5A-003 |
US $1.75 |
||
|
8
|
8
93891-040-160-8 Screw-washer4X16 |
93891-040-160-8 |
from US $0.44 |
||
|
9
|
9
81163-SMR-E01 Control cableFRONT SEAT CUSHION |
81163-SMR-E01 |
US $44.67 |
||
|
10
|
10
81173-SMR-E01 CableFR. SEATBACK WALK-IN |
81173-SMR-E01 |
US $32 |
||
|
11
|
11
81139-SMG-E01 Lever compFR. SEAT CUSHION |
81139-SMG-E01 |
US $112.64 |