Converter (DIESEL) Diagram Honda CIVIC
- Year
- 2010
- Model code
- CIVIC
- Sales region
- General
- Engine
- N22A
- transmission
- 6MT
- Number of doors
- 3
- grade
- 2.2 TYPE-S P
- area code
- KE
- right-hand drive
- +
- navigation
- +
- side curtain srs
- +
- glass roof
- +
Difficulties in parts search?
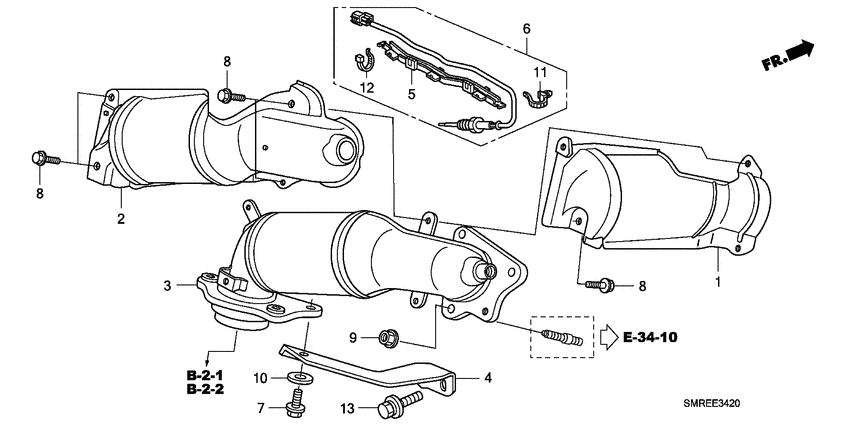
Parts list
Difficulties in parts search?
| Description | OEM Part # | Price | |||
|---|---|---|---|---|---|
|
1
|
1
18183-RSR-E00
Cover comp.
|
18183-RSR-E00 |
— | ||
|
2
|
2
18184-RSR-E00
Cover comp.
|
18184-RSR-E00 |
— | ||
|
3
|
3
18190-RSR-E00
Pre-converter comp.
|
18190-RSR-E00 |
— | ||
|
4
|
4
18198-RSR-E00
Stay
|
18198-RSR-E00 |
— | ||
|
7
|
7
90010-PE2-900 BoltSPECIAL, 10X22 |
90010-PE2-900 |
US $3.02 |
||
|
8
|
8
90023-PR7-A01 BOLT, FLANGE (6X12)6X12 (IWATA BOLT) |
90023-PR7-A01 |
US $2.96 |
||
|
9
|
9
90212-RSR-E01 NutFLANGE, 10MM |
90212-RSR-E01 |
US $2.31 |
||
|
10
|
10
90451-PE2-000 WasherSPECIAL, 11X28 |
90451-PE2-000 |
US $12.39 |
||
|
13
|
13
93404-100-250-8 Bolt-washer10X25 |
93404-100-250-8 |
from US $0.81 |