Water hose (SOHC VTEC; 2) Diagram Honda CIVIC
- Year
- 1999
- Model code
- CIVIC
- Sales region
- General
- Engine
- D16W
- transmission
- 4AT
- Number of doors
- 5
- grade
- ES
- abs
- +
- area code
- KE
- right-hand drive
- +
- sunroof
- +
- power window
- +
- leather seat
- +
- air conditioner (manual)
- +
- srs driver & passenger
- +
- aluminium wheel disk
- +
- key less entry
- +
Difficulties in parts search?
Parts list
Difficulties in parts search?
| Description | OEM Part # | Price | |||
|---|---|---|---|---|---|
|
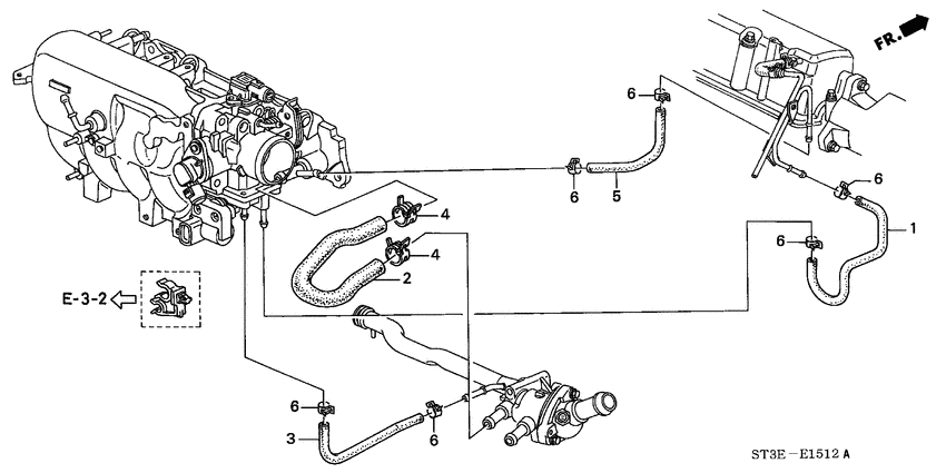
1
|
1
19506-P1J-E01
Hose
|
19506-P1J-E01 |
— | ||
|
2
|
2
19507-P1J-E00
Hose
|
19507-P1J-E00 |
— | ||
|
3
|
3
19508-PDT-E01
Hose
|
19508-PDT-E01 |
— | ||
|
4
|
4
19513-PE0-003 ClampWATER HOSE (21.7MM) (CHUO SPRING) |
19513-PE0-003 |
from US $2.75 |
||
|
5
|
5
19527-P9L-E00
Hose a
|
19527-P9L-E00 |
— | ||
|
6
|
6
95002-412-500-4 ClampTUBE (D12.5) |
95002-412-500-4 |
from US $0.74 |