Abs modulator (DIESEL; LH) Diagram Honda CIVIC
- Year
- 1997
- Model code
- CIVIC
- Sales region
- General
- Engine
- 20T2R12N
- transmission
- 5MT
- Number of doors
- 5
- grade
- 2.0ITD
- abs
- +
- area code
- KG
- left-hand drive
- +
- sunroof
- +
- power window
- +
Difficulties in parts search?
Parts list
Difficulties in parts search?
| Description | OEM Part # | Price | |||
|---|---|---|---|---|---|
|
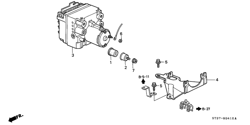
1
|
1
57101-S37-000
Rubber
|
57101-S37-000 |
— | ||
|
2
|
2
57102-S37-000
Washer
|
57102-S37-000 |
— | ||
|
3
|
3
57110-S74-E00
Modulator assy
|
57110-S74-E00 |
— | ||
|
4
|
4
57115-S74-G00
Bracket
|
57115-S74-G00 |
— | ||
|
5
|
5
93403-080-160-8 Bolt-washer8X16 |
93403-080-160-8 |
from US $0.74 |
||
|
6
|
6
94001-050-800-S NutHEX., 5MM |
94001-050-800-S |
from US $0.37 |
||
|
7
|
7
94050-06080 NutFLANGE, 6MM |
94050-06080 |
from US $0.52 |