Alternator (BOSCH) Diagram Honda CIVIC
- Year
- 1998
- Model code
- CIVIC AERODECK
- Sales region
- General
- Engine
- D14A
- transmission
- 5MT
- Number of doors
- 5
- grade
- 1.4ISR
- area code
- KG
- left-hand drive
- +
- power window
- +
- air conditioner (manual)
- +
- srs driver & passenger
- +
- colored outer handle
- +
Difficulties in parts search?
Parts list
Difficulties in parts search?
| Description | OEM Part # | Price | |||
|---|---|---|---|---|---|
|
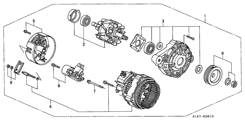
1
|
1
31100-P1K-E05
Alternator assy
|
31100-P1K-E05 |
— | ||
|
2
|
2
31101-P1K-E05
Rotor assy.
|
31101-P1K-E05 |
— | ||
|
3
|
3
31109-P1K-E04
Frame assy
|
31109-P1K-E04 |
— | ||
|
4
|
4
31121-P1K-E04
Frame
|
31121-P1K-E04 |
— | ||
|
5
|
5
31135-PP4-E03
Cover
|
31135-PP4-E03 |
— | ||
|
6
|
6
31141-P1K-E03
Pulley
|
31141-P1K-E03 |
— | ||
|
7
|
7
31145-PP4-E03
Screw
|
31145-PP4-E03 |
— | ||
|
8
|
8
31150-P1K-E03
Regulator assy
|
31150-P1K-E03 |
— | ||
|
9
|
9
91415-PP4-E03
Clip
|
91415-PP4-E03 |
— |