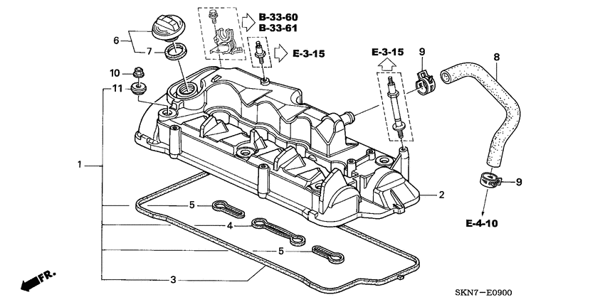
Cylinder head cover Diagram Honda CR-V
- Year
- 2005
- Model code
- CR-V I-CTDI
- Sales region
- General
- Engine
- N22A
- transmission
- 6MT
- Number of doors
- 5
- grade
- SE
- area code
- KE
- right-hand drive
- +
Difficulties in parts search?
Difficulties in parts search?
| Description | OEM Part # | Price | |||
|---|---|---|---|---|---|
|
1
|
1
12030-RMA-E00 Packing setHEAD COVER |
12030-RMA-E00 |
US $60.42 |
||
|
2
|
2
12310-RMA-E00 Cover comp.CYLINDER HEAD |
12310-RMA-E00 |
US $215.04 |
||
|
3
|
3
12341-RMA-E00 Packing aHEAD COVER |
12341-RMA-E00 |
US $16 |
||
|
4
|
4
12342-RBD-E00 Packing bHEAD COVER |
12342-RBD-E00 |
US $8.47 |
||
|
5
|
5
12343-RBD-E00 Packing cHEAD COVER |
12343-RBD-E00 |
US $3.71 |
||
|
6
|
6
15610-RBD-E00
Cap assy.
|
15610-RBD-E00 |
— | ||
|
7
|
7
15613-PC6-000 Packing, Oil Filler |
15613-PC6-000 |
from US $4 |
||
|
8
|
8
17153-RMA-E00
Tube
|
17153-RMA-E00 |
— | ||
|
9
|
9
19513-REA-Z01 ClampWATER HOSE |
19513-REA-Z01 |
US $2.31 |
||
|
10
|
10
90213-PH3-000 NutCAP, 6MM |
90213-PH3-000 |
from US $2.22 |
||
|
11
|
11
90441-PNA-010 WasherHEAD COVER |
90441-PNA-010 |
from US $5.27 |