Cylinder head (DIESEL; '09) Diagram Honda CR-V
- Year
- 2009
- Model code
- CR-V I-CTDI
- Sales region
- General
- Engine
- N22A
- transmission
- 6MT
- Number of doors
- 5
- grade
- 2.2 EXECUTIVE
- abs
- +
- area code
- KG
- left-hand drive
- +
- navigation
- +
- side srs
- +
- side curtain srs
- +
- glass roof
- +
- dpf
- +
- corner sensor
- +
Difficulties in parts search?
Parts list
Difficulties in parts search?
| Description | OEM Part # | Price | |||
|---|---|---|---|---|---|
|
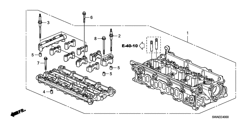
1
|
1
12100-R06-E00
Head assy
|
12100-R06-E00 |
— | ||
|
2
|
2
90012-RBD-E01 Bolt aHEAD COVER |
90012-RBD-E01 |
US $4.20 |
||
|
3
|
3
90013-RBD-E01 Bolt bHEAD COVER |
90013-RBD-E01 |
US $4.48 |
||
|
4
|
4
94301-08100 Dowel pin8X10 |
94301-08100 |
from US $0.89 |
||
|
5
|
5
94301-10160 Dowel pin10X16 |
94301-10160 |
from US $1.04 |
||
|
6
|
6
95701-060-350-8 BoltFLANGE, 6X35 |
95701-060-350-8 |
from US $0.59 |
||
|
7
|
7
95701-060-450-8 BoltFLANGE, 6X45 |
95701-060-450-8 |
from US $0.74 |
||
|
8
|
8
95701-080-750-8 BoltFLANGE, 8X75 |
95701-080-750-8 |
from US $0.89 |