Injector (DIESEL) Diagram Honda CR-V
- Year
- 2008
- Model code
- CR-V I-CTDI
- Sales region
- General
- Engine
- N22A
- transmission
- 6MT
- Number of doors
- 5
- grade
- 2.2 ES
- abs
- +
- area code
- KE
- right-hand drive
- +
- side curtain srs
- +
- dpf
- +
Difficulties in parts search?
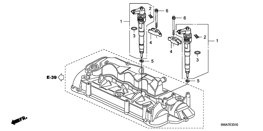
Parts list
Difficulties in parts search?
| Description | OEM Part # | Price | |||
|---|---|---|---|---|---|
|
1
|
1
16450-R06-E01
Injector assy
|
16450-R06-E01 |
— | ||
|
2
|
2
16451-RBD-E01 Clip |
16451-RBD-E01 |
US $3.43 |
||
|
3
|
3
16452-RMA-E01 O-ring16.8X1.8 |
16452-RMA-E01 |
US $4.13 |
||
|
4
|
4
16461-RBD-E01 ArmNOZZLE |
16461-RBD-E01 |
US $11.62 |
||
|
5
|
5
16472-RBD-E00 GasketNOZZLE |
16472-RBD-E00 |
from US $2.59 |
||
|
6
|
6
90019-RBD-E01 BoltSPECIAL SOCKET |
90019-RBD-E01 |
from US $2.81 |