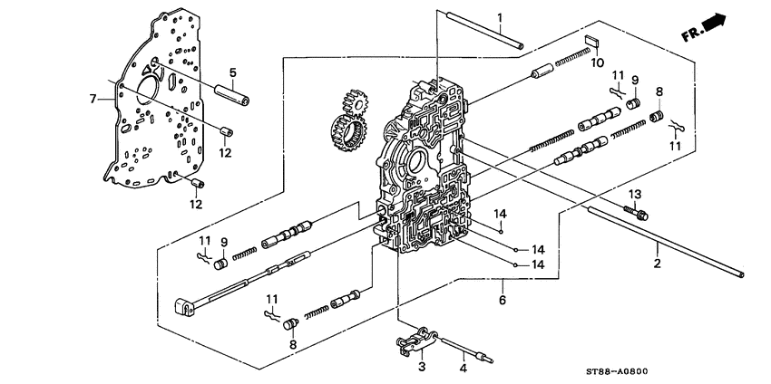
Main valve body Diagram Honda INTEGRA
- Year
- 2000
- Model code
- INTEGRA
- Sales region
- General
- Engine
- B18C
- transmission
- 4AT
- Number of doors
- 4
- grade
- GS-R
- area code
- KT
- right-hand drive
- +
Difficulties in parts search?
Difficulties in parts search?
| Description | OEM Part # | Price | |||
|---|---|---|---|---|---|
|
1
|
1
22743-PF0-000 PipeTHIRD CLUTCH |
22743-PF0-000 |
US $9.10 |
||
|
2
|
2
22748-P24-J00 Pipe8X220 |
22748-P24-J00 |
US $4.76 |
||
|
3
|
3
24630-P24-J00 Arm compCHANGE DETENT |
24630-P24-J00 |
US $24.06 |
||
|
4
|
4
24635-P24-J00
Shaft
|
24635-P24-J00 |
— | ||
|
5
|
5
25145-PA9-010 ShaftOIL PUMP GEAR |
25145-PA9-010 |
US $11.05 |
||
|
6
|
6
27000-P56-040 Body assyMAIN VALVE |
27000-P56-040 |
US $483.84 |
||
|
7
|
7
27112-P56-000
Plate
|
27112-P56-000 |
— | ||
|
8
|
8
27122-P56-J00
Cap
|
27122-P56-J00 |
— | ||
|
9
|
9
27122-P56-000
Cap
|
27122-P56-000 |
— | ||
|
10
|
10
27263-PA9-000 Seat Valve Sping 1.0mmVALVE SPRING, 1.0MM |
27263-PA9-000 |
US $2.66 |
||
|
11
|
11
90638-P56-000 ClipVALVE CAP |
90638-P56-000 |
US $1.68 |
||
|
12
|
12
94301-08140 Dowel pin8X14 |
94301-08140 |
from US $0.89 |
||
|
13
|
13
95701-060-280-8 BoltFLANGE, 6X28 |
95701-060-280-8 |
from US $0.74 |
||
|
14
|
14
96211-07000 BallSTEEL, #7 (7/32) |
96211-07000 |
from US $0.15 |