Alternator Diagram Honda LEGEND
- Year
- 1988
- Model code
- LEGEND COUPE
- Sales region
- General
- Engine
- C27A
- transmission
- 5MT
- Number of doors
- 2
- grade
- V6 2.7I
- area code
- KW
- left-hand drive
- +
Difficulties in parts search?
Difficulties in parts search?
| Description | OEM Part # | Price | |||
|---|---|---|---|---|---|
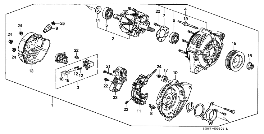
|
1
|
1
31100-PH7-024
Alternator assy
|
31100-PH7-024 |
— | ||
|
2
|
2
31101-PH7-004
Rotor assy.
|
31101-PH7-004 |
— | ||
|
3
|
3
31105-PD1-024 Holder assy.ALTERNATOR BRUSH |
31105-PD1-024 |
US $22.14 |
||
|
4
|
4
31109-PH7-004 Frame assyDRIVE END |
31109-PH7-004 |
US $453.12 |
||
|
5
|
5
31111-PD1-014 BearingRR. GENERATOR |
31111-PD1-014 |
US $16.26 |
||
|
6
|
6
31114-PD1-034 BearingFR. GENERATOR |
31114-PD1-034 |
US $16.77 |
||
|
7
|
7
31116-PE0-013 PlateRETAINER |
31116-PE0-013 |
US $9.24 |
||
|
8
|
8
31118-PD1-004
Bush
|
31118-PD1-004 |
— | ||
|
9
|
9
31119-PH1-004
Bush
|
31119-PH1-004 |
— | ||
|
10
|
10
31121-PH7-004
Frame
|
31121-PH7-004 |
— | ||
|
11
|
11
31127-PD2-004 Rectifier assy. |
31127-PD2-004 |
US $221.44 |
||
|
12
|
12
31129-PD1-014
Spring
|
31129-PD1-014 |
— | ||
|
13
|
13
31135-PD2-004
Cover
|
31135-PD2-004 |
— | ||
|
14
|
14
31138-PD1-004 CoverBEARING |
31138-PD1-004 |
from US $3.18 |
||
|
15
|
15
31141-PD1-024 PulleyALTERNATOR |
31141-PD1-024 |
US $41.73 |
||
|
16
|
16
31142-PD1-004 NutPULLEY LOCK |
31142-PD1-004 |
from US $3.03 |
||
|
17
|
17
31143-PH1-004
Clip
|
31143-PH1-004 |
— | ||
|
18
|
18
31144-PD1-004 Brush |
31144-PD1-004 |
US $11.55 |
||
| replacement | |||||
|
18
|
18
31144-P01-003 Brush |
31144-P01-003 |
US $12.40 |
||
|
19
|
19
31145-PD1-004 BoltSTUD, 6X68 |
31145-PD1-004 |
from US $3.18 |
||
|
20
|
20
31146-PD1-004 Screw-washer4X19 |
31146-PD1-004 |
US $2.24 |
||
|
21
|
21
31148-PD1-004 Screw-washer4X25 |
31148-PD1-004 |
from US $1.48 |
||
|
22
|
22
31149-PD1-004
Screw-washer
|
31149-PD1-004 |
— | ||
|
23
|
23
31150-PD6-014 Regulator assy |
31150-PD6-014 |
US $231.68 |
||
|
24
|
24
90231-PD1-004
Nut-washer
|
90231-PD1-004 |
— | ||
| replacement | |||||
|
24
|
24
90231-PD1-014 Nut-washer5MM |
90231-PD1-014 |
from US $1.85 |
||
|
25
|
25
94001-060-800-S NutHEX., 6MM |
94001-060-800-S |
from US $0.44 |
||