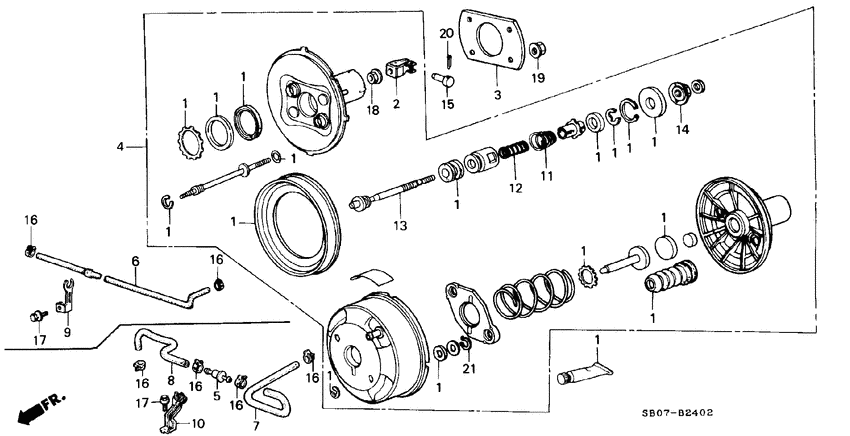
Master power Diagram Honda PRELUDE
- Year
- 1983
- Model code
- PRELUDE
- Sales region
- General
- Engine
- ET
- transmission
- 5MT
- Number of doors
- 2
- grade
- EX
- area code
- KW
- sunroof
- +
- rear wiper
- +
Difficulties in parts search?
Difficulties in parts search?
| Description | OEM Part # | Price | |||
|---|---|---|---|---|---|
|
1
|
1
06464-SA5-950
Power set
|
06464-SA5-950 |
— | ||
|
2
|
2
46151-SA5-003 Yoke comp.NISSIN |
46151-SA5-003 |
US $18.24 |
||
|
3
|
3
46191-634-000 GasketMASTER CYLINDER BRACKET |
46191-634-000 |
US $5.03 |
||
|
4
|
4
46400-SB0-951 Power assy.MASTER (9") |
46400-SB0-951 |
US $550.40 |
||
|
6
|
6
46402-SB0-671
Tube assy
|
46402-SB0-671 |
— | ||
|
9
|
9
46406-SB0-670
Stay
|
46406-SB0-670 |
— | ||
|
11
|
11
46431-692-003
Spring
|
46431-692-003 |
— | ||
|
12
|
12
46432-SA0-003
Spring
|
46432-SA0-003 |
— | ||
|
13
|
13
46433-692-003
Rod
|
46433-692-003 |
— | ||
|
14
|
14
46443-692-003 AdjusterPUSH ROD |
46443-692-003 |
US $2.80 |
||
|
15
|
15
46512-SA5-000
Pin
|
46512-SA5-000 |
— | ||
|
16
|
16
53729-671-003 Clamp d15.5MM |
53729-671-003 |
from US $3.51 |
||
|
17
|
17
93492-060-120-8 Bolt-washer6X12 |
93492-060-120-8 |
from US $0.52 |
||
| replacement | |||||
|
17
|
17
93402-060-120-8 Bolt-washer6X12 |
93402-060-120-8 |
from US $0.52 |
||
|
18
|
18
94050-08080 NUT, FLANGE, 8MM |
94050-08080 |
from US $0.52 |
||
|
19
|
19
94070-08080 Nut-washer8MM |
94070-08080 |
from US $0.52 |
||
|
20
|
20
94201-20300 PinSPLIT, 2.0X30 |
94201-20300 |
US $0.44 |
||
|
21
|
21
94510-10000 CirclipEXTERNAL, 10MM |
94510-10000 |
from US $0.44 |
||