Heater unit (LH) Diagram Honda PRELUDE
- Year
- 1995
- Model code
- PRELUDE
- Sales region
- General
- Engine
- F22A
- transmission
- 4AT
- Number of doors
- 2
- grade
- SI
- area code
- KY
- left-hand drive
- +
Difficulties in parts search?
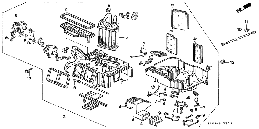
Parts list
Difficulties in parts search?
| Description | OEM Part # | Price | |||
|---|---|---|---|---|---|
|
1
|
1
39246-671-003
Clamp
|
39246-671-003 |
— | ||
|
2
|
2
79100-SS0-G02
Heater unit
|
79100-SS0-G02 |
— | ||
|
3
|
3
79105-SS0-A01
Outlet a
|
79105-SS0-A01 |
— | ||
|
4
|
4
79106-SS0-A01
Outlet b
|
79106-SS0-A01 |
— | ||
|
5
|
5
79110-SS0-A01
Core comp
|
79110-SS0-A01 |
— | ||
|
6
|
6
79140-SS0-A01
Motor assy.
|
79140-SS0-A01 |
— | ||
|
7
|
7
79191-SD4-003
Washer
|
79191-SD4-003 |
— | ||
|
8
|
8
79192-SR3-003 BushLINK |
79192-SR3-003 |
US $1.47 |
||
|
9
|
9
79195-SF1-003 HolderROD |
79195-SF1-003 |
US $1.82 |
||
|
10
|
10
79680-SS0-A00
Cable
|
79680-SS0-A00 |
— | ||
|
11
|
11
79770-SE0-000 GrommetWATER VALVE CABLE |
79770-SE0-000 |
US $2.59 |
||
|
12
|
12
90137-SF1-000 Bolt-washer6X25 |
90137-SF1-000 |
US $2.12 |
||
|
13
|
13
94071-08080 Nut-washer8MM |
94071-08080 |
from US $0.52 |