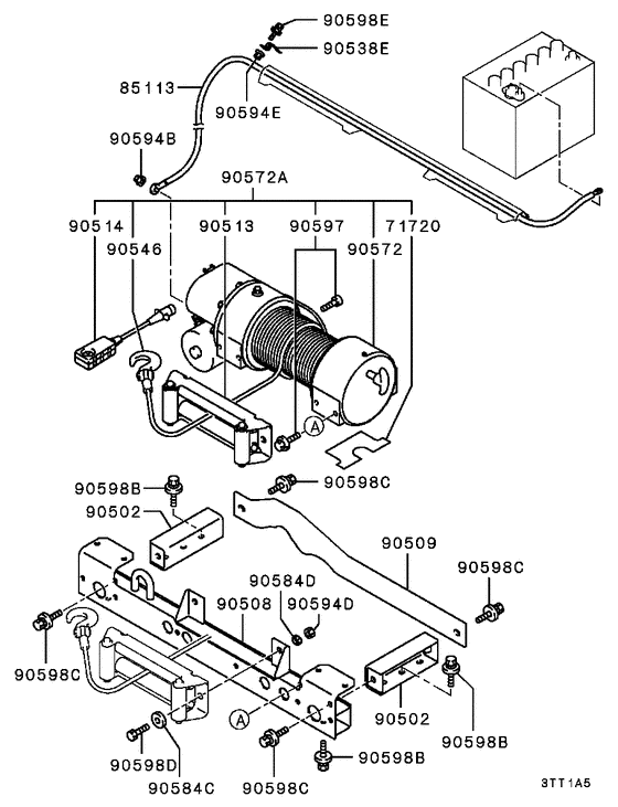
Winch Diagram Mitsubishi 1/2T TRUCK<MD>
- Year
- 1999 - 2009
- Sales region
- Japan
- Note
- BRSFC
- grade
- BRSFC
Difficulties in parts search?
Difficulties in parts search?
| Description | OEM Part # | Price | |||
|---|---|---|---|---|---|
|
71720
|
71720
MR510222 LABEL, CAUTION |
MR510222 |
US $5.18 |
||
|
85113
|
85113
MN138376 CABLE, BATTERY WIRING |
MN138376 |
US $88.80 |
||
|
85113
|
85113
MR163711 CABLE ASSY, BATTERY WIRING |
MR163711 |
US $130.24 |
||
|
85113
|
85113
MR510229 CABLE, BATTERY WIRING |
MR510229 |
US $140.60 |
||
|
90502
|
90502
MR510207 BRACKET, WINCH |
MR510207 |
US $137.64 |
||
|
90508
|
90508
MR510205 CROSSMEMBER, WINCH MOUNTING |
MR510205 |
US $832.83 |
||
|
90509
|
90509
MR510206 PLATE, WINCH |
MR510206 |
US $195.36 |
||
|
90513
|
90513
MB870588 FAIRLEAD, WINCH |
MB870588 |
US $492.13 |
||
|
90514
|
90514
MR234978 SWITCH, WINCH REMOTE CONTROL |
MR234978 |
US $278.24 |
||
|
90538E
|
90538E
MS470059 CLIP, CRANKCASEL=80 |
MS470059 |
US $2.46 |
||
|
90546
|
90546
MB635126 CABLE & HOOK, WINCH |
MB635126 |
US $2,232 |
||
|
90572
|
90572
MR519636 WINCH |
MR519636 |
US $6,004.80 |
||
|
90572A
|
90572A
MR510221 WINCH ASSY |
MR510221 |
US $6,004.80 |
||
|
90584C
|
90584C
MF450007 WASHER, CYLINDER HEADPlain,12 |
MF450007 |
from US $0.90 |
||
|
90584D
|
90584D
MF450407 WASHERSpring,12 |
MF450407 |
from US $0.84 |
||
|
90594B
|
90594B
MS440134 NUT, CARBFlange,8 |
MS440134 |
from US $1.11 |
||
|
90594D
|
90594D
MF430843 NUT, FR AXLEJam,12 |
MF430843 |
from US $1.23 |
||
|
90594E
|
90594E
MS440502 NUT, FUEL TANKWasher assembled,6 |
MS440502 |
from US $1.74 |
||
|
90597
|
90597
9520A001 BOLT, WINCH INR |
9520A001 |
US $31.08 |
||
|
90598B
|
90598B
MS240190 BOLT, FR SEATWasher assembled,10x30 |
MS240190 |
US $4.51 |
||
|
90598C
|
90598C
MF244907 BOLT, ENG FR MOUNTINGWasher assembled,12x30 |
MF244907 |
from US $1.33 |
||
|
90598D
|
90598D
MF101310 BOLT, ENG RR MOUNTING12x25 |
MF101310 |
from US $1.62 |
||
|
90598E
|
90598E
MS240121 BOLT, CONNRODWasher assembled,6x16 |
MS240121 |
from US $1.70 |