Electrical control (9706.1- EXC.LEV (CRANK ANGLE SENSOR)) Diagram Mitsubishi ASPIRE
- Year
- 1996 - 1998
- Sales region
- Japan
- Note
- VR-G(MMCS),S4FA/T
- drive
- 4WD
- transmission
- S4FA/T
- grade
- VR-G
Difficulties in parts search?
Difficulties in parts search?
| Description | OEM Part # | Price | |||
|---|---|---|---|---|---|
|
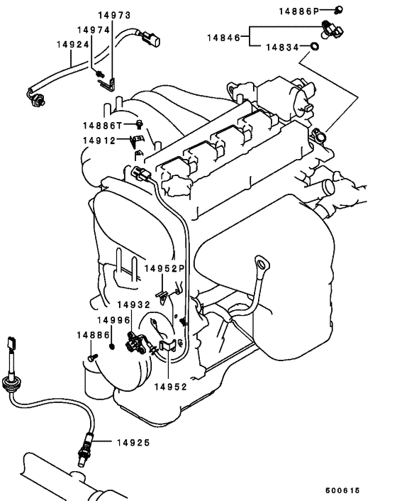
14834
|
14834
MD622021 O-RING, A/T CASE |
MD622021 |
from US $1.97 |
||
|
14846
|
14846
MD327107
SENSOR, CAMSHAFT POSITION
|
MD327107 |
— | ||
| replacement | |||||
|
14846
|
14846
23731W000P SENSOR, CAMSHAFT POSITION |
23731W000P |
from US $83.91 |
||
|
14886
|
14886
MD182842
BOLT, CRANK ANGLE SENSOR
|
MD182842 |
— | ||
| replacement | |||||
|
14886
|
14886
MF241225 BOLT, ROCKER COVERWasher assembled,6x16 |
MF241225 |
from US $1.01 |
||
|
14886P
|
14886P
MF140205 BOLT, CYLINDER BLOCKFlange,6x16 |
MF140205 |
from US $0.82 |
||
|
14886T
|
14886T
MF140203 BOLT, ACCEL CABLE SUPPORTFlange,6x12 |
MF140203 |
from US $0.78 |
||
|
14912
|
14912
MD342992 BRACKET, CRANK ANGLE SENSOR CONNECTOR |
MD342992 |
US $6.66 |
||
|
14912
|
14912
MD350751 BRACKET, CRANK ANGLE SENSOR CONNECTOR |
MD350751 |
US $6.22 |
||
|
14924
|
14924
MD304932 SENSOR, ENG CONTROL KNOCK |
MD304932 |
US $186.48 |
||
|
14925
|
14925
MD189008 SENSOR, ENG CONTROL OXYGEN |
MD189008 |
US $605.70 |
||
|
14932
|
14932
MD342994
SENSOR, ENG CRANK ANGLE
|
MD342994 |
— | ||
|
14952
|
14952
MD327102 CLIP, CRANK ANGLE SENSOR |
MD327102 |
US $4.14 |
||
|
14952P
|
14952P
MD327126 CLIP, CRANK ANGLE SENSOR |
MD327126 |
US $2.52 |
||
|
14952P
|
14952P
MD352477
CLIP, CRANK ANGLE SENSOR
|
MD352477 |
— | ||
|
14973
|
14973
MB113038 CLIP, EMISSION VACUUM CONTROL EQUIP6.6-40/55 |
MB113038 |
US $3.97 |
||
|
14974
|
14974
M965175 BOLT, TIMING BELT COVERFlange,6x12 |
M965175 |
US $2.07 |
||
|
14974
|
14974
MF140203 BOLT, ACCEL CABLE SUPPORTFlange,6x12 |
MF140203 |
from US $0.78 |
||
|
14996
|
14996
MF450404 WASHER, ENG OIL PANSpring,6 |
MF450404 |
from US $0.62 |
||