Cylinder head (ALL) Diagram Mitsubishi CARISMA
- Year
- 1999 - 2000
- Sales region
- EUR/NEDCAR
- Note
- SPORT(SEDAN),4FA/T LHD
- transmission
- 4FA/T
- grade
- SPORT
- body
- SEDAN
Difficulties in parts search?
Difficulties in parts search?
| Description | OEM Part # | Price | |||
|---|---|---|---|---|---|
|
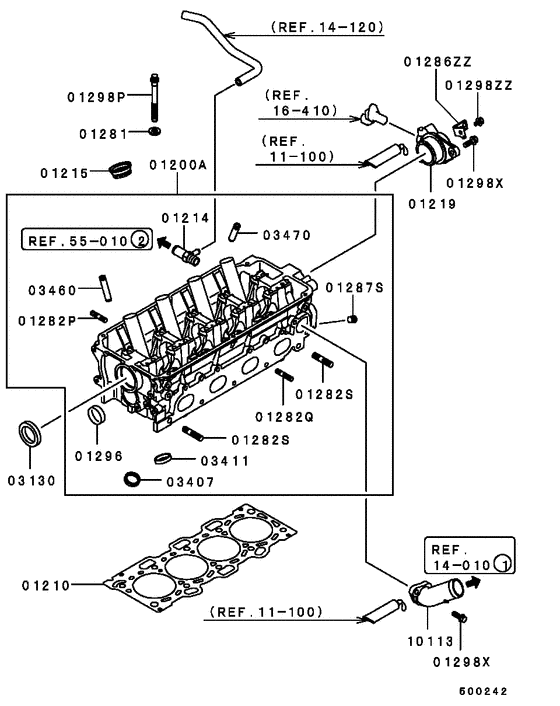
01200A
|
01200A
MD313416
HEAD ASSY,ENG CYLINDER
|
MD313416 |
— | ||
|
01210
|
01210
MD322820 GASKET, CYLINDER HEAD |
MD322820 |
from US $53.45 |
||
|
01214
|
01214
MD020630 JOINT, INLET MANIFOLD |
MD020630 |
from US $13.55 |
||
|
01215
|
01215
MD198128 SEAL, CYLINDER HEAD SPARK PLUG GUIDERubber |
MD198128 |
from US $6.18 |
||
|
01219
|
01219
MD328197
SUPPORT, CAMSHAFT POSITION SENSOR
|
MD328197 |
— | ||
| replacement | |||||
|
01219
|
01219
1865A129 SUPPORT, CAMSHAFT POSITION SENSOR |
1865A129 |
US $81.40 |
||
|
01281
|
01281
MD000436 WASHERPlain,10 |
MD000436 |
from US $2.15 |
||
|
01282P
|
01282P
MS401427 STUD, CYLINDER HEAD8x25 |
MS401427 |
from US $1.07 |
||
|
01282Q
|
01282Q
MD005317 STUD, CYLINDER HEAD8x28 |
MD005317 |
from US $2.11 |
||
|
01282S
|
01282S
MD122521 STUD, CYLINDER HEAD10x32 |
MD122521 |
from US $2.71 |
||
|
01287S
|
01287S
MS661141 PLUG, CYLINDER HEADTaper,1/4 |
MS661141 |
US $1.92 |
||
|
01296
|
01296
MF665541 CAP, CYLINDER BLOCK (HEAD)Sealing,35 |
MF665541 |
from US $1.31 |
||
|
01298P
|
01298P
MD164738 BOLT, CYLINDER HEADFlange,10x95 |
MD164738 |
from US $6.20 |
||
|
01298X
|
01298X
M965215 BOLT, CYLINDER HEADFlange,m8x22 |
M965215 |
US $2.37 |
||
|
01298X
|
01298X
MF140026 BOLT, OIL FILTERFlange,8x22 |
MF140026 |
from US $2.13 |
||
|
01298ZZ
|
01298ZZ
M945358 BOLT, BATTERY WIRING6x12 |
M945358 |
US $1.92 |
||
|
01298ZZ
|
01298ZZ
MF140202 BOLT, FLANGE (6x10)Flange,6x10 |
MF140202 |
from US $1.66 |
||
|
03130
|
03130
MD153103
OIL SEAL, CAMSHAFT
|
MD153103 |
— | ||
| replacement | |||||
|
03130
|
03130
MD372536 OIL SEAL, CAMSHAFT |
MD372536 |
from US $7.33 |
||
|
03407
|
03407
MD183896 SEAT,EXHAUST VALVE |
MD183896 |
US $34.78 |
||
|
03407
|
03407
MD183897 SEAT,EXHAUST VALVE |
MD183897 |
US $34.78 |
||
|
03411
|
03411
MD189240 SEAT, INLET VALVEO/size 0.30 |
MD189240 |
US $31.08 |
||
|
03411
|
03411
MD189241 SEAT, INLET VALVEO/size 0.60 |
MD189241 |
US $31.08 |
||
|
03460
|
03460
MD300702 GUIDE, INLET VALVEO/size 0.05 |
MD300702 |
from US $19.87 |
||
|
03460
|
03460
MD300703 GUIDE, INLET VALVEO/size 0.25 |
MD300703 |
US $30.34 |
||
|
03460
|
03460
MD300704 GUIDE, INLET VALVEO/size 0.50 |
MD300704 |
US $30.34 |
||
|
03460
|
03460
MD318940 GUIDE, INLET VALVEO/size 0.25 |
MD318940 |
US $28.86 |
||
|
03460
|
03460
MD364870 GUIDE, INLET VALVEO/size 0.05 |
MD364870 |
from US $24.62 |
||
|
03460
|
03460
MD364871 GUIDE, INLET VALVEO/size 0.50 |
MD364871 |
US $28.86 |
||
|
03470
|
03470
MD172530 GUIDE, EXHAUST VALVEO/size 0.05 |
MD172530 |
from US $32.14 |
||
|
03470
|
03470
MD172531 GUIDE, EXHAUST VALVEO/size 0.25 |
MD172531 |
US $32.56 |
||
|
03470
|
03470
MD172532 GUIDE, EXHAUST VALVEO/size 0.50 |
MD172532 |
US $32.56 |
||
|
03470
|
03470
MD318689 GUIDE, EXHAUST VALVEO/size 0.25 |
MD318689 |
US $31.82 |
||
| replacement | |||||
|
03470
|
03470
1011A255
GUIDE, EXHAUST VALVE
|
1011A255 |
— | ||
|
03470
|
03470
MD364740 GUIDE, EXHAUST VALVEO/size 0.05 |
MD364740 |
US $31.82 |
||
|
03470
|
03470
MD364741 GUIDE, EXHAUST VALVEO/size 0.50 |
MD364741 |
US $31.82 |
||
| replacement | |||||
|
03470
|
03470
1011A256 GUIDE, EXHAUST VALVEO/size 0.50 |
1011A256 |
US $28.86 |
||
|
10113
|
10113
MD310105 FITTING, COOLING WATER OUTLET HOSE |
MD310105 |
US $60.19 |
||
|
11 100
|
Liquid gasket
11 100
|
||||
|
14 010
|
Radiator,hose & condenser tank
14 010
|
||||
|
14 120
|
Water pipe & thermostat
14 120
|
||||
|
14 120
|
Water pipe & thermostat
14 120
|
||||
|
16 410
|
Electrical control
16 410
|
||||
|
16 410
|
Electrical control
16 410
|
||||
|
16 410
|
Electrical control
16 410
|
||||
|
16 410
|
Electrical control
16 410
|
||||
|
16 410
|
Electrical control
16 410
|
||||
|
16 410
|
Electrical control
16 410
|
||||
|
16 410
|
Electrical control
16 410
|
||||
|
55 010
|
Heater unit & piping
55 010
|
||||
|
55 010
|
Heater unit & piping
55 010
|
||||
|
55 010
|
Heater unit & piping
55 010
|
||||