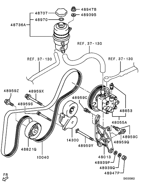
Power steering oil pump (ALL) Diagram Mitsubishi ECLIPSE
- Year
- 2005 - 2009
- Sales region
- MMNA/MMNA
- Note
- H-LINE(GS/SINGLE MUFFLER),S4FA/T FED
- transmission
- S4FA/T
- grade
- H-LINE
Difficulties in parts search?
Difficulties in parts search?
| Description | OEM Part # | Price | |||
|---|---|---|---|---|---|
|
10040
|
10040
1340A004
BELT,ALTERNATOR & OTHERS
|
1340A004 |
— | ||
|
14300
|
14300
MN149179 TENSIONER, ALTERNATOR DRIVE BELT AUTO |
MN149179 |
from US $92.66 |
||
|
48013
|
48013
4450A146
BRACKET,P/S OIL PUMP
|
4450A146 |
— | ||
|
48013
|
48013
MN128330
BRACKET,P/S OIL PUMP
|
MN128330 |
— | ||
|
48055A
|
48055A
MN101061
OIL PUMP ASSY,P/S
|
MN101061 |
— | ||
|
48707
|
48707
MR455733 CAP, P/S OIL RESERVOIR |
MR455733 |
US $14.80 |
||
|
48736A
|
48736A
MN101235 RESERVOIR ASSY, P/S OIL |
MN101235 |
US $76.96 |
||
|
48736A
|
48736A
MN184023
RESERVOIR ASSY,P/S OIL
|
MN184023 |
— | ||
|
48821Q
|
48821Q
MD374877 PULLEY, P/S OIL PUMP IDLER |
MD374877 |
from US $57.80 |
||
|
48853
|
48853
4450A017
SWITCH,P/S OIL PRESSURE
|
4450A017 |
— | ||
|
48939B
|
48939B
MF450154 WASHER, ENG FR MOUNTINGPlain,8 |
MF450154 |
from US $0.84 |
||
|
48939P
|
48939P
MF450006 WASHER, CYLINDER HEADPlain,10 |
MF450006 |
from US $1.01 |
||
|
48939P
|
48939P
MS450036 WASHER, EXHAUST MANIFOLDPlain,10 |
MS450036 |
US $4.24 |
||
|
48939Q
|
48939Q
MF450406 WASHERSpring,10 |
MF450406 |
from US $0.43 |
||
|
48947B
|
48947B
MS440503 NUT, ENG FR MOUNTINGWasher assembled,8 |
MS440503 |
from US $0.84 |
||
|
48947P
|
48947P
MF430122 NUT, ENG RR MOUNTING10 |
MF430122 |
from US $0.72 |
||
|
48959C
|
48959C
MF241256 BOLT, ENG OIL PANWasher assembled,8x28 |
MF241256 |
US $2.74 |
||
|
48959Q
|
48959Q
MF140227 BOLT, ROCKER COVERFlange,8x25 |
MF140227 |
from US $0.96 |
||
|
48959S
|
48959S
MF241270 BOLT, THROTTLE BODYWasher assembled,8x85 |
MF241270 |
US $2.87 |
||
|
48959X
|
48959X
MD374022 BOLT, P/S OIL PUMPWasher assembled,10x95 |
MD374022 |
from US $8.85 |
||
|
48959Y
|
48959Y
MD335229 BOLT, ALTERNATOR10x111 |
MD335229 |
from US $5.56 |
||
|
48959Z
|
48959Z
1345A033 BOLT, P/S OIL PUMPFlange,10x45 |
1345A033 |
US $4.51 |
||
|
48959Z
|
48959Z
MN119106 BOLT, P/S OIL PUMPFlange,10x45 |
MN119106 |
US $4.24 |
||
|
48970
|
48970
MR455734 O-RING, P/S OIL RESERVOIR |
MR455734 |
US $3.40 |
||
|
37 130
|
Power steering oil line
37 130
|
||||