A/c condenser, piping (COMPRESSOR BRACKET) Diagram Mitsubishi ECLIPSE SPYDER

Year
1999 - 2000
Sales region
MMNA/MMNA
Note
SPYDER M-LINE(GS),S4FA/T(00M) FED
drive
2WD
transmission
S4FA/T
grade
M-LINE
body
SPYDER

Difficulties in parts search?

Parts list
A/c condenser, piping

Difficulties in parts search?

A/c condenser, piping
Description OEM Part # Price
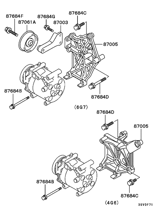
87005
87005
MR460999
BRACKET, A/C COMPRESSOR

MR460999

87684B
87684B

MU240026

BOLT, A/C COMPRESSOR

Washer assembled,8x100

MU240026

US $9.58

87684C
87684C

MF244880

BOLT, ENG RR MOUNTING

Washer assembled,10x25

MF244880

from US $1.50

87684D
87684D

MF244886

BOLT, CRANKSHAFT

Washer assembled,10x40

MF244886

US $2.81

A/c condenser, piping (COMPRESSOR BRACKET) Diagram Mitsubishi ECLIPSE SPYDER MMNA/MMNA 1875056-164307