A/t floor shift linkage (CABLE ETC.) Diagram Mitsubishi ECLIPSE SPYDER

Year
2000 - 2003
Sales region
P&G/MMNA
Note
SPYDER S-LINE(GT),S4FA/T(01M-) FED
drive
2WD
transmission
S4FA/T
grade
S-LINE
body
SPYDER

Difficulties in parts search?

Parts list
A/t floor shift linkage

Difficulties in parts search?

A/t floor shift linkage
Description OEM Part # Price
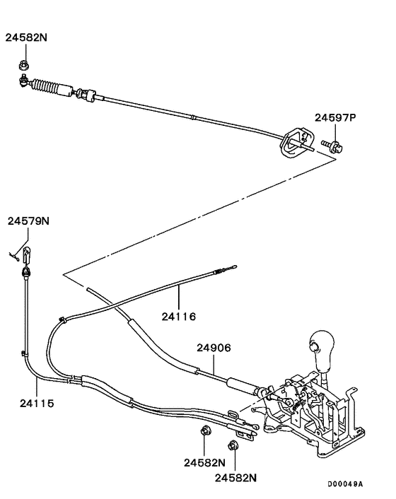
24115
24115

MR196687

CABLE, GEARSHIFT LOCK

MR196687

US $48.10

24116
24116
MR377775
CABLE, GEARSHIFT KEY LOCK

MR377775

24579N
24579N

MB844379

PIN, GEARSHIFT LINK

Snap,8

MB844379

from US $4.15

24582N
24582N

MS440503

NUT, ENG FR MOUNTING

Washer assembled,8

MS440503

from US $0.84

24597P
24597P

MS240085

BOLT, ENG OIL LINE

Washer assembled,8x20

MS240085

from US $1.07

24906
24906
MR350809
CABLE, GEARSHIFT

MR350809

A/t floor shift linkage (CABLE ETC.) Diagram Mitsubishi ECLIPSE SPYDER P&G/MMNA 1872386-164233