Cylinder block (-0803.1 M/T,3A/T (CYLINDER BLOCK)) Diagram Mitsubishi EK-SERIES
- Year
- 2008 - 2009
- Sales region
- Japan
- Note
- MX(2WD),4A/T<WAGON>
- drive
- 2WD
- grade
- MX
Difficulties in parts search?
Difficulties in parts search?
| Description | OEM Part # | Price | |||
|---|---|---|---|---|---|
|
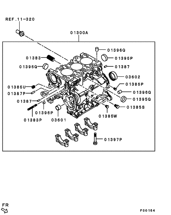
01300A
|
01300A
1050A603 BLOCK ASSY, CYLINDER |
1050A603 |
US $1,425.42 |
||
|
01383
|
01383
MD178434 STUD, CYLINDER BLOCK20x38 |
MD178434 |
US $5.77 |
||
|
01383P
|
01383P
MF402574 STUD, INLET MANIFOLD8x50 |
MF402574 |
US $2.66 |
||
|
01385P
|
01385P
MD000429 PLUG, CYLINDER HEADTaper,1/16 |
MD000429 |
US $3.42 |
||
|
01385S
|
01385S
MD000269 PLUG, CYLINDER BLOCKTaper,1/4 |
MD000269 |
from US $2.52 |
||
|
01385U
|
01385U
MS661141 PLUG, CYLINDER HEADTaper,1/4 |
MS661141 |
US $1.92 |
||
|
01385W
|
01385W
MD014929 PLUG, CYLINDER HEADTaper,1/8 |
MD014929 |
US $3.28 |
||
|
01387
|
01387
MF472403 PIN, CYLINDER BLOCKDowel,6x14 |
MF472403 |
from US $2.40 |
||
|
01387P
|
01387P
MD115053 PIN, CYLINDER BLOCKDowel,6x22 |
MD115053 |
US $3.40 |
||
|
01395P
|
01395P
MD153100 CAP, CYLINDER BLOCKSealing,35 |
MD153100 |
US $2.07 |
||
|
01395Q
|
01395Q
MF665540 CAP, CYLINDER HEADSealing,30 |
MF665540 |
from US $2.40 |
||
|
01396P
|
01396P
MS471101 BUSHING, CYLINDER HEAD6x9 |
MS471101 |
US $3.97 |
||
|
01396Q
|
01396Q
MS471109 BUSHING, CYLINDER BLOCK10x16 |
MS471109 |
from US $1.81 |
||
|
01397P
|
01397P
MD016230 BOLT, CYLINDER BLOCK10x60 |
MD016230 |
US $3.55 |
||
|
03601
|
03601
MD141777 BEARING, BALANCER SHAFT, FRPlain,std |
MD141777 |
US $21.89 |
||
|
03602
|
03602
MD141778 BEARING, BALANCER SHAFT, RRPlain,std |
MD141778 |
US $24.62 |
||
|
11 320
|
Oil press switch or gauge unit
11 320
|
||||